Operation CHARM: Car repair manuals for everyone.
Manuals through 2025 now available!

Our trusted friends have launched a new website named LEMON, which has newer manuals. It also contains all the CHARM manuals.

LEMON is the spiritual successor to CHARM, I recommend you try it!

Link: lemon-manuals.la or lemon-manuals.org.ua

(Some people have issue connecting. LEMON is investigating. For now, use Firefox or change your DNS server)

Or, hide this message: temporarily or permanently

Diagnostic Item 3

DIAGNOSTIC ITEM 3: Abnormal short between the CAN-C bus lines.

CAUTION: When servicing a CAN bus line, ground yourself by touching a metal object such as an unpainted water pipe. If you fail to do so, a component connected to the CAN bus line may be damaged.


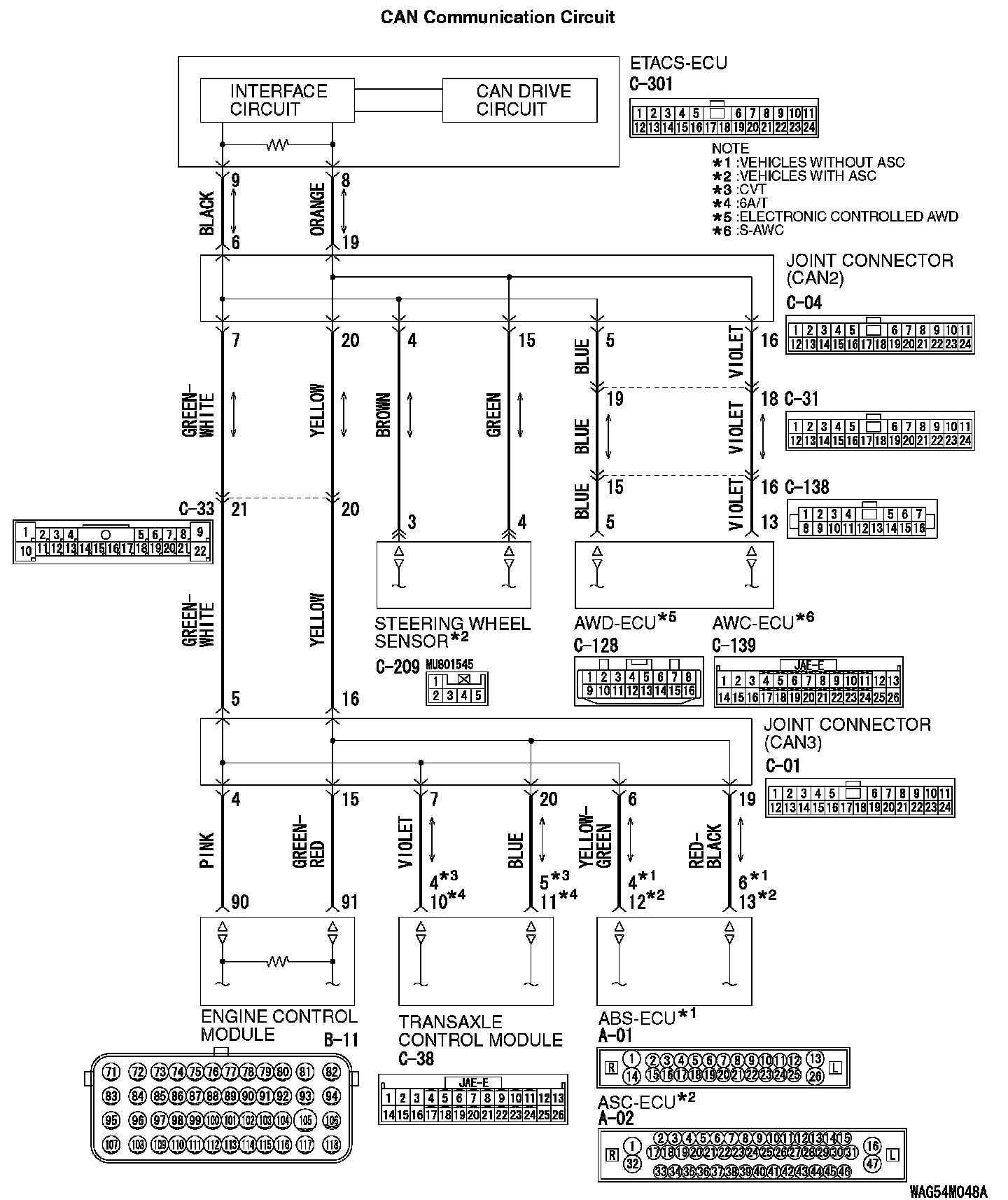
CAN Communication Circuit (Part 1):




CAN Communication Circuit (Part 2):






FUNCTION
If a line-to-line short is present in the CAN-C lines, this diagnosis result will be set.

TROUBLE JUDGMENT CONDITIONS
If only diagnostic trouble code U0001 is set, the ETACS-ECU determines that there is a failure.

TROUBLESHOOTING HINTS
- Malfunction of the connector (joint connectors or ECU connectors improperly connected)
- Malfunction of the wiring harness (line-to-line short in the CAN-C main or sub bus lines)
- Malfunction of the ECU (ECU on CAN-C lines failed)

DIAGNOSIS

Required Special Tools:
- MB991223: Harness Set
- MB992006: Extra Fine Probe
- MB991958: Scan Tool (M.U.T.-III Sub Assembly)
- MB991824: Vehicle Communication Interface (V.C.I.)
- MB991827: M.U.T.-III USB Cable
- MB991910: M.U.T.-III Main Harness A
- MB991970: ABS Check Harness

STEP 1. Check joint connector (CAN2) C-04 and joint connector (CAN3) for loose, corroded or damaged terminals, or terminals pushed back in the connector.

CAUTION: The strand end of the twisted wire should be within 10 cm (4 inches) from the connector.

Q: Are joint connector (CAN2) C-04 and joint connector (CAN3) C-01 in good condition?

YES [vehicles with ASC] : Go to Step 2.

YES [vehicles without ASC (FWD)] : Go to Step 5.

YES [vehicles without ASC (Electric controlled AWD)] : Go to Step 3.

NO : Repair the damaged parts.


STEP 2. Check the wiring harness between joint connector (CAN2) C-04 and steering wheel sensor connector C-209 for line-to-line short. Measure the resistance at joint connector (CAN2) C-04.

CAUTION:
- Disconnect the negative battery terminal.
- A digital multimeter should be used.
- The test wiring harness should be used.


1. Disconnect joint connector (CAN2), and check that there is continuity at the harness side of joint connector (CAN2).







2. Check that there is continuity between joint connector (CAN2) terminals 4 and 15.

OK: No continuity

Q: Is the check result normal?

YES [FWD] : Go to Step 5.

YES [Electric controlled AWD] : Go to Step 3.

YES [S-AWC] : Go to Step 4.

NO : Go to Step 9.

STEP 3. Check the wiring harness between joint connector (CAN2) C-04 and AWD-ECU connector C-128 for line-to-line short. Measure the resistance at joint connector (CAN2) C-04.

1. Disconnect joint connector (CAN2), and check that there is continuity at the harness side of joint connector (CAN2).







2. Check that there is continuity between joint connector (CAN2) terminals 5 and 16.

OK: No continuity

Q: Is the check result normal?

YES : Go to Step 5.

NO : Go to Step 10.

STEP 4. Check the wiring harness between joint connector (CAN2) C-04 and AWC-ECU connector C-139 for line-to-line short. Measure the resistance at joint connector (CAN2) C-04.

1. Disconnect joint connector (CAN2), and check that there is continuity at the harness side of joint connector (CAN2).







2. Check that there is continuity between joint connector (CAN2) terminals 5 and 16.

OK: No continuity

Q: Is the check result normal?

YES : Go to Step 5.

NO : Go to Step 11.

STEP 5. Check the wiring harness between joint connector (CAN3) C-01 and ECM connector B-11 for line-to-line short. Measure the resistance at joint connector (CAN3) C-01.

1. Disconnect joint connector (CAN3), and check that there is continuity at the harness side of joint connector (CAN3).







2. Check that there is continuity between joint connector (CAN3) terminals 4 and 15.

OK: No continuity

Q: Is the check result normal?

YES : Go to Step 6.

NO : Go to Step 12.

STEP 6. Check the wiring harness between joint connector (CAN3) C-01 and ABS-ECU connector A-01 [vehicles without ASC] or ASC-ECU connector A-02 [vehicles with ASC] for line-to-line short. Measure the resistance at joint connector (CAN3) C-01.

1. Disconnect joint connector (CAN3), and check that there is continuity at the harness side of joint connector (CAN3).







2. Check that there is continuity between joint connector (CAN3) terminals 6 and 19.

OK: No continuity

Q: Is the check result normal?

YES [CVT, A/T] : Go to Step 7.

YES [M/T] : Go to Step 8.

NO : Go to Step 13.

STEP 7. Check the wiring harness between joint connector (CAN3) C-01 and TCM connector C-38 for line-to-line short. Measure the resistance at joint connector (CAN3) C-01.

1. Disconnect joint connector (CAN3), and check that there is continuity at the harness side of joint connector (CAN3).







2. Check that there is continuity between joint connector (CAN3) terminals 7 and 20.

OK: No continuity

Q: Is the check result normal?

YES : Go to Step 8.

NO : Go to Step 14.

STEP 8. Check the wiring harness between joint connector (CAN2) C-04 and ETACS-ECU connector C-301 for line-to-line short. Measure the resistance at joint connector (CAN2) C-04.

1. Disconnect joint connector (CAN2), and check that there is continuity at the harness side of joint connector (CAN2).







2. Check that there is continuity between joint connector (CAN2) terminals 6 and 19.

OK: No continuity

Q: Is the check result normal?

YES : Check intermediate connector C-33, and repair if necessary. If the intermediate connector is in good condition, repair the wiring harness between joint connector (CAN2) C-04 and joint connector (CAN3) C-01.

NO : Go to Step 15.

STEP 9. Using scan tool MB991958, diagnose the CAN bus line. (checking the steering wheel sensor for internal short)

CAUTION:
- Strictly observe the specified wiring harness repair procedure.
- To prevent damage to scan tool MB991958, always turn the ignition switch to the "LOCK" (OFF) position before connecting or disconnecting scan tool MB991958.


1. Disconnect steering wheel sensor connector C-209.







2. Connect scan tool MB991958 to the data link connector.
3. Turn the ignition switch to the "ON" position.







4. Diagnose CAN bus lines, and check if the scan tool MB991958 screen is as shown in the figure.

OK: The display of the scan tool MB991958 is as shown in the figure.

Q: Does scan tool MB991958 screen correspond to the illustration?

YES : Repair the wiring harness between steering wheel sensor connector C-209 and joint connector (CAN2) C-04.

NO : Check steering wheel sensor connector C-209, and repair if necessary. If the steering wheel sensor connector is in good condition, replace the steering wheel sensor.

STEP 10. Using scan tool MB991958, diagnose the CAN bus line. (checking the AWD-ECU for internal short)

CAUTION:
- Strictly observe the specified wiring harness repair procedure.
- To prevent damage to scan tool MB991958, always turn the ignition switch to the "LOCK" (OFF) position before connecting or disconnecting scan tool MB991958.


1. Disconnect AWD-ECU connector C-128.







2. Connect scan tool MB991958 to the data link connector.
3. Turn the ignition switch to the "ON" position.







4. Diagnose CAN bus lines, and check if the scan tool MB991958 screen is as shown in the figure.

OK: The display of the scan tool MB991958 is as shown in the figure.

Q: Does scan tool MB991958 screen correspond to the illustration?

YES : Check intermediate connectors C-31 and C-138, and repair if necessary. If the intermediate connector is in good condition, repair the wiring harness between AWD-ECU connector C-128 and joint connector (CAN2) C-04.

NO : Check AWD-ECU connector C-128, and repair if necessary. If the AWD-ECU connector is in good condition, replace the AWD-ECU.

STEP 11. Using scan tool MB991958, diagnose the CAN bus line. (checking the AWC-ECU for internal short)

CAUTION:
- Strictly observe the specified wiring harness repair procedure.
- To prevent damage to scan tool MB991958, always turn the ignition switch to the "LOCK" (OFF) position before connecting or disconnecting scan tool MB991958.


1. Disconnect AWC-ECU connector C-139.







2. Connect scan tool MB991958 to the data link connector.
3. Turn the ignition switch to the "ON" position.







4. Diagnose CAN bus lines, and check if the scan tool MB991958 screen is as shown in the figure.

OK: The display of the scan tool MB991958 is as shown in the figure.

Q: Does scan tool MB991958 screen correspond to the illustration?

YES : Check intermediate connector C-31 and C-138, and repair if necessary. If the intermediate connector is in good condition, repair the wiring harness between AWC-ECU connector C-139 and joint connector (CAN2) C-04.

NO : Check AWC-ECU connector C-139, and repair if necessary. If the AWC-ECU connector is in good condition, replace the AWC-ECU.

STEP 12. Using scan tool MB991958, diagnose the CAN bus line. (checking the ECM for internal short)

CAUTION:
- Strictly observe the specified wiring harness repair procedure.
- To prevent damage to scan tool MB991958, always turn the ignition switch to the "LOCK" (OFF) position before connecting or disconnecting scan tool MB991958.


1. Disconnect ECM connector B-11.







2. Connect scan tool MB991958 to the data link connector.
3. Turn the ignition switch to the "ON" position.







4. Diagnose CAN bus lines, and check if the scan tool MB991958 screen is as shown in the figure.

OK: The display of the scan tool MB991958 is as shown in the figure.

Q: Does scan tool MB991958 screen correspond to the illustration?

YES : Repair the wiring harness between ECM connector B-11 and joint connector (CAN3) C-01.

NO : Check ECM connector B-11, and repair if necessary. If the ECM connector is in good condition, replace the ECM.

STEP 13. Using scan tool MB991958, diagnose the CAN bus line. (checking the ABS-ECU [vehicles without ASC] or ASC-ECU [vehicles with ASC] for internal short)

CAUTION:
- Strictly observe the specified wiring harness repair procedure.
- To prevent damage to scan tool MB991958, always turn the ignition switch to the "LOCK" (OFF) position before connecting or disconnecting scan tool MB991958.


1. Disconnect ABS-ECU connector A-01 [vehicles without ASC] or ASC-ECU connector A-02 [vehicles with ASC].







2. Connect scan tool MB991958 to the data link connector.
3. Turn the ignition switch to the "ON" position.







4. Diagnose CAN bus lines, and check if the scan tool MB991958 screen is as shown in the figure.

OK: The display of the scan tool MB991958 is as shown in the figure.

Q: Does scan tool MB991958 screen correspond to the illustration?

YES : Repair the wiring harness between ABS-ECU connector A-01 [vehicles without ASC] or ASC-ECU connector A-02 [vehicles with ASC] and joint connector (CAN3) C-01.

NO : Check ABS-ECU connector A-01 [vehicles without ASC] or ASC-ECU connector A-02 [vehicles with ASC], and repair if necessary. If the ABS-ECU [vehicles without ASC] or ASC-ECU [vehicles with ASC] connector is in good condition, replace the ABS-ECU [vehicles without ASC] or ASC-ECU [vehicles with ASC].

STEP 14. Using scan tool MB991958, diagnose the CAN bus line. (checking the TCM for internal short)

CAUTION:
- Strictly observe the specified wiring harness repair procedure.
- To prevent damage to scan tool MB991958, always turn the ignition switch to the "LOCK" (OFF) position before connecting or disconnecting scan tool MB991958.


1. Disconnect TCM connector C-38.







2. Connect scan tool MB991958 to the data link connector.
3. Turn the ignition switch to the "ON" position.







4. Diagnose CAN bus lines, and check if the scan tool MB991958 screen is as shown in the figure.

OK: The display of the scan tool MB991958 is as shown in the figure.

Q: Does scan tool MB991958 screen correspond to the illustration?

YES : Repair the wiring harness between TCM connector C-38 and joint connector (CAN3) C-01.

NO : Check TCM connector C-38, and repair if necessary. If the TCM connector is in good condition, replace the TCM.

STEP 15. Check the wiring harness between joint connector (CAN2) C-04 and ETACS-ECU connector C-301 for line-to-line short. Measure the resistance at joint connector (CAN2) C-04.

1. Disconnect joint connector (CAN2) and ETACS-ECU connector, and check that there is continuity at the harness side of joint connector (CAN2).







2. Check that there is continuity between joint connector (CAN2) terminals 6 and 19.

OK: No continuity

Q: Is the check result normal?

YES : Go to Step 16.

NO : Repair the wiring harness between joint connector (CAN2) C-04 and ETACS-ECU connector C-301.

STEP 16. Using scan tool MB991958, diagnose the CAN bus line.

CAUTION: To prevent damage to scan tool MB991958, always turn the ignition switch to the "LOCK" (OFF) position before connecting or disconnecting scan tool MB991958.







1. Connect scan tool MB991958 to the data link connector.
2. Turn the ignition switch to the "ON" position.







3. Diagnose CAN bus lines, and check if the scan tool screen is as shown in the illustration.

Q: Does the scan tool screen correspond to the illustration?

YES : The trouble can be an intermittent malfunction

NO : Replace the ETACS-ECU.