Operation CHARM: Car repair manuals for everyone.
Manuals through 2025 now available!

Our trusted friends have launched a new website named LEMON, which has newer manuals. It also contains all the CHARM manuals.

LEMON is the spiritual successor to CHARM, I recommend you try it!

Link: lemon-manuals.la or lemon-manuals.org.ua

(Some people have issue connecting. LEMON is investigating. For now, use Firefox or change your DNS server)

Or, hide this message: temporarily or permanently

Diagnostic Item 5

DIAGNOSTIC ITEM 5: Diagnose shorts in the power supply to CAN-C bus line.

CAUTION: When servicing a CAN bus line, ground yourself by touching a metal object such as an unpainted water pipe. If you fail to do so, a component connected to the CAN bus line may be damaged.


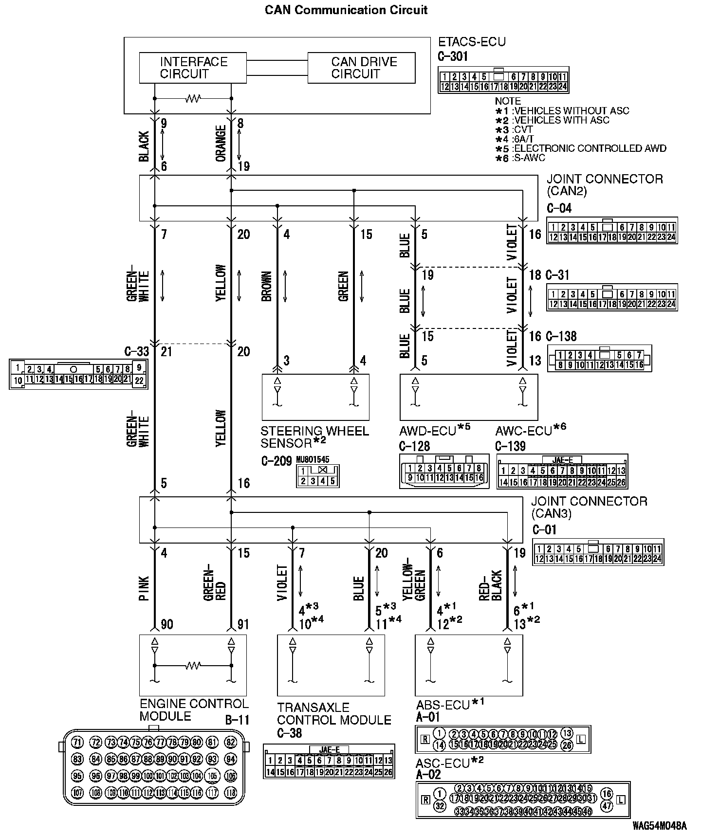
CAN Communication Circuit (Part 1):




CAN Communication Circuit (Part 2):






FUNCTION
If a short to power supply is present in the CAN-C lines, this diagnosis result will be set.

TROUBLE JUDGMENT CONDITIONS
The wiring harness wire or connectors may have loose, corroded, or damage terminals, or terminals pushed back in the connector, or an ECU may be defective.

TROUBLESHOOTING HINTS
- Malfunction of the connector (short to power supply in connector)
- Malfunction of the wiring harness (short to power supply in the CAN-C main or sub bus lines)
- Malfunction of the ECU (ETACS-ECU, or ECUs on CAN-C lines failed)

DIAGNOSIS

Required Special Tools:
- MB991223: Harness Set
- MB992006: Extra Fine Probe
- MB991958: Scan Tool (M.U.T.-III Sub Assembly)
- MB991824: Vehicle Communication Interface (V.C.I.)
- MB991827: M.U.T.-III USB Cable
- MB991910: M.U.T.-III Main Harness A

STEP 1. Check the wiring harness between joint connector (CAN2) C-04 and ETACS-ECU connector C-301 for a short to power supply. Measure the voltage at joint connector (CAN2) C-04.

1. Disconnect joint connector (CAN2), and measure the voltage at the wiring harness side of joint connector (CAN2).
2. Turn the ignition switch to the ON position.







3. Measure the voltage between joint connector (CAN2) terminal 6 and body ground.

OK: 4.7 volts or less







4. Measure the voltage between joint connector (CAN2) terminal 19 and body ground.

OK: 4.7 volts or less

Q: Do all the voltages measure 4.7 volts or less?

YES [vehicles with ASC] : Go to Step 2.

YES [vehicles without ASC (FWD)] : Go to Step 5.

YES [vehicles without ASC (Electric controlled AWD)] : Go to Step 3.

NO : Go to Step 11.

STEP 2. Check the wiring harness between joint connector (CAN2) C-04 and steering wheel sensor connector C-209 for a short to power supply. Measure the voltage at joint connector (CAN2) C-04.

CAUTION:
- A digital multimeter should be used.
- The test wiring harness should be used.


1. Disconnect joint connector (CAN2), and measure the voltage at the wiring harness side of joint connector (CAN2).
2. Turn the ignition switch to the ON position.







3. Measure the voltage between joint connector (CAN2) terminal 4 and body ground.

OK: 4.7 volts or less







4. Measure the voltage between joint connector (CAN2) terminal 15 and body ground.

OK: 4.7 volts or less

Q: Do all the voltages measure 4.7 volts or less?

YES [FWD] : Go to Step 5.

YES [Electric controlled AWD] : Go to Step 3.

YES [S-AWC] : Go to Step 4.

NO : Go to Step 8.

STEP 3. Check the wiring harness between joint connector (CAN2) C-04 and AWD-ECU connector C-128 for a short to power supply. Measure the voltage at joint connector (CAN2) C-04.

1. Disconnect joint connector (CAN2), and measure the voltage at the wiring harness side of joint connector (CAN2).
2. Turn the ignition switch to the ON position.







3. Measure the voltage between joint connector (CAN2) terminal 5 and body ground.

OK: 4.7 volts or less







4. Measure the voltage between joint connector (CAN2) terminal 16 and body ground.

OK: 4.7 volts or less

Q: Do all the voltages measure 4.7 volts or less?

YES : Go to Step 5.

NO : Go to Step 9.

STEP 4. Check the wiring harness between joint connector (CAN2) C-04 and AWC-ECU connector C-139 for a short to power supply. Measure the voltage at joint connector (CAN2) C-04.

1. Disconnect joint connector (CAN2), and measure the voltage at the wiring harness side of joint connector (CAN2).
2. Turn the ignition switch to the ON position.







3. Measure the voltage between joint connector (CAN2) terminal 5 and body ground.

OK: 4.7 volts or less







4. Measure the voltage between joint connector (CAN2) terminal 16 and body ground.

OK: 4.7 volts or less

Q: Do all the voltages measure 4.7 volts or less?

YES : Go to Step 5.

NO : Go to Step 10.

STEP 5. Check the wiring harness between joint connector (CAN3) C-01 and ECM connector B-11 for a short to power supply. Measure the voltage at joint connector (CAN3) C-01.

1. Disconnect joint connector (CAN3), and measure the voltage at the wiring harness side of joint connector (CAN3).
2. Turn the ignition switch to the ON position.







3. Measure the voltage between joint connector (CAN3) terminal 4 and body ground.

OK: 4.7 volts or less







4. Measure the voltage between joint connector (CAN3) terminal 15 and body ground.

OK: 4.7 volts or less

Q: Do all the voltages measure 4.7 volts or less?

YES : Go to Step 6.

NO : Go to Step 12.

STEP 6. Check the wiring harness between joint connector (CAN3) C-01 and ABS-ECU connector A-01 [vehicles without ASC] or ASC-ECU connector A-02 [vehicles with ASC] for a short to power supply. Measure the voltage at joint connector (CAN3) C-01.

1. Disconnect joint connector (CAN3), and measure the voltage at the wiring harness side of joint connector (CAN3).
2. Turn the ignition switch to the ON position.







3. Measure the voltage between joint connector (CAN3) terminal 6 and body ground.

OK: 4.7 volts or less







4. Measure the voltage between joint connector (CAN3) terminal 19 and body ground.

OK: 4.7 volts or less

Q: Do all the voltages measure 4.7 volts or less?

YES [CVT, A/T] : Go to Step 7.

YES [M/T] : Check intermediate connector C-33, and repair if necessary. If the intermediate connector is in good condition, repair the wiring harness between joint connector (CAN2) C-04 and joint connector (CAN3) C-01.

NO : Go to Step 13.

STEP 7. Check the wiring harness between joint connector (CAN3) C-01 and TCM connector C-38 for a short to power supply. Measure the voltage at joint connector (CAN3) C-01.

1. Disconnect joint connector (CAN3), and measure the voltage at the wiring harness side of joint connector (CAN3).
2. Turn the ignition switch to the ON position.







3. Measure the voltage between joint connector (CAN3) terminal 7 and body ground.

OK: 4.7 volts or less







4. Measure the voltage between joint connector (CAN3) terminal 20 and body ground.

OK: 4.7 volts or less

Q: Do all the voltages measure 4.7 volts or less?

YES : Check intermediate connector C-27, and repair if necessary. If the intermediate connector is in good condition, repair the wiring harness between joint connector (CAN2) C-04 and joint connector (CAN3) C-01.

NO : Go to Step 14.

STEP 8. Using scan tool MB991958, diagnose the CAN bus line. (checking the steering wheel sensor for internal short to ground)

CAUTION:
- Strictly observe the specified wiring harness repair procedure.
- To prevent damage to scan tool MB991958, always turn the ignition switch to the "LOCK" (OFF) position before connecting or disconnecting scan tool MB991958.


1. Disconnect steering wheel sensor connector C-209.







2. Connect scan tool MB991958 to the data link connector.
3. Turn the ignition switch to the "ON" position.







4. Diagnose CAN bus lines, and check if the scan tool MB991958 screen is as shown in the figure.

OK: The display of the scan tool MB991958 is as shown in the figure.

Q: Does scan tool MB991958 screen correspond to the illustration?

YES : Repair the wiring harness between steering wheel sensor connector C-209 and joint connector (CAN2) C-04.

NO : Check steering wheel sensor connector C-209, and repair if necessary. If the steering wheel sensor connector is in good condition, replace the steering wheel sensor.

STEP 9. Using scan tool MB991958, diagnose the CAN bus line. (checking the AWD-ECU for internal short to ground)

CAUTION:
- Strictly observe the specified wiring harness repair procedure.
- To prevent damage to scan tool MB991958, always turn the ignition switch to the "LOCK" (OFF) position before connecting or disconnecting scan tool MB991958.


1. Disconnect AWD-ECU connector C-128.







2. Connect scan tool MB991958 to the data link connector.
3. Turn the ignition switch to the "ON" position.







4. Diagnose CAN bus lines, and check if the scan tool MB991958 screen is as shown in the figure.

OK: The display of the scan tool MB991958 is as shown in the figure.

Q: Does scan tool MB991958 screen correspond to the illustration?

YES : Check intermediate connector C-31 and C-138, and repair if necessary. If the intermediate connector is in good condition, repair the wiring harness between AWD-ECU connector C-128 and joint connector (CAN2) C-04.

NO : Check AWD-ECU connector C-128, and repair if necessary. If the AWD-ECU connector is in good condition, replace the AWD-ECU.

STEP 10. Using scan tool MB991958, diagnose the CAN bus line. (checking the AWC-ECU for internal short to ground)

CAUTION:
- Strictly observe the specified wiring harness repair procedure.
- To prevent damage to scan tool MB991958, always turn the ignition switch to the "LOCK" (OFF) position before connecting or disconnecting scan tool MB991958.


1. Disconnect AWC-ECU connector C-139.







2. Connect scan tool MB991958 to the data link connector.
3. Turn the ignition switch to the "ON" position.







4. Diagnose CAN bus lines, and check if the scan tool MB991958 screen is as shown in the figure.

OK: The display of the scan tool MB991958 is as shown in the figure.

Q: Does scan tool MB991958 screen correspond to the illustration?

YES : Check intermediate connector C-31 and C-138, and repair if necessary. If the intermediate connector is in good condition, repair the wiring harness between AWC-ECU connector C-139 and joint connector (CAN2) C-04.

NO : Check AWC-ECU connector C-139, and repair if necessary. If the AWC-ECU connector is in good condition, replace the AWC-ECU.

STEP 11. Check the wiring harness between joint connector (CAN2) C-04 and ETACS-ECU connector C-301 for short to power supply (voltage measurement).

CAUTION:
- A digital multimeter should be used.
- The test wiring harness should be used.
- Strictly observe the specified wiring harness repair procedure.


1. Disconnect ETACS-ECU connector and joint connector (CAN2), and measure at the wiring harness side.
2. Turn the ignition switch to the ON position.







3. Measure the voltage between joint connector (CAN2) terminal 6 and body ground.

OK: 1.0 volts or less







4. Measure the voltage between joint connector (CAN2) terminal 19 and body ground.

OK: 1.0 volts or less

Q: Do all the voltages measure 1.0 volts or less?

YES : Check ETACS-ECU connector C-301, and repair if necessary. If the ETACS-ECU connector is in good condition, replace the ETACS-ECU.

NO : Repair the wiring harness between ETACS-ECU connector C-301 and joint connector (CAN2) C-04.

STEP 12. Using scan tool MB991958, diagnose the CAN bus line. (checking the ECM for internal short to ground)

CAUTION:
- Strictly observe the specified wiring harness repair procedure.
- To prevent damage to scan tool MB991958, always turn the ignition switch to the "LOCK" (OFF) position before connecting or disconnecting scan tool MB991958.


1. Disconnect ECM connector B-11.







2. Connect scan tool MB991958 to the data link connector.
3. Turn the ignition switch to the "ON" position.







4. Diagnose CAN bus lines, and check if the scan tool MB991958 screen is as shown in the figure.

OK: The display of the scan tool MB991958 is as shown in the figure.

Q: Does scan tool MB991958 screen correspond to the illustration?

YES : Repair the wiring harness between ECM connector B-11 and joint connector (CAN3) C-01.

NO : Check ECM connector B-11, and repair if necessary. If the ECM connector is in good condition, replace the ECM.

STEP 13. Using scan tool MB991958, diagnose the CAN bus line. (checking the ABS-ECU [vehicles without ASC] or ASC-ECU [vehicles with ASC] for internal short to ground)

CAUTION:
- Strictly observe the specified wiring harness repair procedure.
- To prevent damage to scan tool MB991958, always turn the ignition switch to the "LOCK" (OFF) position before connecting or disconnecting scan tool MB991958.


1. Disconnect ABS-ECU connector A-01 [vehicles without ASC] or ASC-ECU connector A-02 [vehicles with ASC].







2. Connect scan tool MB991958 to the data link connector.
3. Turn the ignition switch to the "ON" position.







4. Diagnose CAN bus lines, and check if the scan tool MB991958 screen is as shown in the figure.

OK: The display of the scan tool MB991958 is as shown in the figure.

Q: Does scan tool MB991958 screen correspond to the illustration?

YES : Repair the wiring harness between ABS-ECU connector A-01 [vehicles without ASC] or ASC-ECU connector A-02 [vehicles with ASC] and joint connector (CAN3) C-01.

NO : Check ABS-ECU connector A-01 [vehicles without ASC] or ASC-ECU connector A-02 [vehicles with ASC], and repair if necessary. If the ABS-ECU connector [vehicles without ASC] or ASC-ECU connector [vehicles with ASC] is in good condition, replace the ABS-ECU [vehicles without ASC] or ASC-ECU [vehicles with ASC].

STEP 14. Using scan tool MB991958, diagnose the CAN bus line. (checking the TCM for internal short to ground)

CAUTION:
- Strictly observe the specified wiring harness repair procedure.
- To prevent damage to scan tool MB991958, always turn the ignition switch to the "LOCK" (OFF) position before connecting or disconnecting scan tool MB991958.


1. Disconnect TCM connector C-38.







2. Connect scan tool MB991958 to the data link connector.
3. Turn the ignition switch to the "ON" position.







4. Diagnose CAN bus lines, and check if the scan tool MB991958 screen is as shown in the figure.

OK: The display of the scan tool MB991958 is as shown in the figure.

Q: Does scan tool MB991958 screen correspond to the illustration?

YES : Repair the wiring harness between TCM connector C-38 and joint connector (CAN3) C-01.

NO : Check TCM connector C-38, and repair if necessary. If the TCM connector is in good condition, replace the TCM.