Operation CHARM: Car repair manuals for everyone.
Manuals through 2025 now available!

Our trusted friends have launched a new website named LEMON, which has newer manuals. It also contains all the CHARM manuals.

LEMON is the spiritual successor to CHARM, I recommend you try it!

Link: lemon-manuals.la or lemon-manuals.org.ua

(Some people have issue connecting. LEMON is investigating. For now, use Firefox or change your DNS server)

Or, hide this message: temporarily or permanently

Diagnostic Item 7

DIAGNOSTIC ITEM 7: Diagnose when the scan tool cannot receive the data sent by AWC-ECU [S-AWC].

CAUTION: When servicing a CAN bus line, ground yourself by touching a metal object such as an unpainted water pipe. If you fail to do so, a component connected to the CAN bus line may be damaged.


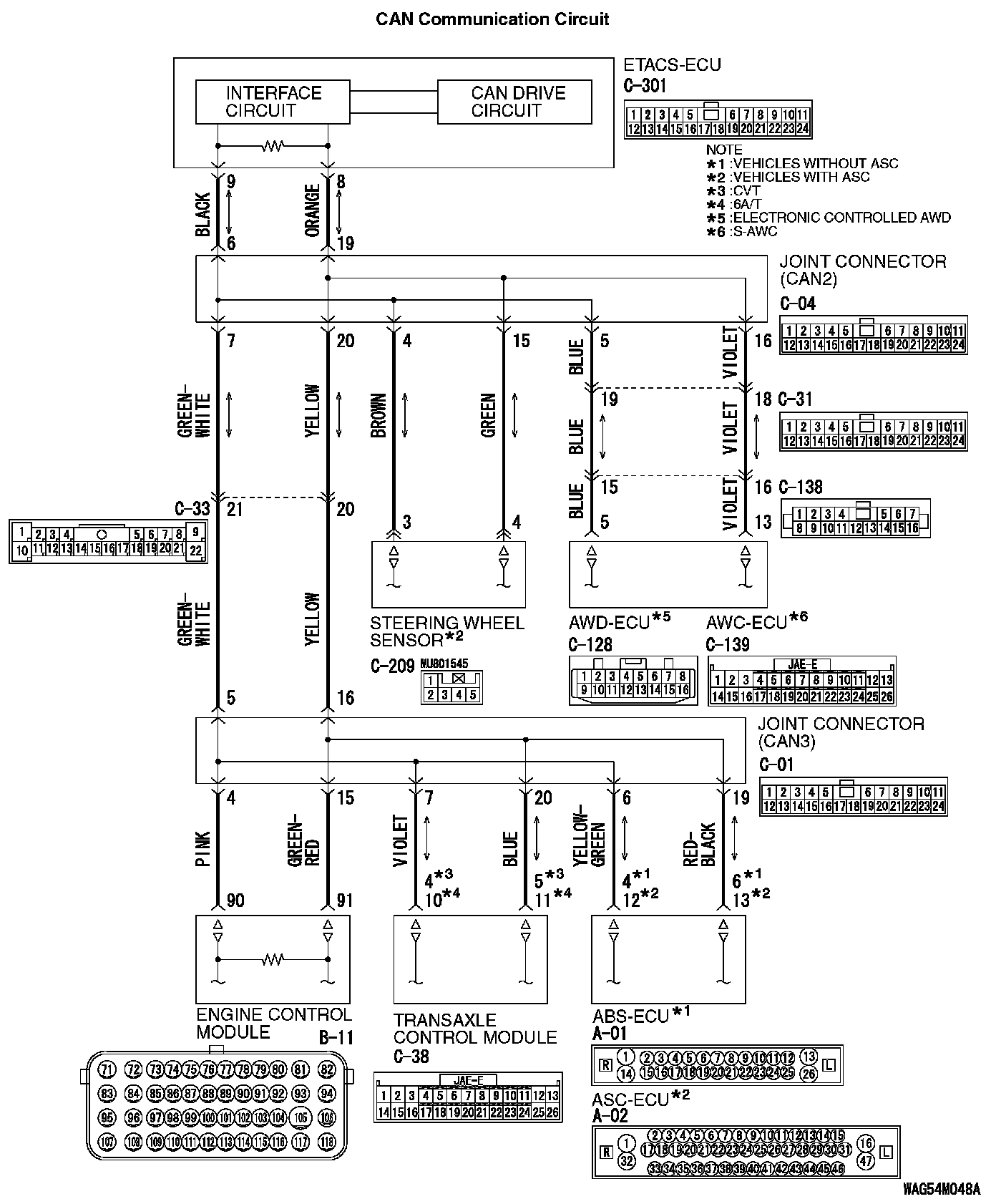
CAN Communication Circuit (Part 1):




CAN Communication Circuit (Part 2):






FUNCTION
If the scan tool MB991958 cannot communicate with the AWC-ECU, this diagnosis result will be set.

TROUBLE JUDGMENT CONDITIONS
If a communication flag is not set for the AWC-ECU, the ETACS-ECU determines that there is a failure.

TROUBLESHOOTING HINTS
- Malfunction of the connector [joint connector (CAN2) or AWC-ECU connector improperly connected]
- Malfunction of the wiring harness [open circuit between the AWC-ECU and the joint connector (CAN2), power supply circuit to the AWC-ECU]
- Malfunction of the AWC-ECU

DIAGNOSIS

Required Special Tools:
- MB991223: Harness Set
- MB992006: Extra Fine Probe

STEP 1. Check joint connector (CAN2) C-04, AWC-ECU connector C-139, intermediate connector C-138 and intermediate connector C-31 for loose, corroded or damaged terminals, or terminals pushed back in the connector.

CAUTION: The strand end of the twisted wire should be within 10 cm (4 inches) from the connector.

Q: Are joint connector (CAN2) C-04, AWC-ECU connector C-139, intermediate connector C-138 and intermediate connector C-31 in good condition?

YES : Go to Step 2.

NO : Repair the damaged parts.

STEP 2. Check the wiring harness between joint connector (CAN2) C-04 and AWC-ECU connector C-139 for open circuit.

CAUTION: Strictly observe the specified wiring harness repair procedure.

1. Disconnect joint connector (CAN2) C-04 and AWC-ECU connector C-301, and check the wiring harness.







2. Check the wiring harness between joint connector (CAN2) C-04 (terminal No.5) and AWC-ECU connector C-139 (terminal No.5)

OK: Continuity exists (2 ohms or less)







3. Check the wiring harness between joint connector (CAN2) C-04 (terminal No.16) and AWC-ECU connector C-139 (terminal No.13)

OK: Continuity exists (2 ohms or less)

Q: Is the wiring harness between joint connector (CAN2) C-04 and AWC-ECU connector C-139 in good condition?

YES : Check the power supply circuit of the AWC-ECU. Refer to S-AWC Diagnosis.

NO : Repair the wiring harness between joint connector (CAN2) C-04 and AWC-ECU connector C-139.