Operation CHARM: Car repair manuals for everyone.
Manuals through 2025 now available!

Our trusted friends have launched a new website named LEMON, which has newer manuals. It also contains all the CHARM manuals.

LEMON is the spiritual successor to CHARM, I recommend you try it!

Link: lemon-manuals.la or lemon-manuals.org.ua

(Some people have issue connecting. LEMON is investigating. For now, use Firefox or change your DNS server)

Or, hide this message: temporarily or permanently

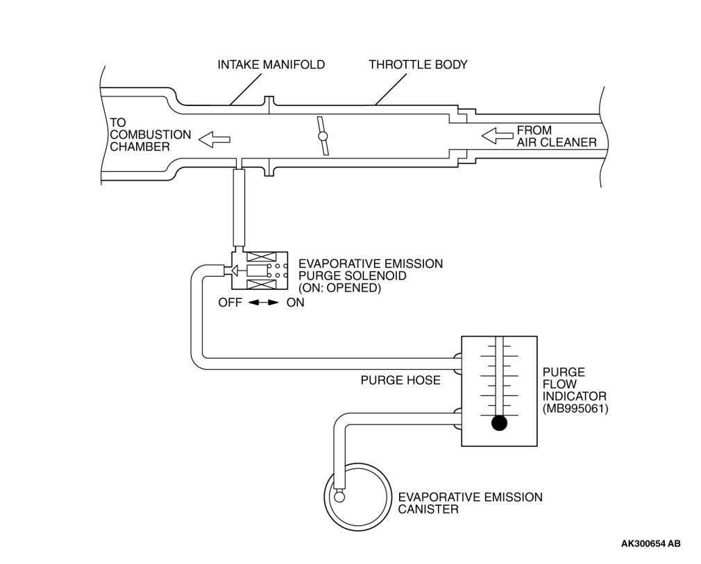
Purge Control System Check




PURGE CONTROL SYSTEM CHECK (PURGE FLOW CHECK)





Required Special Tool:

MB995061: Purge Flow Indicator

1. Disconnect the purge hose from the evaporative emission (EVAP) purge solenoid, and connect special tool MB995061 between the EVAP purge solenoid and the purge hose.

2. Before inspection, set the vehicle in the following conditions:

- Engine coolant temperature: 80 - 95°C (176 - 203°F)
- Lights, electric cooling fan and accessories: OFF
- Transaxle: P range

NOTE:
Vehicles for Canada, the headlight, taillight, etc. remain lit even when the lighting switch is in "OFF" position but this is no problem for checks.

3. Run the engine at idle for more than four minutes.

4. Check the purge flow volume when engine is revved suddenly several times.
Standard value: Momentarily 20 cm3/s (2.5 SCFH) or more.


5. If the purge flow volume is less than the standard value, check it again with the vacuum hose disconnected from the EVAP canister. If the purge flow volume is less than the standard value, check the vacuum port and the vacuum hose for clogging. Also check the EVAP purge solenoid.
If the purge flow volume is at the standard value, replace the EVAP canister.