Operation CHARM: Car repair manuals for everyone.
Manuals through 2025 now available!

Our trusted friends have launched a new website named LEMON, which has newer manuals. It also contains all the CHARM manuals.

LEMON is the spiritual successor to CHARM, I recommend you try it!

Link: lemon-manuals.la or lemon-manuals.org.ua

(Some people have issue connecting. LEMON is investigating. For now, use Firefox or change your DNS server)

Or, hide this message: temporarily or permanently

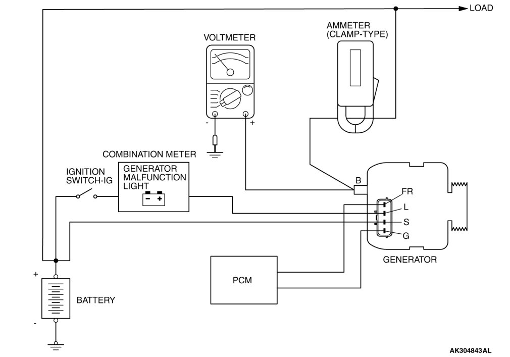
Output Current Test




OUTPUT CURRENT TEST





Required Special Tool:

MB991958: Scan Tool (M.U.T.-III Sub Assembly)
- MB991824: V.C.I.
- MB991827: M.U.T.-III USB Cable
- MB991910: M.U.T.-III Main Harness A
This test determines whether the generator outputs normal current. For best results, use a charging system tester. If not available, follow the steps below.
WARNING:
Battery posts, terminals and related accessories contain lead and lead compounds.
WASH HANDS AFTER HANDLING.

1. Before the test, always be sure to check the following.

- Generator installation
- Battery Battery Check .)
NOTE:
The battery to be used should be slightly discharged. The load in a fully-charged battery will be insufficient and the test may not be able to be carried out correctly.

- Generator drive belt tension Drive Belt Tension and Deflection Check .)
- Fusible link
- Abnormal noise from the generator while the engine is running.
2. Turn the ignition switch to the "LOCK" (OFF) position.
3. Disconnect the negative battery cable.
4. Set the clamp-type DC test ammeter to the generator "B" terminal output wire.
NOTE:
Disconnecting the generator output wire and connecting the ammeter may not thoroughly diagnose an output current drop problem because of an insufficient connection between terminal "B" and the output wire.

5. Connect the voltmeter with a range of 0 - 20 V between the generator "B"
terminal and ground. (Connect the positive lead of the voltmeter to the "B" terminal, and then connect the negative lead of the voltmeter to ground.)
6. Connect the negative battery cable.
7. Connect scan tool MB991958.
8. Leave the hood open.
9. Check to be sure that the reading on the voltmeter is equal to the battery positive voltage.
NOTE:
If the voltage is 0 V, the cause is probably an open circuit in the wire or fusible link between the generator "B" terminal and the battery positive terminal or malfunctioning voltmeter.

10. After turning on the headlights, start the engine.
NOTE:
Because the current from the battery will soon drop after the engine is started, step 11 should be carried out as quickly as possible in order to obtain the maximum current output value.

11. Immediately after setting the headlights to high beam and turning the heater blower switch to the highest position, increase the engine speed to 2,500 r/min and read the maximum current output value displayed on the ammeter.
Limit value: 70 % of nominal current output
NOTE:
For the nominal current output, refer to the Generator Specifications.

NOTE:
The current output value will depend on the electrical load and the temperature of the generator body.

NOTE:
If the electrical load is small while testing, the specified level of current may not be output even though the generator is normal. In such cases, increase the electrical load by leaving the headlights turned on for some time to discharge the battery or by using the lighting system in another vehicle, and then test again.

NOTE:
The specified level of current also may not be output if the temperature of the generator body or the ambient temperature is too high. In such cases, cool the generator and then test again.

12. The reading on the ammeter should be above the limit value. If the reading is below the limit value and the generator output wire is normal, remove the generator from the engine and check the generator.
13. Run the engine at idle speed after the test.
14. Turn the ignition switch to the "LOCK" (OFF) position.
15. Disconnect the scan tool MB991958.
16. Disconnect the negative battery cable.
17. Disconnect the ammeter and voltmeter.
18. Connect the negative battery cable.