Operation CHARM: Car repair manuals for everyone.
Manuals through 2025 now available!

Our trusted friends have launched a new website named LEMON, which has newer manuals. It also contains all the CHARM manuals.

LEMON is the spiritual successor to CHARM, I recommend you try it!

Link: lemon-manuals.la or lemon-manuals.org.ua

(Some people have issue connecting. LEMON is investigating. For now, use Firefox or change your DNS server)

Or, hide this message: temporarily or permanently

Inspection Procedure 23

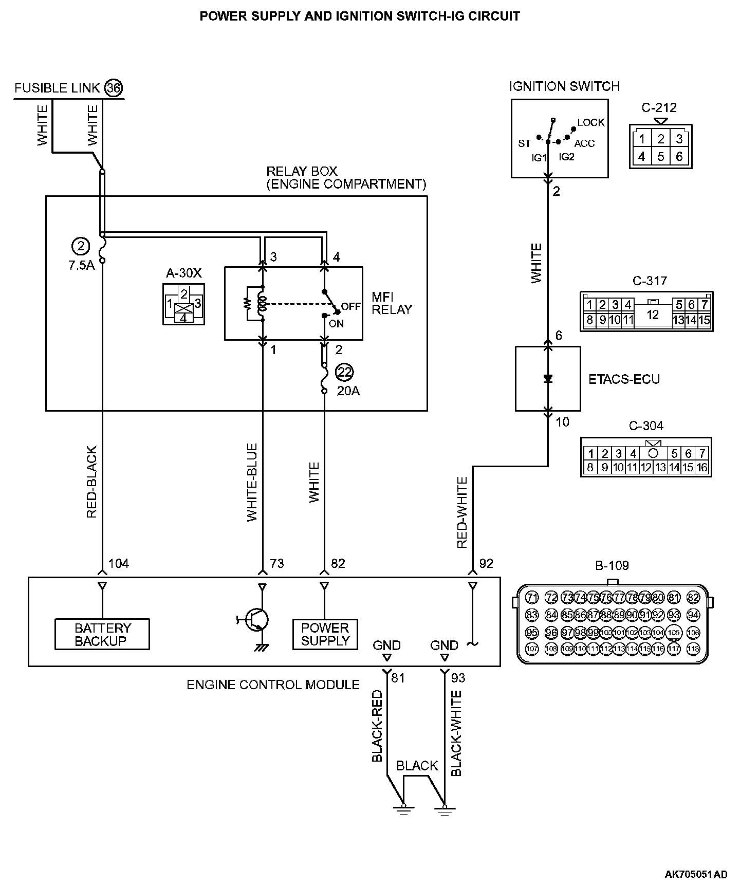
Inspection Procedure 23: Power Supply System And Ignition Switch-IG System










CIRCUIT OPERATION
- Battery positive voltage is applied to the MFI relay (terminals No. 3, No. 4).
- When the ignition switch is turned to the "ON" position, battery positive voltage is applied to the ECM (terminal No. 92). When battery positive voltage is applied, the ECM turns the power transistor in the ECM "ON" and grounds the MFI relay coil. With this, the MFI relay turns "ON" the battery positive voltage is supplied to the ECM (terminals No. 82) from the MFI relay (terminal No. 2).
- A battery positive voltage is constantly supplied to the ECM (terminal No. 104) as the backup power.
- The ECM (terminals No. 81, No. 93) is grounded to the vehicle body.

COMMENT
- When the ignition switch "ON" signal is input into the ECM via ETACS-ECU, the ECM turns "ON" the MFI relay. This causes battery positive voltage to be supplied to the ECM, sensor and actuator.

TROUBLESHOOTING HINTS (The most likely causes for this code to be set are:)
- Ignition switch failed.
- MFI relay failed.
- Open or shorted power supply and ignition switch-IG circuit, harness damage or connector damage.
- ECM failed.

DIAGNOSIS

STEP 1. Check harness connector A-30X at MFI relay for damage.

Q: Is the harness connector in good condition?

YES : Go to Step 2.

NO : Repair or replace it. Then confirm that the malfunction symptom is eliminated.

STEP 2. Check the MFI relay.







1. Remove the MFI relay.
2. Check for continuity between the MFI relay terminals No. 1 and No. 3.
- There should be continuity.







3. Use jumper wires to connect MFI relay terminal No. 3 to the positive battery terminal and terminal No. 1 to the negative battery terminal.
4. Check for continuity between the MFI relay terminals No. 4 and No. 2 while connecting and disconnecting the jumper wire at the negative battery terminal.
- Continuity (2 ohms or less). [Negative battery terminal connected]
- Should be open loop. [Negative battery terminal disconnected]

5. Install the MFI relay.

Q: Is the measured resistance normal?

YES : Go to Step 3.

NO : Replace the MFI relay. Then confirm that the malfunction symptom is eliminated.

STEP 3. Measure the power supply voltage at MFI relay harness side connector A-30X.

1. Disconnect the connector A-30X and measure at the harness side.







2. Measure the voltage between terminals No. 3, No. 4 and ground.
- Voltage should be battery positive voltage.

Q: Is battery positive voltage (approximately 12 volts) present?

YES : Go to Step 4.

NO : Repair harness wire between fusible link (36) and MFI relay connector A-30X (terminals No. 3, No. 4) because of open circuit or short circuit to ground. Then confirm that the malfunction symptom is eliminated.

STEP 4. Check harness connector B-109 at ECM for damage.

Q: Is the harness connector in good condition?

YES : Go to Step 5.

NO : Repair or replace it. Then confirm that the malfunction symptom is eliminated.

STEP 5. Measure the ignition switch-IG signal voltage at ECM harness side connector B-109.

1. Disconnect the connector B-109 and measure at the harness side.
2. Turn the ignition switch to the "ON" position.







3. Measure the voltage between terminal No. 92 and ground.
- Voltage should be battery positive voltage.

4. Turn the ignition switch to the "LOCK" (OFF) position.

Q: Is battery positive voltage (approximately 12 volts) present?

YES : Go to Step 11.

NO : Go to Step 6.

STEP 6. Check harness connector C-304, C-317 at ETACS-ECU for damage.

Q: Are the harness connectors in good condition?

YES : Go to Step 7.

NO : Repair or replace them. Then confirm that the malfunction symptom is eliminated.

STEP 7. Measure the ignition switch-IG signal voltage at ETACS-ECU harness side connector C-317.

1. Disconnect the connector C-317 and measure at the harness side.
2. Turn the ignition switch to the "ON" position.







3. Measure the voltage between terminal No. 6 and ground.
- Voltage should be battery positive voltage.

4. Turn the ignition switch to the "LOCK" (OFF) position.

Q: Is battery positive voltage (approximately 12 volts) present?

YES : Go to Step 10.

NO : Go to Step 8.

STEP 8. Check harness connector C-212 at ignition switch for damage.

Q: Is the harness connector in good condition?

YES : Go to Step 9.

NO : Repair or replace it. Then confirm that the malfunction symptom is eliminated.

STEP 9. Check the ignition switch
Refer to ignition switch - Inspection - Ignition Switch Continuity Check. Ignition Switch Inspection

Q: Are there any abnormalities?

YES : Replace the ignition switch. Then confirm that the malfunction symptom is eliminated.

NO : Repair harness wire between ignition switch connector C-212 (terminal No. 2) and ETACS-ECU connector C-317 (terminal No. 6) because of open circuit or short circuit to ground. Then confirm that the malfunction symptom is eliminated.

STEP 10. Check the continuity at ETACS-ECU side connector C-304 and C-317.

1. Disconnect the connector C-304, C-317 and measure at the ETACS-ECU side.







2. Check for the continuity between connector C-304 (terminal No. 10) and connector C-317 (terminal No. 6).

NOTE: Connect the positive side of circuit tester to connector C-304 (terminal No. 10).

- Continuity.

Q: Does continuity exist?

YES : Repair harness wire between ETACS-ECU connector C-304 (terminal No. 10) and ECM connector B-109 (terminal No. 92) because of open circuit or short circuit to ground. Then confirm that the malfunction symptom is eliminated.

NO : Replace the ETACS-ECU. Then confirm that the malfunction symptom is eliminated.

STEP 11. Check harness connector C-304, C-317 at ETACS-ECU for damage.

Q: Are the harness connectors in good condition?

YES : Go to Step 12.

NO : Repair or replace them. Then confirm that the malfunction symptom is eliminated.

STEP 12. Check the continuity at ETACS-ECU side connector C-304 and C-317.

1. Disconnect the connector C-304, C-317 and measure at the ETACS-ECU side.







2. Check for the continuity between connector C-304 (terminal No. 10) and connector C-317 (terminal No. 6).

NOTE: Connect the positive side of circuit tester to connector C-304 (terminal No. 10).

- Continuity.

Q: Does continuity exist?

YES : Go to Step 13.

NO : Replace the ETACS-ECU. Then confirm that the malfunction symptom is eliminated.

STEP 13. Check harness connector C-212 at ignition switch for damage.

Q: Is the harness connector in good condition?

YES : Go to Step 14.

NO : Repair or replace it. Then confirm that the malfunction symptom is eliminated.

STEP 14. Check for harness damage between ignition switch connector C-212 (terminal No. 2) and ETACS-ECU connector C-317 (terminal No. 6).

Q: Is the harness wire in good condition?

YES : Go to Step 15.

NO : Repair it. Then confirm that the malfunction symptom is eliminated.

STEP 15. Check for harness damage between ETACS-ECU connector C-304 (terminal No. 10) and ECM connector B-109 (terminal No. 92).

Q: Is the harness wire in good condition?

YES : Go to Step 16.

NO : Repair it. Then confirm that the malfunction symptom is eliminated.

STEP 16. Measure the power supply voltage at ECM harness side connector B-109.

1. Disconnect the connector B-109 and measure at the harness side.







2. Measure the voltage between terminal No. 104 and ground.
- Voltage should be battery positive voltage.

Q: Is battery positive voltage (approximately 12 volts) present?

YES : Go to Step 17.

NO : Repair harness wire between fusible link (36) and ECM connector B-109 (terminal No. 104) because of open circuit or short circuit to ground. Then confirm that the malfunction symptom is eliminated.

STEP 17. Check the continuity at ECM harness side connector B-109.

1. Disconnect the connector B-109 and measure at the harness side.







2. Check for the continuity between terminals No. 81, No. 93 and ground.
- Continuity (2 ohms or less).

Q: Does continuity exist?

YES : Go to Step 18.

NO : Repair harness wire between ECM connector B-109 (terminal No. 81, No. 93) and ground because of open circuit or harness damage. Then confirm that the malfunction symptom is eliminated.

STEP 18. Measure the power supply voltage at ECM harness side connector B-109.

1. Disconnect the connector B-109 and measure at the harness side.







2. Measure the voltage between terminal No. 73 and ground.
- Voltage should be battery positive voltage.

Q: Is battery positive voltage (approximately 12 volts) present?

YES : Go to Step 19.

NO : Repair harness wire between MFI relay connector A-30X (terminal No. 1) and ECM connector B-109 (terminal No. 73) because of open circuit or short circuit to ground. Then confirm that the malfunction symptom is eliminated.

STEP 19. Measure the power supply voltage at ECM harness side connector B-109.

1. Disconnect the connector B-109 and measure at the harness side.
2. Short-circuit the terminal No. 73 of the ECM harness connector to the ground.







3. Measure the voltage between terminal No. 82 and ground.
- Voltage should be battery positive voltage.

Q: Is battery positive voltage (approximately 12 volts) present?

YES : Go to Step 22.

NO : Go to Step 20.

STEP 20. Check for open circuit and short circuit to ground between MFI relay connector A-30X (terminal No. 2) and ECM connector B-109 (terminal No. 82).

Q: Is the harness wire in good condition?

YES : Go to Step 21.

NO : Repair it. Then confirm that the malfunction symptom is eliminated.

STEP 21. Check for harness damage between fusible link (36) and MFI relay connector A-30X (terminal No. 3, No. 4).

Q: Is the harness wire in good condition?

YES : Repair harness wire between MFI relay connector A-30X (terminal No. 1) and ECM connector B-109 (terminal No. 73) because of harness damage. Then confirm that the malfunction symptom is eliminated.

NO : Repair it. Then confirm that the malfunction symptom is eliminated.

STEP 22. Check for harness damage between MFI relay connector A-30X (terminal No. 2) and ECM connector B-109 (terminal No. 82).

Q: Is the harness wire in good condition?

YES : Replace the ECM. Then confirm that the malfunction symptom is eliminated.

NO : Repair it. Then confirm that the malfunction symptom is eliminated.