Operation CHARM: Car repair manuals for everyone.
Manuals through 2025 now available!

Our trusted friends have launched a new website named LEMON, which has newer manuals. It also contains all the CHARM manuals.

LEMON is the spiritual successor to CHARM, I recommend you try it!

Link: lemon-manuals.la or lemon-manuals.org.ua

(Some people have issue connecting. LEMON is investigating. For now, use Firefox or change your DNS server)

Or, hide this message: temporarily or permanently

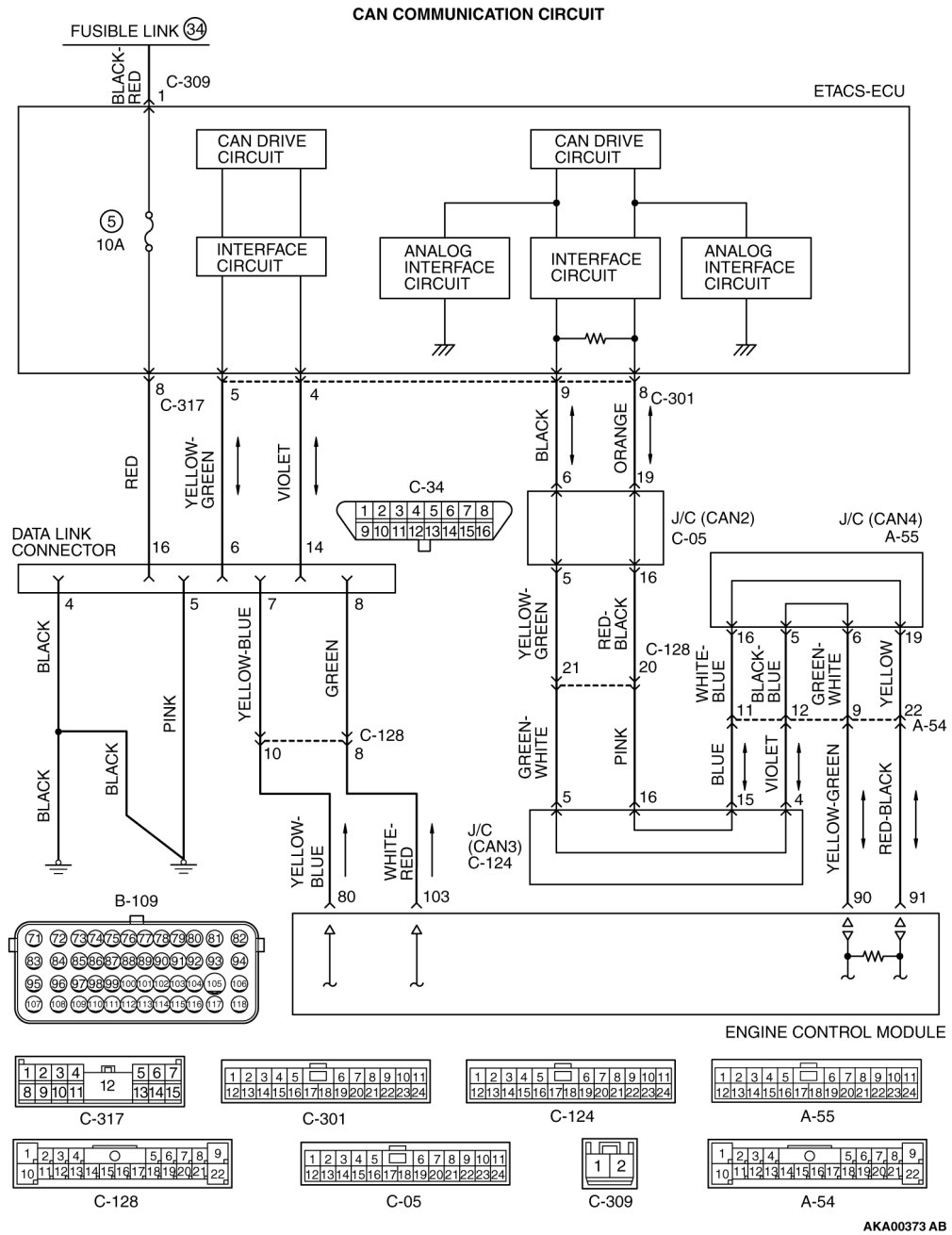
Inspection Procedure 1




Inspection procedure 1: Communication with ECM is not possible


































CIRCUIT OPERATION

- Battery voltage is applied to the data link connector (terminal No. 16).
- The data link connector (terminal No. 4 and No. 5) is grounded to the vehicle body.

COMMENT

- When the communication between scan tool MB991958 and ECM is impossible, it can be suspected that the CAN bus line, power supply circuit of the data link connector, and/or grounding circuit are defective.
- Communication can not be achieved either, if a wrong vehicle type is selected on scan tool MB991958.

TROUBLESHOOTING HINTS (The most likely causes for this case:)

- Battery failed.
- Open or shorted data link connector circuit, harness damage or connector damage.
- CAN communication failed.
- Scan tool failed.
- ETACS-ECU failed.
- ECM failed.

DIAGNOSIS

Required Special Tool:

- MB991958: Scan Tool (M.U.T.-III Sub Assembly)
- MB991824: V.C.I.
- MB991827: USB Cable
- MB991910: Main Harness A

STEP 1. Check the vehicle communication interface (V.C.I.) MB991824 operations.





CAUTION:
To prevent damage to scan tool MB991958, always turn the ignition switch to the "LOCK"
(OFF) position before connecting or disconnecting scan tool MB991958.

(1)Connect scan tool MB991958 to the data link connector.
(2)When the power of V.C.I. is turned to ON, the indicator lamp of the V.C.I. illuminates in green.

- The indicator lamp of the V.C.I. illuminates in green.

Q. Is the indicator lamp of the V.C.I. illuminates in green?

YES Go to Step 14.

NO Go to Step 2.

STEP 2. Check the battery.

Battery Test.

Q. Are there any abnormalities?

YES Replace the battery. Then confirm that the malfunction symptom is eliminated.
NO Go to Step 3.
STEP 3. Check harness connector C-34 at data link connector for damage.

Q. Is the harness connector in good condition?

YES Go to Step 4.
NO Repair or replace it. Harness Connector Inspection.
Then confirm that the malfunction symptom is eliminated.
STEP 4. Measure the power supply voltage at data link connector harness side connector C-34.





Measure the voltage between terminal No. 16 and ground.

- Voltage should be battery positive voltage.

Q. Is battery positive voltage (approximately 12 volts) present?

YES Go to Step 9.

NO Go to Step 5.

STEP 5. Check harness connector C-317 at ETACS-ECU for damage.

Q. Is the harness connector in good condition?

YES Go to Step 6.
NO Repair or replace it. Harness Connector Inspection.
Then confirm that the malfunction symptom is eliminated.
STEP 6. Check for open circuit and short circuit to ground between ETACS-ECU connector C-317 (terminal No. 8) and data link connector C-34 (terminal No. 16).

Q. Is the harness wire in good condition?

YES Go to Step 7.
NO Repair it. Then confirm that the malfunction symptom is eliminated.
STEP 7. Check harness connector C-309 at ETACS-ECU for damage.

Q. Is the harness connector in good condition?

YES Go to Step 8.
NO Repair or replace it. Harness Connector Inspection.
Then confirm that the malfunction symptom is eliminated.
STEP 8. Check for open circuit and short circuit to ground between battery and ETACS-ECU connector C-309 (terminal No. 1).

Q. Is the harness wire in good condition?

YES Check No. 5 fuse in the ETACS-ECU, and replace as required. If the fuse is in good condition, replace the ETACS-ECU. Then confirm that the malfunction symptom is eliminated.
NO Repair it. Then confirm that the malfunction symptom is eliminated.
STEP 9. Check the continuity at data link connector harness side connector C-34.





Check for the continuity between terminal No. 4, No. 5 and ground.

- Continuity (2 ohms or less)

Q. Does continuity exist?

YES Go to Step 10.

NO Repair harness wire between data link connector C-34 (terminals No. 4, No. 5) and ground because of open circuit or harness damage. Then confirm that the malfunction symptom is eliminated.

STEP 10. Check harness connector C-309 and C-317 at ETACS-ECU for damage.

Q. Are the harness connectors in good condition?

YES Go to Step 11.
NO Repair or replace them. Harness Connector Inspection.
Then confirm that the malfunction symptom is eliminated.
STEP 11. Check the continuity at ETACS-ECU connectors C-309 and C-317.

(1)Disconnect the connectors C-309, C-317 and measure at the ETACS-ECU side.

(2)Check for the continuity between terminal No. 1 (C-309) and terminal No. 8 (C-317).

- Continuity

Q. Does continuity exist?

YES Go to Step 12.
NO Check No. 5 fuse in the ETACS-ECU, and replace as required. If the fuse is in good condition, replace the ETACS-ECU. Then confirm that the malfunction symptom is eliminated.
STEP 12. Check for harness damage between battery and ETACS-ECU connector C-309 (terminal No. 1).

Q. Is the harness wire in good condition?

YES Go to Step 13.
NO Repair it. Then confirm that the malfunction symptom is eliminated.
STEP 13. Check for harness damage between ETACS-ECU connector C-317
(terminal No. 8) and data link connector C-34 (terminal No. 16).


Q. Is the harness wire in good condition?

YES Refer to the scan tool MB991958 reference.
NO Repair it. Then confirm that the malfunction symptom is eliminated.
STEP 14. Using scan tool MB991958, diagnose CAN bus line.

(1)Turn the ignition switch to the "ON" position.

(2)Diagnose CAN bus line.

(3)Turn the ignition switch to the "LOCK" (OFF) position.

Q. Is the CAN bus line normal?

YES Refer to, Inspection Procedure 23 - Power Supply System and Ignition Switch-IG System Inspection Procedure 23.
NO Repair the CAN bus line. CAN Bus Diagnostics Chart. Then confirm that the malfunction symptom is eliminated.