Operation CHARM: Car repair manuals for everyone.
Manuals through 2025 now available!

Our trusted friends have launched a new website named LEMON, which has newer manuals. It also contains all the CHARM manuals.

LEMON is the spiritual successor to CHARM, I recommend you try it!

Link: lemon-manuals.la or lemon-manuals.org.ua

(Some people have issue connecting. LEMON is investigating. For now, use Firefox or change your DNS server)

Or, hide this message: temporarily or permanently

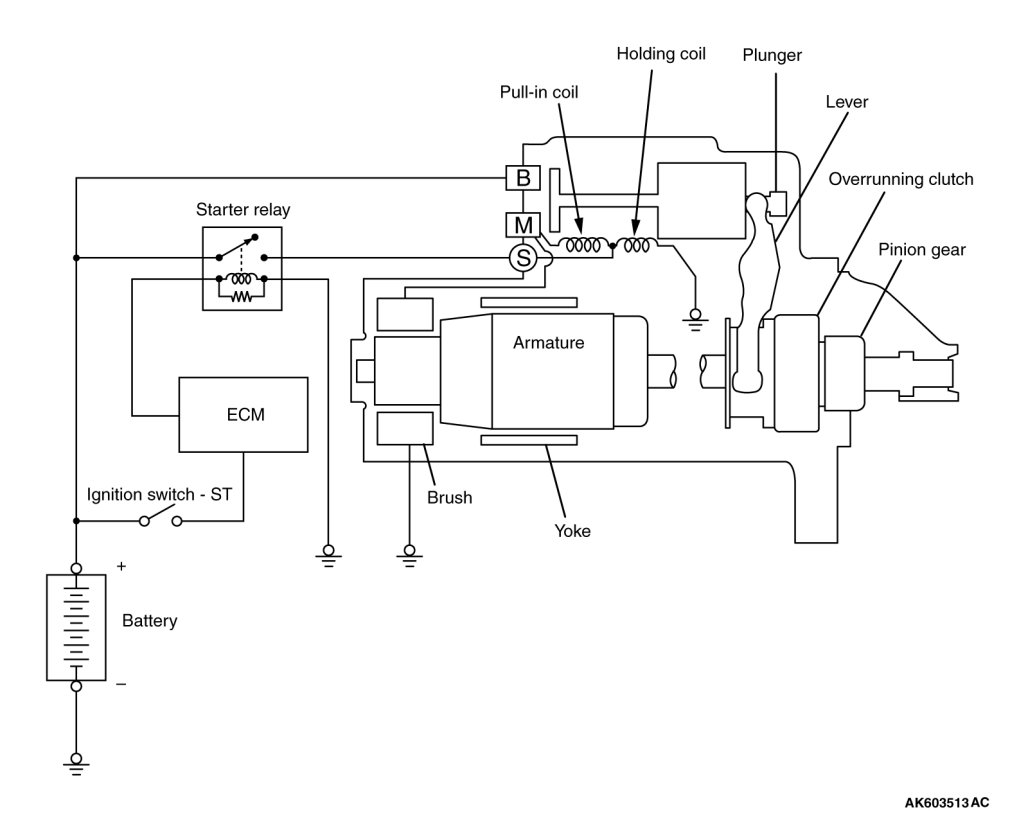
Starting System: Description and Operation




GENERAL INFORMATION

If the ignition switch is turned to the "START" position, current flows in the coil provided inside magnetic switch, attracting the plunger. When the plunger is attracted, the lever connected to the plunger is actuated to engage the starter clutch.
On the other hand, attracting the plunger will turn on the magnetic switch, allowing the
"B" terminal and "M" terminal to conduct. Thus, current flows to engage the starter motor.
When the ignition switch is returned to the "ON" position after starting the engine, the starter clutch is disengaged from the ring gear.
An overrunning clutch is provided between the pinion and the armature shaft, to prevent damage to the starter.






OPERATION

For models equipped with A/T, when the ignition switch is turned to the "ST"
position while the selector lever is at the "P" or "N" position, the contact (magnetic switch) of the starter is switched ON and the starter motor is activated.