Operation CHARM: Car repair manuals for everyone.
Manuals through 2025 now available!

Our trusted friends have launched a new website named LEMON, which has newer manuals. It also contains all the CHARM manuals.

LEMON is the spiritual successor to CHARM, I recommend you try it!

Link: lemon-manuals.la or lemon-manuals.org.ua

(Some people have issue connecting. LEMON is investigating. For now, use Firefox or change your DNS server)

Or, hide this message: temporarily or permanently

Remote Engine Start - Information/Troubleshooting

No: TSB-1-66-001

DATE: October, 2011

MODEL: See below

SUBJECT:

ACCESSORY REMOTE ENGINE START

PURPOSE

This TSB contains technical information and troubleshooting for the accessory Remote Engine Start system for affected vehicles.

AFFECTED VEHICLES

The following vehicles except manual transmission models:

2009-2011 Endeavor
2010-2012 Eclipse/Eclipse Spyder
2009.5-2012 Galant
2009-2011 Lancer
2010-2011 Lancer Sportback
2009-2012 Outlander
2011-2012 Outlander Sport

TABLE OF CONTENTS








Remote Engine Start Kits and Transmitters

Wire Routing














Transmitter Operation








Setting Engine Idle Time





Programming the RKE System





Programming the KOS System





Programming the Keyless Push Start System











Common Remote Engine Start Issues



































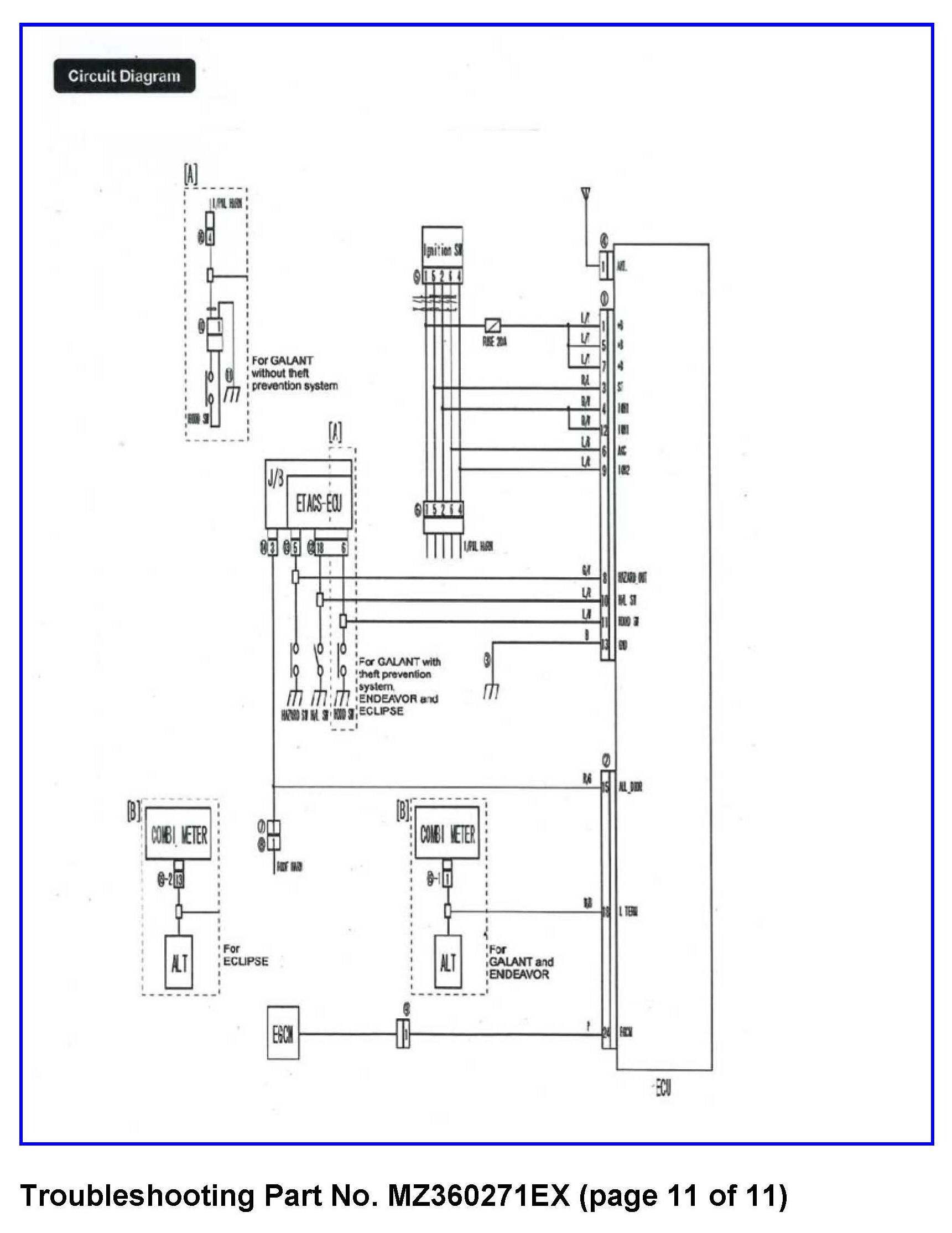
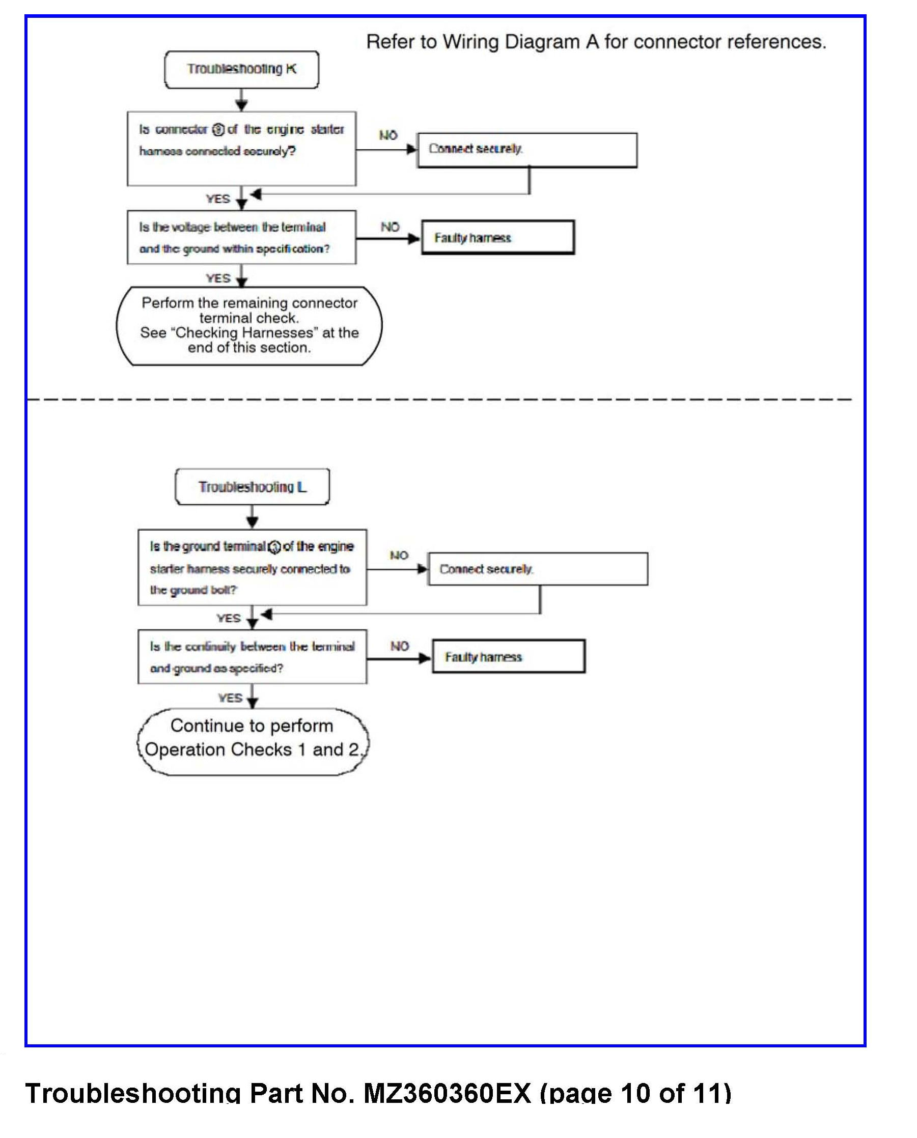
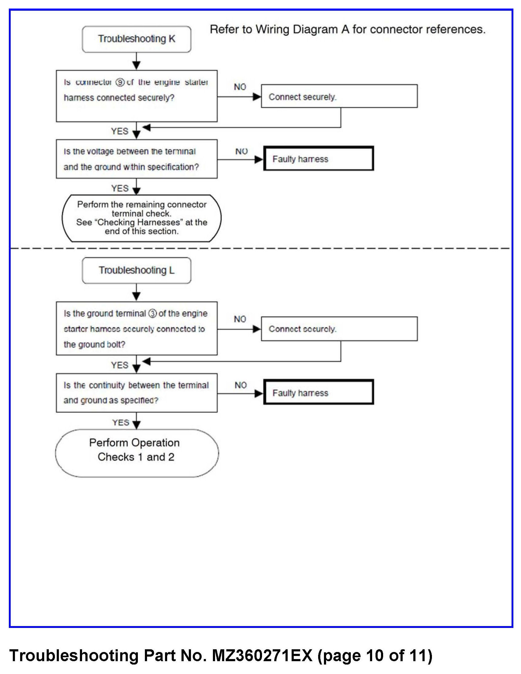
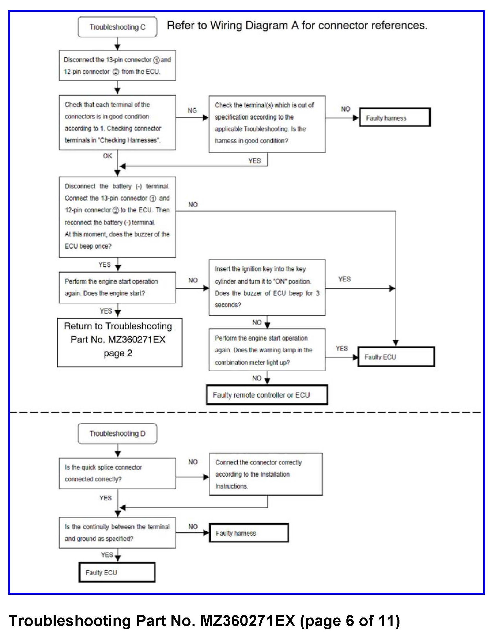
Troubleshooting Part No. MZ360271EX




















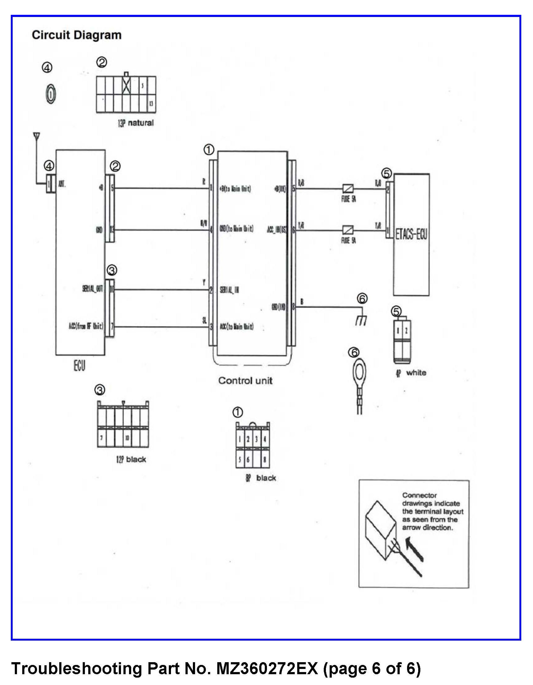
Troubleshooting Part No. MZ360272EX























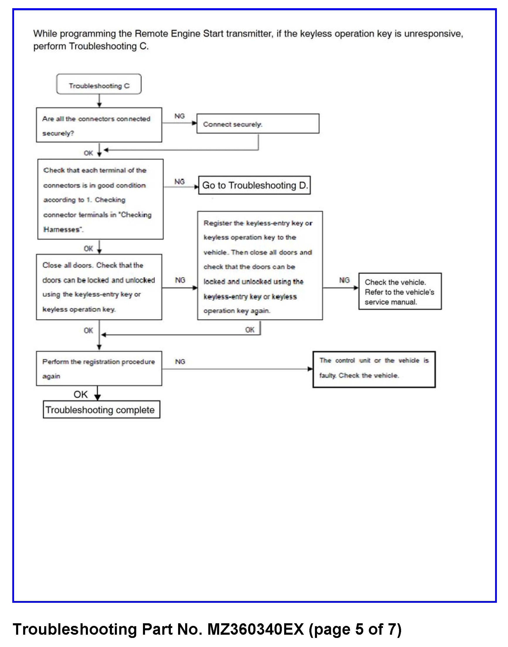
Troubleshooting Part No. MZ360340EX



































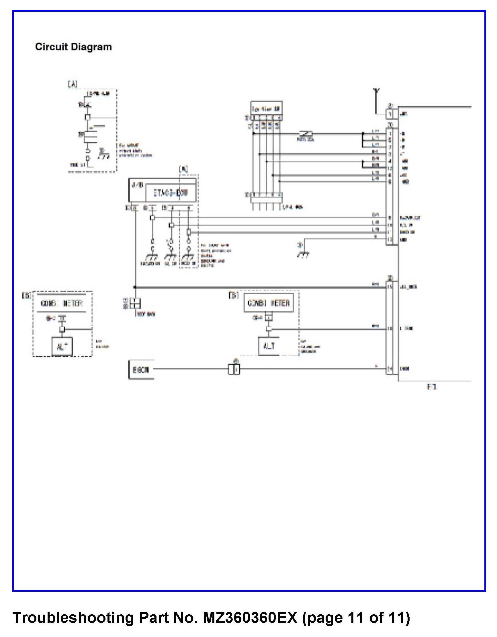
Troubleshooting Part No. MZ360360EX

OVERVIEW

Remote engine start allows starting the engine from a distance before entering the vehicle. Use the Remote Engine Start transmitter to start or stop the engine. The engine will idle for a preset period of time (5 10 20 or 30 minutes) or when specific conditions are detected. The factory default is 10 minutes.

For remote starting to occur the following requirements must be met:

^ Transmission in P (Park)

^ All doors closed including liftgate/trunk. (Door locking/unlocking is not affected by remote start.)

^ Engine hood closed

^ Key removed from ignition (for KOS equipped vehicles the ignition switch is in the LOCK position)

^ Transmitter within approximately 150 feet of the vehicle

After the engine is started with the Remote Engine Start transmitter it will stop if any of the following conditions are detected:

^ A door (or liftgate/trunk) is opened

^ The accelerator pedal is pressed (except Endeavor Galant and Eclipse models)

^ The engine hood is opened.

^ The key is inserted into the ignition switch (for KOS vehicles the ignition switch is turned from the LOCK position).

Additional Resources

1. Remote Engine Start installation and basic troubleshooting information are on the Mitsubishi Dealer Link:

a. Log onto the Mitsubishi Dealer Link.

b. Under the "Parts" tab, click on "accessories".

c. On the left side of the screen, click on "Parts & Accessories Guide".

d. Select the appropriate vehicle model year.

e. Enter the Remote Engine Start Kit part number (see part number listing earlier in this bulletin).

2. Remote Engine Start informational videos for some models are on the Mitsubishi Dealer Link:

a. Log onto the Mitsubishi Dealer Link.

b. Under the "Service" tab, click on "systems".

c. On the left side of the screen, click on "Techline Videos".

d. The videos will be listed on the left menu bar. Click on the desired video link.

WARRANTY INFORMATION

This TSB provides technical information only.