Operation CHARM: Car repair manuals for everyone.
Manuals through 2025 now available!

Our trusted friends have launched a new website named LEMON, which has newer manuals. It also contains all the CHARM manuals.

LEMON is the spiritual successor to CHARM, I recommend you try it!

Link: lemon-manuals.la or lemon-manuals.org.ua

(Some people have issue connecting. LEMON is investigating. For now, use Firefox or change your DNS server)

Or, hide this message: temporarily or permanently

Transmission Control System Relay: Testing and Inspection




A/T CONTROL RELAY CHECK





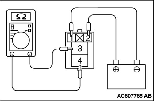
1. Remove the A/T control relay.





2. Use jumper wires to connect A/T control relay terminal No.1 to the negative battery terminal and terminal No.2 to the positive battery terminal.
3. Check for continuity between A/T control relay terminals No.3 and No.4 when the jumper wires are connected to and disconnected from the battery.





4. If there is any problem with the A/T control relay, replace it.