Operation CHARM: Car repair manuals for everyone.
Manuals through 2025 now available!

Our trusted friends have launched a new website named LEMON, which has newer manuals. It also contains all the CHARM manuals.

LEMON is the spiritual successor to CHARM, I recommend you try it!

Link: lemon-manuals.la or lemon-manuals.org.ua

(Some people have issue connecting. LEMON is investigating. For now, use Firefox or change your DNS server)

Or, hide this message: temporarily or permanently

Inspection Procedure 31




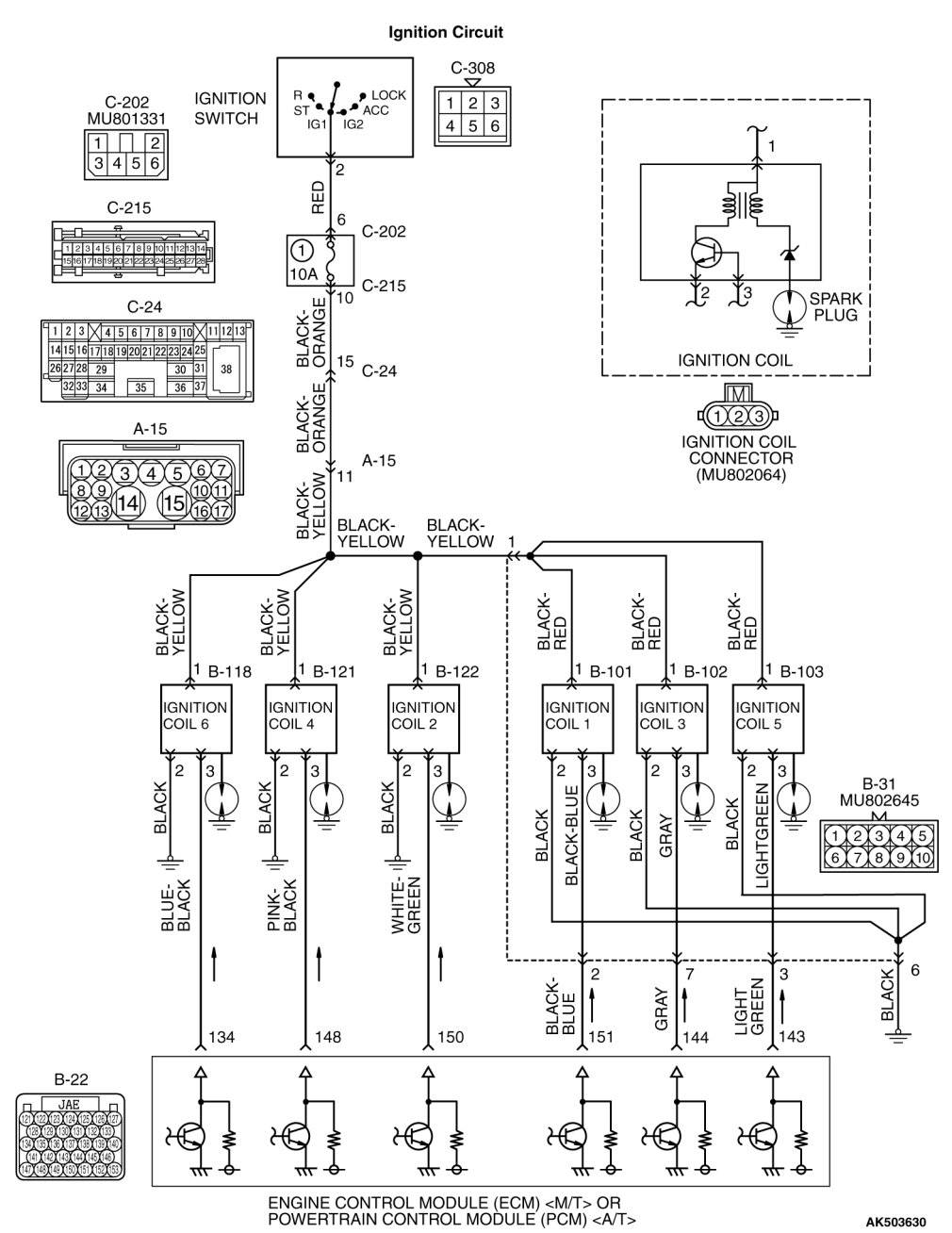
INSPECTION PROCEDURE 31: Ignition Circuit System






































CIRCUIT OPERATION

- The ignition coil is energized by battery positive voltage from the ignition switch.
- When the ECM[ M/T] or the PCM[ A/T] turns off its internal power transistor, battery positive voltage is applied to the ignition power transistor (terminal No. 3) inside the ignition coil, causing the ignition power transistor to be turned on.
- If the ignition power transistor is turned on, the primary circuit of the ignition coil is energized by grounding the ignition coil through terminal No. 2, causing the primary current to flow to the ignition coil.

TROUBLESHOOTING HINTS (The most likely causes for this case:)

- Malfunction of the ignition coil.
- Malfunction of the ignition power transistor.
- Improper connector contact, open circuit or short-circuit harness wire.
- Malfunction of the ECM[ M/T] or the PCM[ A/T].

DIAGNOSIS

STEP 1. Check the ignition coil.

(1)Remove the intake manifold.

(2) Testing and Inspection.

Q. Are there any abnormalities?

YES Replace the ignition coil. Then confirm that the malfunction symptom is eliminated.
NO Go to Step 2.
STEP 2. Check harness connectors B-101, B-102, B-103, B-118, B-121, B-122 at ignition coil for damage.





Q. Is the harness connector in good condition?

YES Go to Step 3.

NO Repair or replace it. Harness Connector Inspection.
Then confirm that the malfunction symptom is eliminated.

STEP 3. Measure the power supply voltage at ignition coil connectors B-101, B-102, B-103, B-118, B-121, B-122.





(1)Disconnect the connector B-101, B-102, B-103, B-118, B-121 and B-122 measure at the harness side.
(2)Turn the ignition switch to the "ON" position.





(3)Measure the voltage between terminal No. 1 and ground.

- Voltage should be battery positive voltage.
(4)Turn the ignition switch to the "LOCK" (OFF) position.

Q. Is battery positive voltage (approximately 12 volts) present?

YES Go to Step 4.

NO Check the connectors A-15, C-24, C-215, C-202 and C-308 at intermediate connectors for damage, and repair or replace as required. Harness Connector Inspection.
If intermediate connectors are in good condition, repair harness wire between ignition switch connector C-308 (terminal No. 2) and ignition coil connectors B-101, B-102, B-121 and B-122
(terminal No. 1) because of open circuit. Then confirm that the malfunction symptom is eliminated.

STEP 4. Check the circuit at ignition coil harness side connectors B-101, B-102, B-103, B-118, B-121, B-122.





(1)Disconnect the connectors B-101, B-102, B-103, B-118, B-121, B-122 and measure at the harness side.
(2)Crank the engine.





(3)Measure the voltage between terminal No. 3 and ground.
NOTE:
The average voltage through an analog voltmeter is described (because the average voltage is too stable to be shown on a digital voltmeter).

- Voltage should be 0.3 and 3.0 volts.
(4)Turn the ignition switch to the "LOCK" (OFF) position.

Q. Is the measured voltage between 0.3 and 3.0 volts?

YES Go to Step 7.

NO Go to Step 5.

STEP 5. Check connector B-22 at ECM [M/T] or PCM [A/T] for damage.





Q. Is the connector in good condition?

YES Go to Step 6.

NO Repair or replace it. Harness Connector Inspection.
Then confirm that the malfunction symptom is eliminated.

STEP 6. Check for open circuit and short circuit to ground between ignition coil connector and ECM [M/T] or PCM [A/T] connector.









NOTE:
Check harness after checking intermediate connector B-31. If intermediate connector is damaged, repair or replace it.

1. Check the harness wire between ignition coil connector B-101 (terminal No. 3) and ECM [M/T] or PCM [A/T] connector B-22 (terminal No. 151) at ignition coil 1.

2. Check the harness wire between ignition coil connector B-122 (terminal No. 3) and ECM [M/T] or PCM [A/T] connector B-22 (terminal No. 150) at ignition coil 2.

3. Check the harness wire between ignition coil connector B-102 (terminal No. 3) and ECM [M/T] or PCM [A/T] connector B-22 (terminal No. 144) at ignition coil 3.

4. Check the harness wire between ignition coil connector B-121 (terminal No. 3) and ECM [M/T] or PCM [A/T] connector B-22 (terminal No. 148) at ignition coil 4.

5. Check the harness wire between ignition coil connector B-103 (terminal No. 3) and ECM [M/T] or PCM [A/T] connector B-22 (terminal No. 143) at ignition coil 5.

6. Check the harness wire between ignition coil connector B-118 (terminal No. 3) and ECM [M/T] or PCM [A/T] connector B-22 (terminal No. 134) at ignition coil 6.

Q. Is the harness wire in good condition?

YES Replace the ECM or the PCM. When the ECM or the PCM is replaced, register the encrypted code. Encrypted Code Registration Criteria Table.
Then confirm that the malfunction symptom is eliminated.

NO Repair it. Then confirm that the malfunction symptom is eliminated.

STEP 7. Check for harness damage between ignition coil connector and ECM [M/T] or PCM [A/T] connector.









NOTE:
Check harness after checking intermediate connector B-31. If intermediate connector is damaged, repair or replace it.

7. Check the harness wire between ignition coil connector B-101 (terminal No. 3) and ECM [M/T] or PCM [A/T] connector B-22 (terminal No. 151) at ignition coil 1.

8. Check the harness wire between ignition coil connector B-122 (terminal No. 3) and ECM [M/T] or PCM [A/T] connector B-22 (terminal No. 150) at ignition coil 2.

9. Check the harness wire between ignition coil connector B-102 (terminal No. 3) and ECM [M/T] or PCM [A/T] connector B-22 (terminal No. 144) at ignition coil 3.

10. Check the harness wire between ignition coil connector B-121 (terminal No. 3) and ECM [M/T] or PCM [A/T] connector B-22 (terminal No. 148) at ignition coil 4.

11. Check the harness wire between ignition coil connector B-103 (terminal No. 3) and ECM [M/T] or PCM [A/T] connector B-22 (terminal No. 143) at ignition coil 5.

12. Check the harness wire between ignition coil connector B-118 (terminal No. 3) and ECM [M/T] or PCM [A/T] connector B-22 (terminal No. 134) at ignition coil 6.

Q. Is the harness wire in good condition?

YES Replace the ECM or the PCM. When the ECM or the PCM is replaced, register the encrypted code. Encrypted Code Registration Criteria Table.
Then confirm that the malfunction symptom is eliminated.

NO Repair it. Then confirm that the malfunction symptom is eliminated.