Operation CHARM: Car repair manuals for everyone.
Manuals through 2025 now available!

Our trusted friends have launched a new website named LEMON, which has newer manuals. It also contains all the CHARM manuals.

LEMON is the spiritual successor to CHARM, I recommend you try it!

Link: lemon-manuals.la or lemon-manuals.org.ua

(Some people have issue connecting. LEMON is investigating. For now, use Firefox or change your DNS server)

Or, hide this message: temporarily or permanently

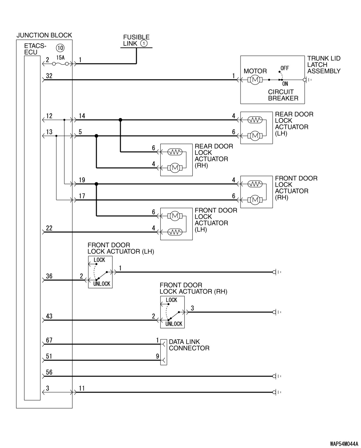
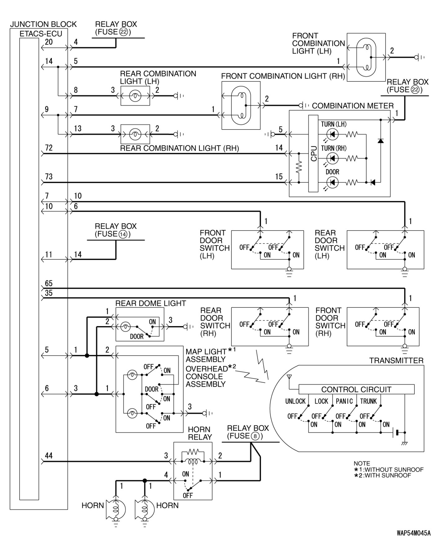
Keyless Entry System




GENERAL DESCRIPTION CONCERNING THE KEYLESS ENTRY SYSTEM

The following ECUs affect the functions and control of the keyless entry system.






ALL DOOR LOCK FUNCTION

PRESSING THE TRANSMITTER LOCK BUTTON





When the transmitter lock button is pressed, the ETACS-ECU energizes its door lock relay to operate all the door lock actuators for 0.25 second, locking all doors.

DRIVER'S DOOR UNLOCK FUNCTION

PRESSING THE TRANSMITTER UNLOCK BUTTON ONCE





When the transmitter unlock button is pressed once, the ETACS-ECU energizes its door unlock relay to operate the door lock actuator of the driver's door for 0.25 second, thus unlocking only the driver's door.

ALL DOOR UNLOCK FUNCTION

PRESSING THE TRANSMITTER UNLOCK BUTTON TWICE





When the transmitter unlock button is pressed twice, the ETACS-ECU energizes its door unlock relay to operate the driver's door lock actuator and the other door lock actuators for 0.25 second each in succession. All the doors will be unlocked.
NOTE:
If the timed locking function is available, the doors will be locked in 30 seconds after the initial unlocking. Therefore, the second door unlocking should be done within 30 seconds after that initial unlocking.

TRUNK UNLOCK FUNCTION

PRESSING THE TRANSMITTER TRUNK BUTTON

Press the "TRUNK" button twice within 5 seconds and the trunk lid will be unlocked.

KEYLESS ENTRY HAZARD ANSWER BACK AND HORN ANSWER BACK FUNCTION

KEYLESS ENTRY HAZARD ANSWER BACK FUNCTION*1





If the keyless entry transmitter is used to send a lock signal to the ETACS-ECU, all doors are locked and the hazard warning lights flash once. If an unlock signal is sent, the driver's door is unlocked first,*2 and if a second signal is sent, all doors are unlocked.
Each time the unlock signal is sent, the hazard warning lights flash twice.
NOTE:
*1: The hazard answer back function can be customized using the keyless entry transmitter (Refer to Enabling/Disabling the Answer Back Function, Keyless Entry System) or by using the multi center display (middle grade type). Refer to Adjustments.

NOTE:
*2: Vehicles with a multi center display (middle grade type) can be customized so that a single unlock operation will unlock all doors. Refer to Adjustments.

KEYLESS ENTRY HORN ANSWER BACK FUNCTION





If the keyless entry transmitter is used to send a lock signal to the ETACS-ECU, the first signal locks all doors while the second signal sounds the horn once.
NOTE:
: The horn answer back function can be customized by using the keyless entry transmitter
(Refer to Enabling/Disabling the Answer Back Function, Keyless Entry System) or by using the multi center display (middle grade type). Refer to Adjustments.

TIMED LOCKING MECHANISM

After unlocking the doors with the keyless entry transmitter, if no doors are opened, if the ignition key is not inserted or if the locking function is not operated, the ETACS-ECU automatically locks the doors in 30 seconds.

NOTE:
The timed locking function can be customized on vehicles equipped with a multi center display (middle grade type). Refer to Adjustments.

GENERAL CIRCUIT DIAGRAM FOR THE KEYLESS ENTRY SYSTEM