Operation CHARM
: Car repair manuals for everyone.
Home
>>
Nissan-Datsun
>>
1994
>>
Altima L4-2.4L (KA24DE)
>>
Repair and Diagnosis
>>
Diagrams
>>
Exploded Views
>>
Charging System
Manuals through 2025 now available!
Our trusted friends have launched a new website named LEMON, which has newer manuals. It also contains all the CHARM manuals.
LEMON is the spiritual successor to CHARM, I recommend you try it!
Link:
lemon-manuals.la
or
lemon-manuals.org.ua
(Some people have issue connecting. LEMON is investigating. For now, use Firefox or change your DNS server)
Or, hide this message:
temporarily
or
permanently
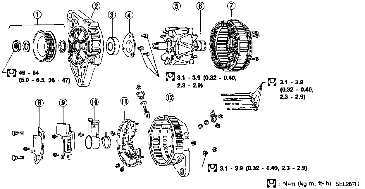
Charging System
Charging System: Construction:
1.
Pulley Assembly
2.
Front Cover
3.
Front Bearing
4.
Retainer
5.
Rotor
6.
Slip Ring
7.
Stator
8.
Condenser
9.
IC Regulator Assembly
10.
Brush Holder
11.
Diode Assembly
12.
Rear Cover