Operation CHARM: Car repair manuals for everyone.
Manuals through 2025 now available!

Our trusted friends have launched a new website named LEMON, which has newer manuals. It also contains all the CHARM manuals.

LEMON is the spiritual successor to CHARM, I recommend you try it!

Link: lemon-manuals.la or lemon-manuals.org.ua

(Some people have issue connecting. LEMON is investigating. For now, use Firefox or change your DNS server)

Or, hide this message: temporarily or permanently

Idle Up Control Valve: Testing and Inspection




COMPONENT DESCRIPTION
When the air conditioner is on the IACV-FICD solenoid valve supplies additional air to adjust to the increased load.




ECM TERMINALS AND REFERENCE VALUE
Specification data are reference values and are measured between each terminal and 32 (ECM ground).







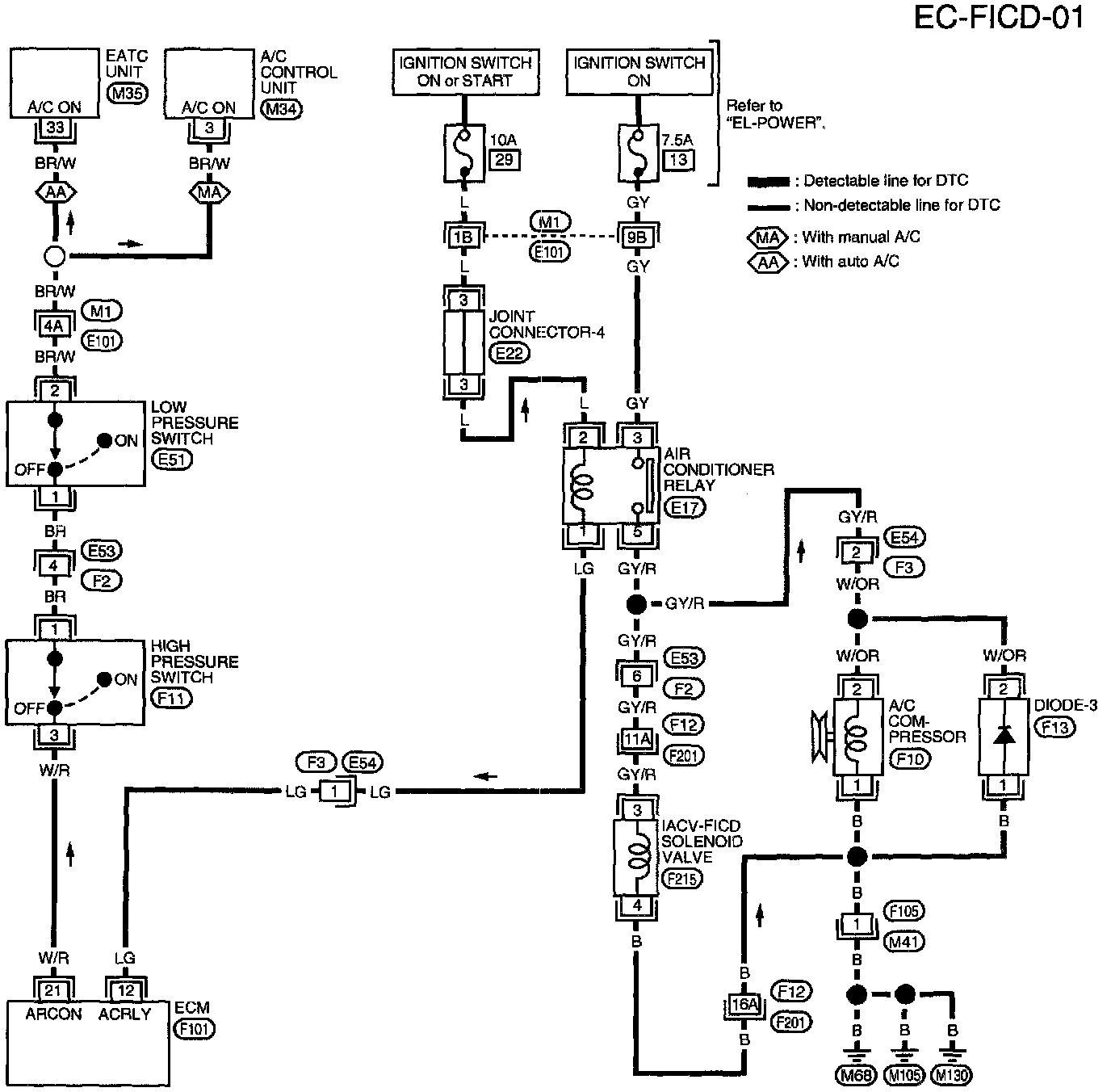
WIRING DIAGRAM

1 CHECK OVERALL FUNCTION:




2 CHECK AIR CONDITIONER FUNCTION:




3 CHECK POWER SUPPLY:




4 DETECT MALFUNCTIONING PART:




5 CHECK GROUND CIRCUIT:




6 DETECT MALFUNCTIONAING PART:




7 CHECK HIGH PRESSURE SWITCH:




8 CHECK IACV-FICD SOLENOID VALVE:




9 CHECK INTERMITTENT INCIDENT:




DIAGNOSTIC PROCEDURE

COMPONENT INSPECTION
Disconnect IACV-FICD solenoid valve harness connector.




- Check for clicking sound when applying 12 V direct current to terminals.




- Check plunger for seizing or sticking.
- Check for broken spring.