Operation CHARM: Car repair manuals for everyone.
Manuals through 2025 now available!

Our trusted friends have launched a new website named LEMON, which has newer manuals. It also contains all the CHARM manuals.

LEMON is the spiritual successor to CHARM, I recommend you try it!

Link: lemon-manuals.la or lemon-manuals.org.ua

(Some people have issue connecting. LEMON is investigating. For now, use Firefox or change your DNS server)

Or, hide this message: temporarily or permanently

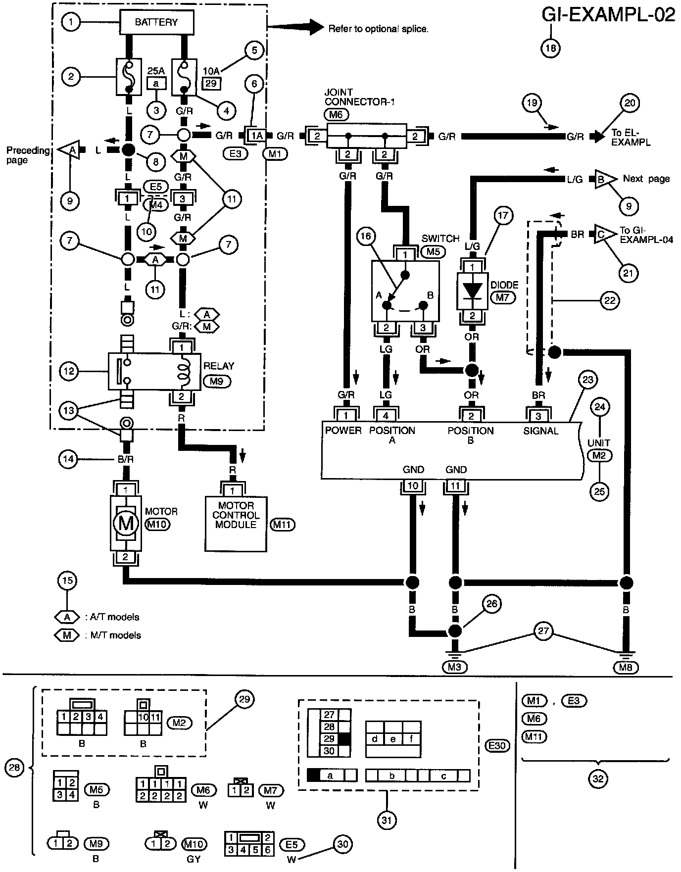
Sample Diagram Information




Optional Splice:





Example Diagrams








Description Charts





CONNECTOR SYMBOLS
Most of connector symbols in wiring diagrams are shown from the terminal side.
^ Connector symbols shown from the terminal side are enclosed by a single line and followed by the direction mark.
^ Connector symbols shown from the harness side are enclosed by a double line and followed by the direction mark.
^ Certain systems and components, especially related OBD, may use a new style slide-looking type harness connector.





^ Male and female terminals
Connector guides for male terminals are shown in black and female terminals are shown in white.





Harness Indication
^ Letter designations next to test meter probes indicate harness (connector) wire colors.
^ Connector numbers in a signal circle M33 indicate harness connectors.
Component Indication
^ Connector numbers in a double circle F211 indicate component connectors.





SWITCH POSITIONS

Switches are shown in wiring diagrams as if the vehicle is in the "normal" condition.
A vehicle is in the "normal" condition when:
^ ignition switch is "OFF",
^ doors, hood and trunk lid/back door are closed,
^ pedals are not depressed , and
^ parking brakes is released.





DETECTABLE LINES AND NON-DETECTABLE LINES

In some wiring diagrams, two kinds of lines, representing wires with different weight are used.
^ A line with regular weight (wider line) represents a "detectable line for DTC (Diagnostic Trouble Code)". A "detectable line for DTC" is a circuit in which (ECM) (Engine control module) can detect malfunctions with the on-board diagnostic system.
^ A line with less weight (thinner line) represents a "non-detectable line for DTC". A "non-detectable line for DTC" is a circuit in which ECM cannot detect malfunctions with the on-board diagnostic system.





MULTIPLE SWITCH

The continuity of multiple switch is described in two ways as shown below.
^ The switch chart is used in schematic diagrams.
^ The switch diagram is used in wiring diagrams.