Operation CHARM: Car repair manuals for everyone.
Manuals through 2025 now available!

Our trusted friends have launched a new website named LEMON, which has newer manuals. It also contains all the CHARM manuals.

LEMON is the spiritual successor to CHARM, I recommend you try it!

Link: lemon-manuals.la or lemon-manuals.org.ua

(Some people have issue connecting. LEMON is investigating. For now, use Firefox or change your DNS server)

Or, hide this message: temporarily or permanently

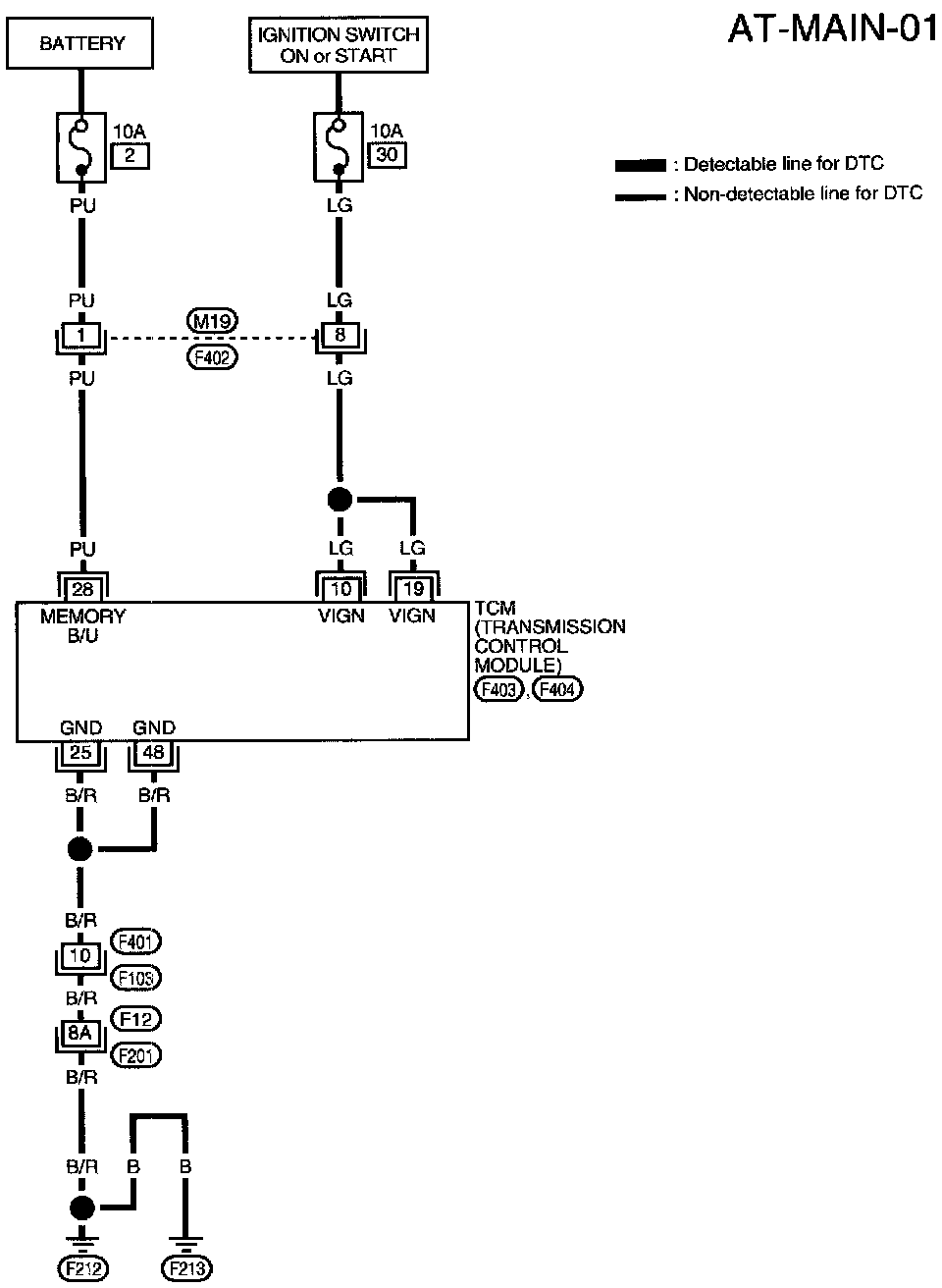
Control Module Pinout Values

PREPARATION




- Measure voltage between each terminal and terminal 25 or 48 by following "TCM INSPECTION TABLE".




TCM HARNESS CONNECTOR TERMINAL LAYOUT













TCM INSPECTION TABLE
(Data are reference values.)










TCM TERMINALS AND REFERENCE VALUE

1 CHECK TCM POWER SOURCE:




2 CHECK TCM GROUND CIRCUIT:




DIAGNOSTIC PROCEDURE