Operation CHARM: Car repair manuals for everyone.
Manuals through 2025 now available!

Our trusted friends have launched a new website named LEMON, which has newer manuals. It also contains all the CHARM manuals.

LEMON is the spiritual successor to CHARM, I recommend you try it!

Link: lemon-manuals.la or lemon-manuals.org.ua

(Some people have issue connecting. LEMON is investigating. For now, use Firefox or change your DNS server)

Or, hide this message: temporarily or permanently

Electrical Diagrams

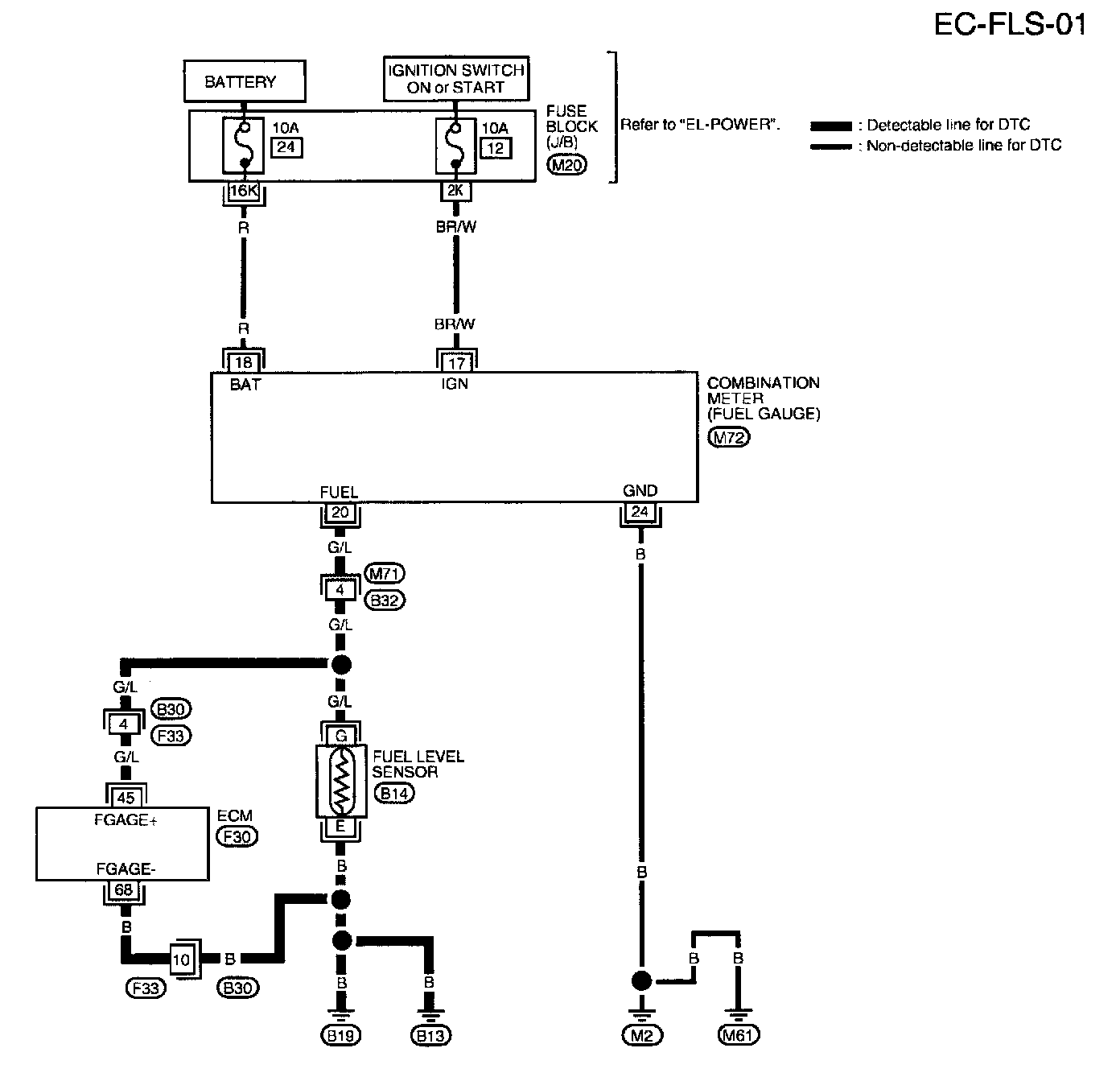
EC-FLS-01:




EC-FLS-01 - Connector View:




P0460 Fuel Level Sensor Function (Slosh)

EC-FL2-01:




EC-FL2-01 - Connector View:




P0464 Fuel Level Sensor Circuit

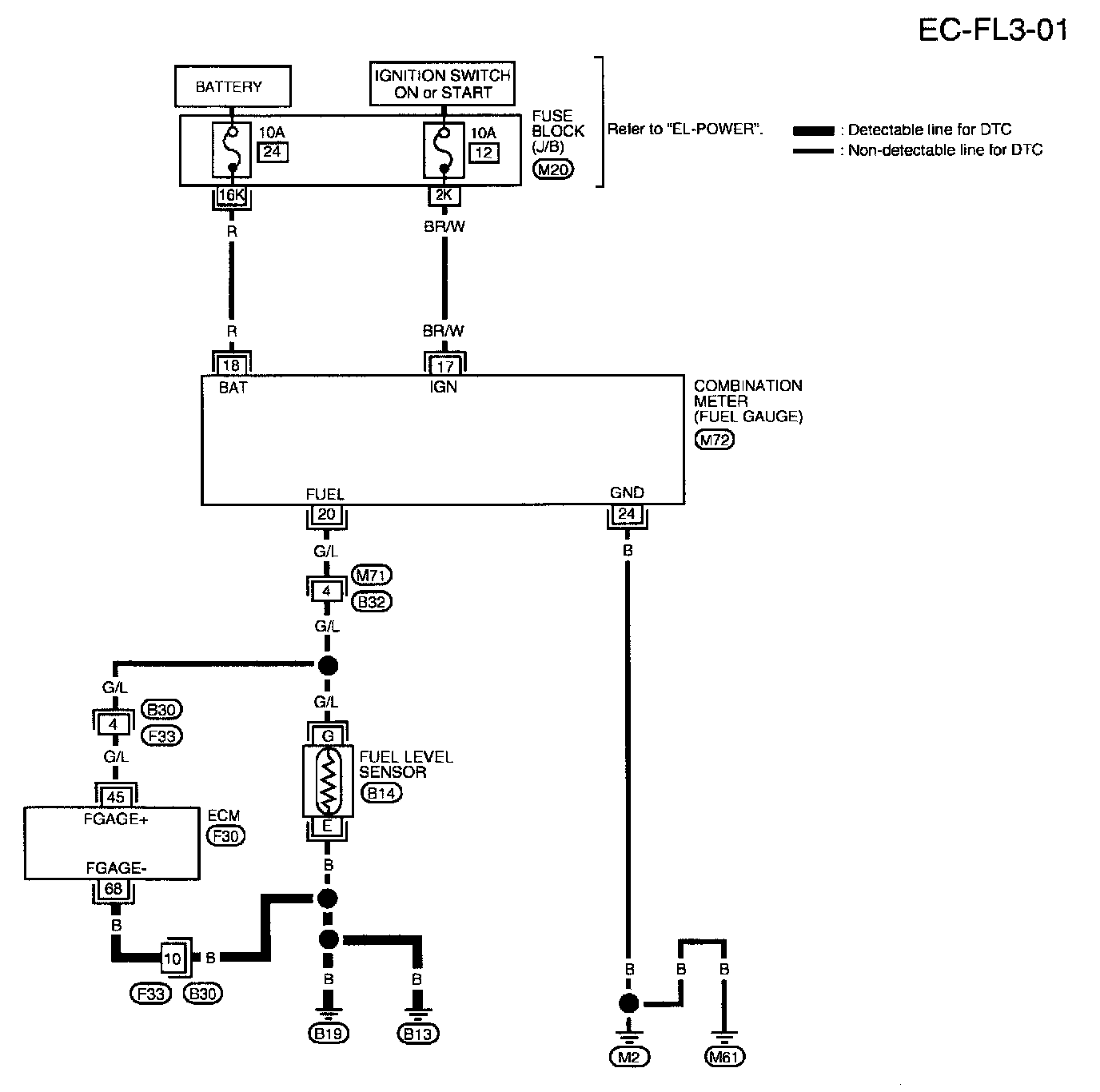
EC-FL3-01:




EC-FL3-01 - Connector View:




P1464 Fuel Level Sensor Circuit (Ground Signal)