Operation CHARM: Car repair manuals for everyone.
Manuals through 2025 now available!

Our trusted friends have launched a new website named LEMON, which has newer manuals. It also contains all the CHARM manuals.

LEMON is the spiritual successor to CHARM, I recommend you try it!

Link: lemon-manuals.la or lemon-manuals.org.ua

(Some people have issue connecting. LEMON is investigating. For now, use Firefox or change your DNS server)

Or, hide this message: temporarily or permanently

Transmission Control Systems: Description and Operation

NOTE: For information the hydraulic circuit, power flow and other mechanical functions of this transmission, refer to Automatic Transmission/Transaxle.
Automatic Transmission/Transaxle






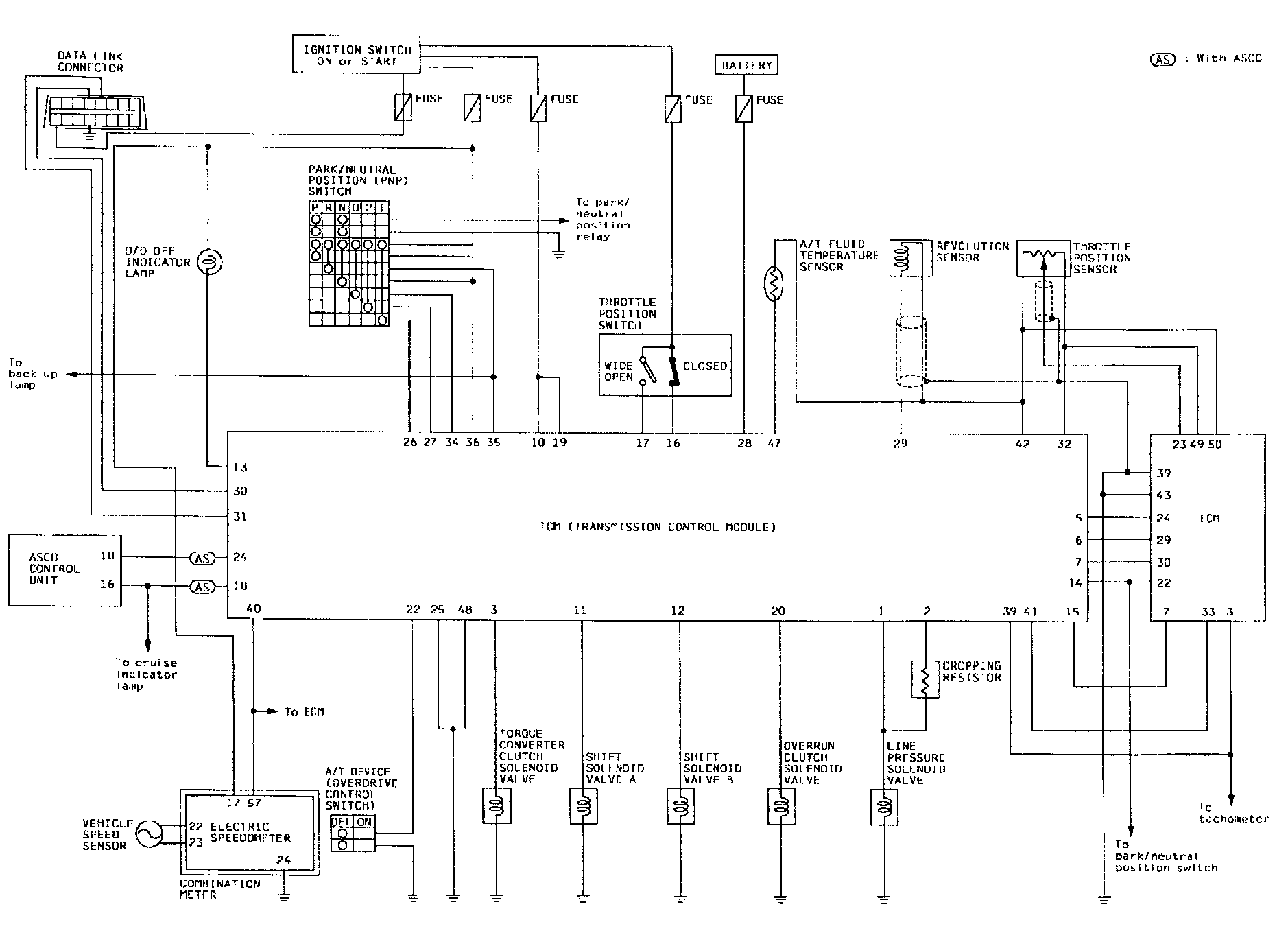
TRANSMISSION CONTROL CIRCUIT DIAGRAM

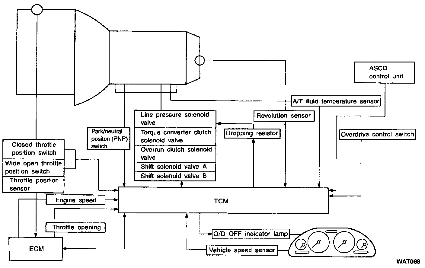
OUTLINE CONTROL SYSTEM








The automatic transaxle senses vehicle operating conditions through various sensors. It always controls the optimum shift position and reduces shifting and lock-up shocks.

TCM FUNCTION
The function of the TCM is to:
- Receive input signals sent from various switches and sensors.
- Determine required line pressure, shifting point, lock-up operation, and engine brake operation.
- Send required output signals to the respective solenoids.





INPUT/OUTPUT SIGNAL OF TCM

LINE PRESSURE CONTROL
TCM has various line pressure control characteristics to match the driving conditions.
An ON-OFF duty signal is sent to the line pressure solenoid valve based on TCM characteristics.
Hydraulic pressure on the clutch and brake is electronically controlled through the line pressure solenoid valve to accommodate engine torque. This results in smooth shift operation.





Normal Control
The line pressure to throttle opening characteristics is set for suitable clutch operation.





Back-up Control (Engine brake)
If the selector lever is shifted to "2" position while driving in D4 (OD) or D3, great driving force is applied to the clutch inside the transmission. Clutch operating pressure (line pressure) must be increased to deal with this driving force.





During Shift Change
The line pressure is temporarily reduced corresponding to a change in engine torque when shifting gears (that is, when the shift solenoid valve is switched for clutch operation) to reduce shifting shock.

At Low Fluid Temperature
- Fluid viscosity and frictional characteristics of the clutch facing change with fluid temperature. Clutch engaging or band contacting pressure is compensated for, according to fluid temperature, to stabilize shifting quality.





- The line pressure is reduced below 60°C (140°F) to prevent shifting shock due to low viscosity of automatic transaxle fluid when temperature is low.





- Line pressure is increased to a maximum irrespective of the throttle opening when fluid temperature drops to -10°C (14°F). This pressure rise is adopted to prevent a delay in clutch and brake operation due to extreme drop of fluid viscosity at low temperature.

SHIFT CONTROL
The shift is regulated entirely by electronic control to accommodate vehicle speed and varying engine operations. This is accomplished by electrical signals transmitted by the revolution sensor and throttle position sensor. This results in improved acceleration performance and fuel economy.








Control of Shift Solenoid Valves A and B
The TCM activates shift solenoid valves A and B according to signals from the throttle position sensor and revolution sensor to select the optimum gear position on the basis of the shift schedule memorized in the TCM.
The shift solenoid valve performs simple ON-OFF operation. When set to ON, the drain circuit closes and pilot pressure is applied to the shift valve.
(Relation between shift solenoid valves A and B and gear positions)





Control of Shift Valves A and B
Pilot pressure generated by the operation of shift solenoid valves A and B is applied to the end face of shift valves A and B.
The drawing above shows the operation of shift valve B. When the shift solenoid valve is ON, pilot pressure applied to the end face of the shift valve overcomes spring force, moving the valve upward.

LOCK-UP CONTROL
The lock-up piston in the torque converter is locked to eliminate torque converter slip to increase power transmission efficiency. The solenoid valve is controlled by an ON-OFF duty signal sent from the TCM. The signal is converted to an oil pressure signal which controls the lock-up piston.





Conditions for Lock-up Operation
When vehicle is driven in 4th gear position, vehicle speed and throttle opening are detected. If the detected values fall within the lock-up zone memorized in the TCM, lock-up is performed.





Torque Converter Clutch Solenoid Valve Control
The torque converter clutch solenoid valve is controlled by the TCM. The plunger closes the drain circuit during the OFF period, and opens the circuit during the ON period. If the percentage of OFF-time increases in one cycle, the pilot pressure drain time is reduced and pilot pressure remains high.
The lock-up piston is designed to slip to adjust the ratio of ON-OFF, thereby reducing lock-up shock.











Torque Converter Clutch Control Valve Operation.
Lock-up Released
The OFF-duration of the torque converter clutch solenoid valve is long, and pilot pressure is high. The pilot pressure pushes the end face of the torque converter clutch control valve in combination with spring force to move the valve to the left. As a result, converter pressure is applied to chamber A (lock-up piston release side). Accordingly, the lock-up piston remains unlocked.

Lock-up Applied
When the OFF-duration of the torque converter clutch solenoid valve is short, pilot pressure drains and becomes low. Accordingly, the control valve moves to the right by the pilot pressure of the other circuit and converter pressure. As a result, converter pressure is applied to chamber B. keeping the lock-up piston applied.
Also smooth lock-up is provided by transient application and release of the lock-up.

OVERRUN CLUTCH CONTROL (ENGINE BRAKE CONTROL)
Forward one-way clutch is used to reduce shifting shocks in downshifting operations. This clutch transmits engine torque to the wheels. However, drive force from the wheels is not transmitted to the engine because the one-way clutch rotates idle. This means the engine brake is not effective.
The overrun clutch operates when the engine brake is needed.








Overrun Clutch Operating Conditions





Overrun Clutch Solenoid Valve Control
The overrun clutch solenoid valve is operated by an ON-OFF signal transmitted by the TCM to provide overrun clutch control (engine brake control).
When this solenoid valve is ON, the pilot pressure drain port closes. When it is OFF, the drain port opens.
During the solenoid valve ON pilot pressure is applied to the end face of the overrun clutch control valve.





Overrun Clutch Control Valve Operation
When the solenoid valve is ON, pilot pressure is applied to the overrun clutch control valve. This pushes up the overrun clutch control valve. The line pressure is then shut off so that the clutch does not engage.
When the solenoid is OFF, pilot pressure is not generated. At this point, the overrun clutch control valve moves downward by spring force. As a result, overrun clutch operation pressure is provided by the overrun clutch reducing valve. This causes the overrun clutch to engage.
In the 1 position, the overrun clutch control valve remains pushed down so that the overrun clutch is engaged at all times.





FUNCTION OF CONTROL VALVE