Operation CHARM: Car repair manuals for everyone.
Manuals through 2025 now available!

Our trusted friends have launched a new website named LEMON, which has newer manuals. It also contains all the CHARM manuals.

LEMON is the spiritual successor to CHARM, I recommend you try it!

Link: lemon-manuals.la or lemon-manuals.org.ua

(Some people have issue connecting. LEMON is investigating. For now, use Firefox or change your DNS server)

Or, hide this message: temporarily or permanently

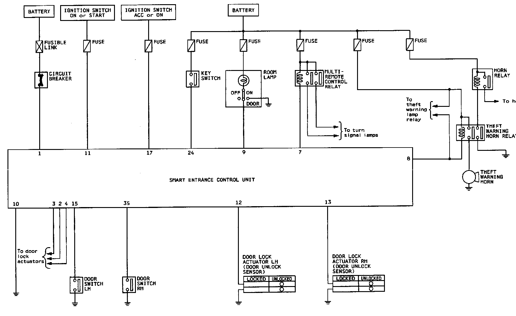
Multi-Remote Control System





Schematic

EL-MULTI-01:




(Part 1 of 3)
Fuse Block (J/B)
Key Switch
Smart Entrance Control Unit
Circuit Breaker
Door Lock Actuator (LH & RH) Door Unlock Sensor

EL-MULTI-02:




(Part 2 of 3)
Smart Entrance Control Unit
Door Switch (LH & RH)

EL-MULTI-03:




(Part 3 of 3)
Fuse Block (J/B)
Horn Relay
Room Lamp
Multi-Remote Control Relay
Theft Warning Horn Relay
Theft Warning Horn
Smart Entrance Control Unit

Circuit Diagrams











Circuit Connectors




M65, E43 Super Multiple Junction Terminal Arrangement