Operation CHARM: Car repair manuals for everyone.
Manuals through 2025 now available!

Our trusted friends have launched a new website named LEMON, which has newer manuals. It also contains all the CHARM manuals.

LEMON is the spiritual successor to CHARM, I recommend you try it!

Link: lemon-manuals.la or lemon-manuals.org.ua

(Some people have issue connecting. LEMON is investigating. For now, use Firefox or change your DNS server)

Or, hide this message: temporarily or permanently

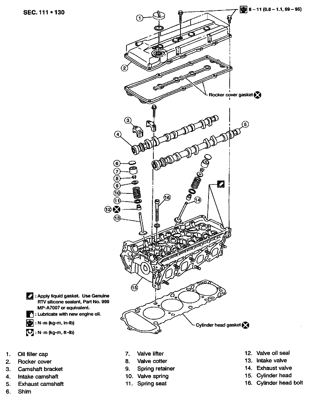
Cylinder Head Assembly











a. Tighten all bolts to 29 Nm (3.0 kg-m, 22 ft. lbs.).
b. Tighten all bolts to 79 Nm (8.1 kg-m, 59 ft. lbs.).
c. Loosen all bolts completely.
d. Tighten all bolts to 25 to 34 Nm (2.5 to 3.5 kg-m, 18 to 25 ft. lbs.).
e. Turn all bolts 86 to 91 degrees clockwise. If angle wrench is not available, mark all cylinder head bolts on the side facing engine front. Then turn each cylinder head bolts 86 to 91 degrees clockwise.