Operation CHARM: Car repair manuals for everyone.
Manuals through 2025 now available!

Our trusted friends have launched a new website named LEMON, which has newer manuals. It also contains all the CHARM manuals.

LEMON is the spiritual successor to CHARM, I recommend you try it!

Link: lemon-manuals.la or lemon-manuals.org.ua

(Some people have issue connecting. LEMON is investigating. For now, use Firefox or change your DNS server)

Or, hide this message: temporarily or permanently

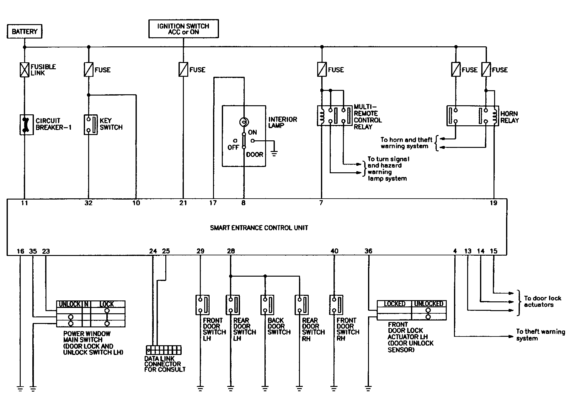
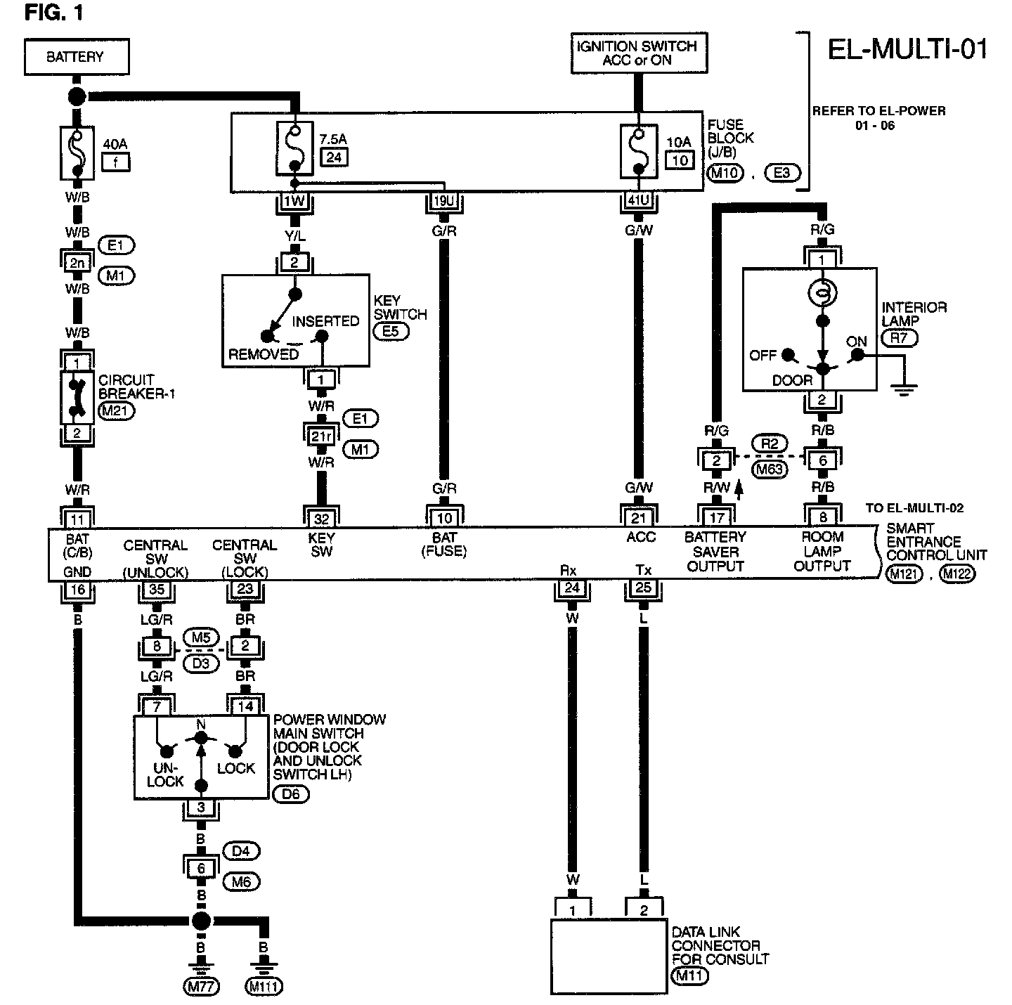
Multi-Remote Control System





Schematic

EL-MULTI-01:




(Part 1 of 3)
Fuse Block (J/B)
Circuit Breaker-1
Key Switch
Interior Lamp
Smart Entrance Control Unit
Power Window Main Switch (Door Lock And Unlock Switch LH)
Data Link Connector For Consult

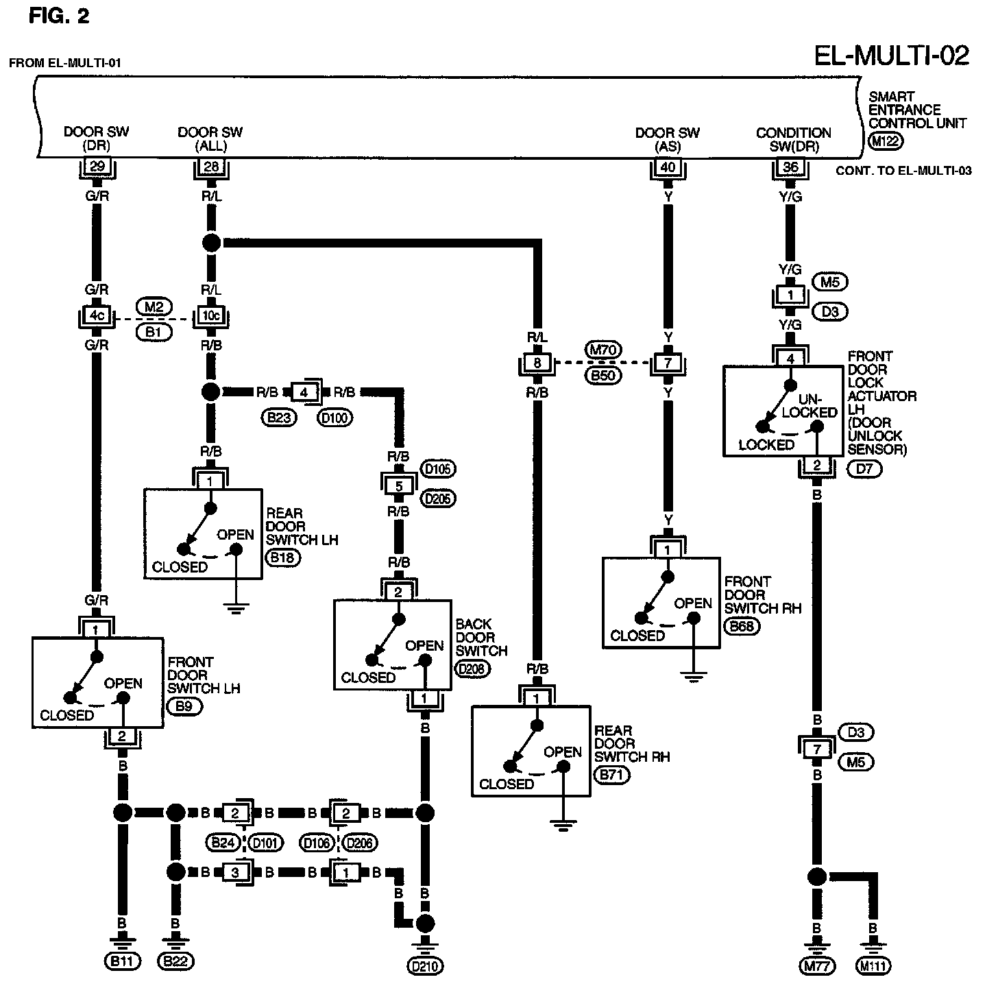
EL-MULTI-02:




(Part 2 of 3)
Smart Entrance Control Unit
Rear Door Switch LH
Front Door Lock Actuator LH (Door Unlock Sensor)
Front Door Switch LH
Back Door Switch
Rear Door Switch RH
Front Door Switch RH

EL-MULTI-03:




(Part 3 of 3)
Battery
Fuse Block (J/B)
Multi-Remote Control Relay
Horn Relay
Smart Entrance Control Unit

Circuit Connectors











Circuit Connectors

Main Harness, Engine Room, And Body Harness Connector Views:




Fuse Block J/B Connector Views:




B1, E1, E3, M1, M2, M10 Super Multiple Junction Box (SMJ) and Fuse Block - Junction Box (J/B) Terminal Arrangement