Operation CHARM: Car repair manuals for everyone.
Manuals through 2025 now available!

Our trusted friends have launched a new website named LEMON, which has newer manuals. It also contains all the CHARM manuals.

LEMON is the spiritual successor to CHARM, I recommend you try it!

Link: lemon-manuals.la or lemon-manuals.org.ua

(Some people have issue connecting. LEMON is investigating. For now, use Firefox or change your DNS server)

Or, hide this message: temporarily or permanently

System Diagram

MAJOR OVERHAUL








Components





Oil Channel





Locations of Needle Bearing, Thrust Washers and Snap Rings

REPAIR FOR COMPONENT PARTS





Oil Pump





Control Valve Assembly





Control Valve Upper Body





Control Valve Lower Body





Reverse Clutch





High Clutch





Forward and Overrun Clutches





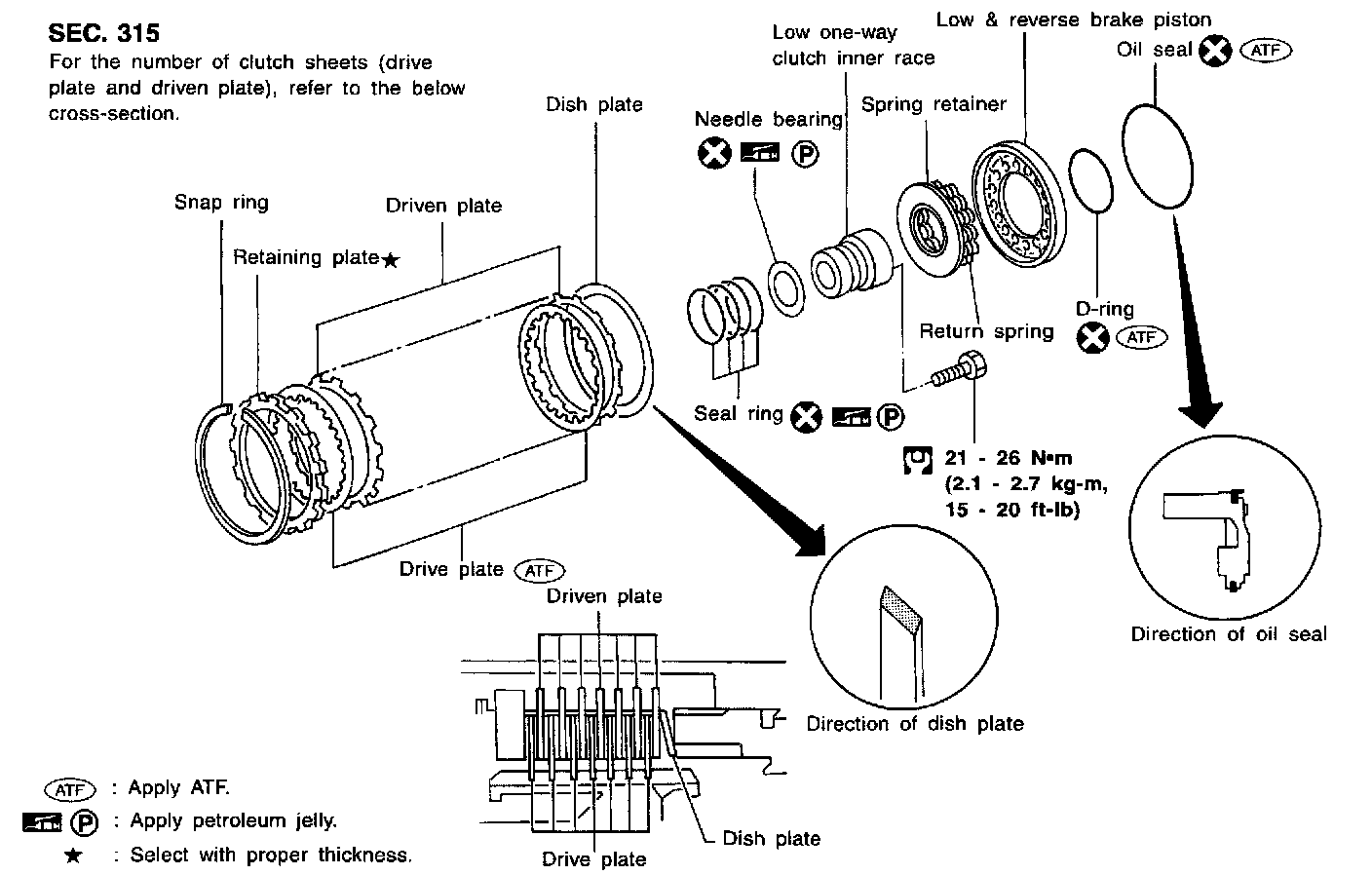
Low & Reverse Brake





Forward Clutch Drum Assembly





Rear Internal Gear and Forward Clutch Hub





Band Servo Piston Assembly





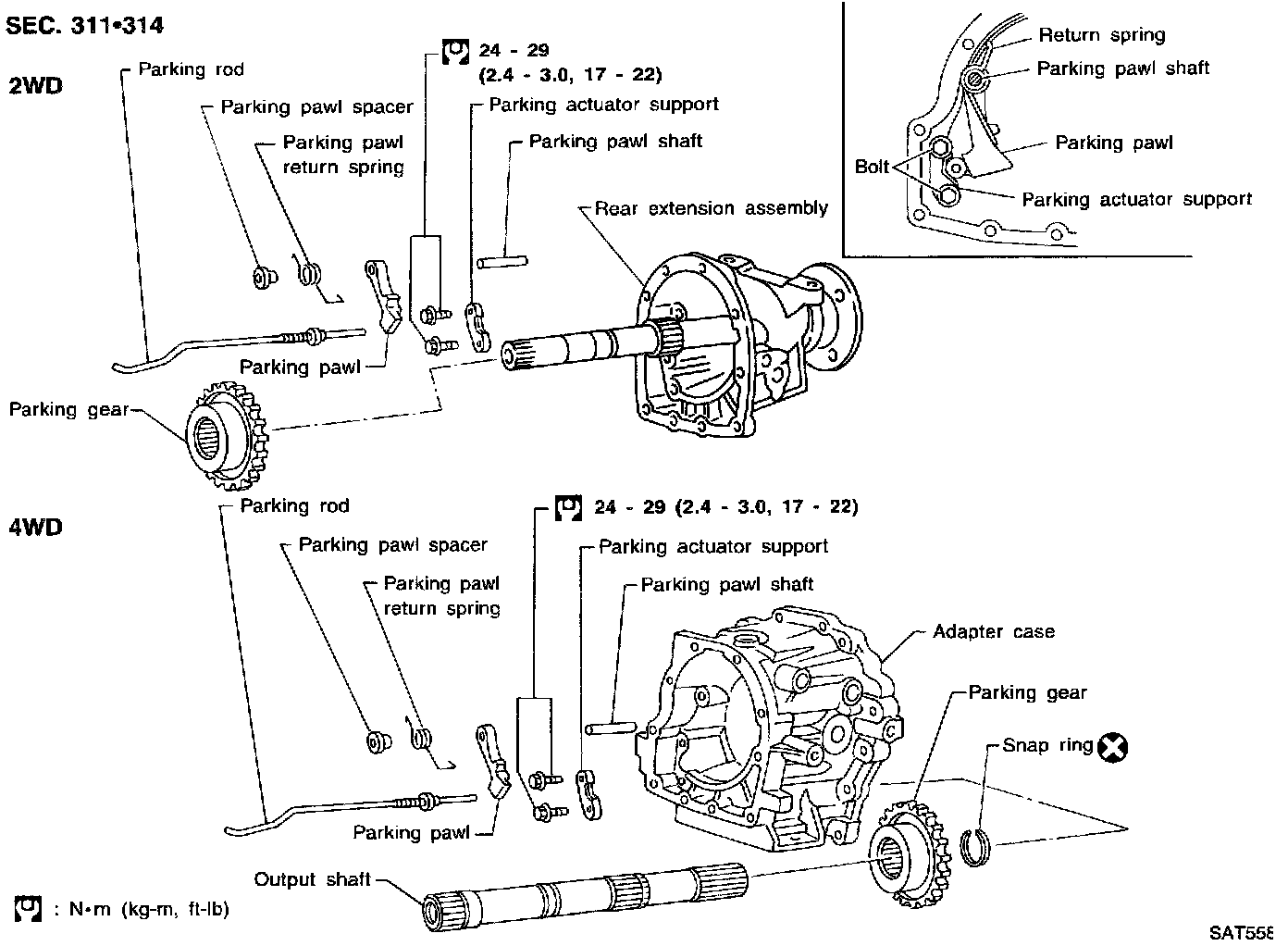
Parking Pawl Components