Operation CHARM: Car repair manuals for everyone.
Manuals through 2025 now available!

Our trusted friends have launched a new website named LEMON, which has newer manuals. It also contains all the CHARM manuals.

LEMON is the spiritual successor to CHARM, I recommend you try it!

Link: lemon-manuals.la or lemon-manuals.org.ua

(Some people have issue connecting. LEMON is investigating. For now, use Firefox or change your DNS server)

Or, hide this message: temporarily or permanently

Connector Views

Main Harness, Engine Room, And Body Harness Connector Views:



Fuse Block J/B Connector Views:



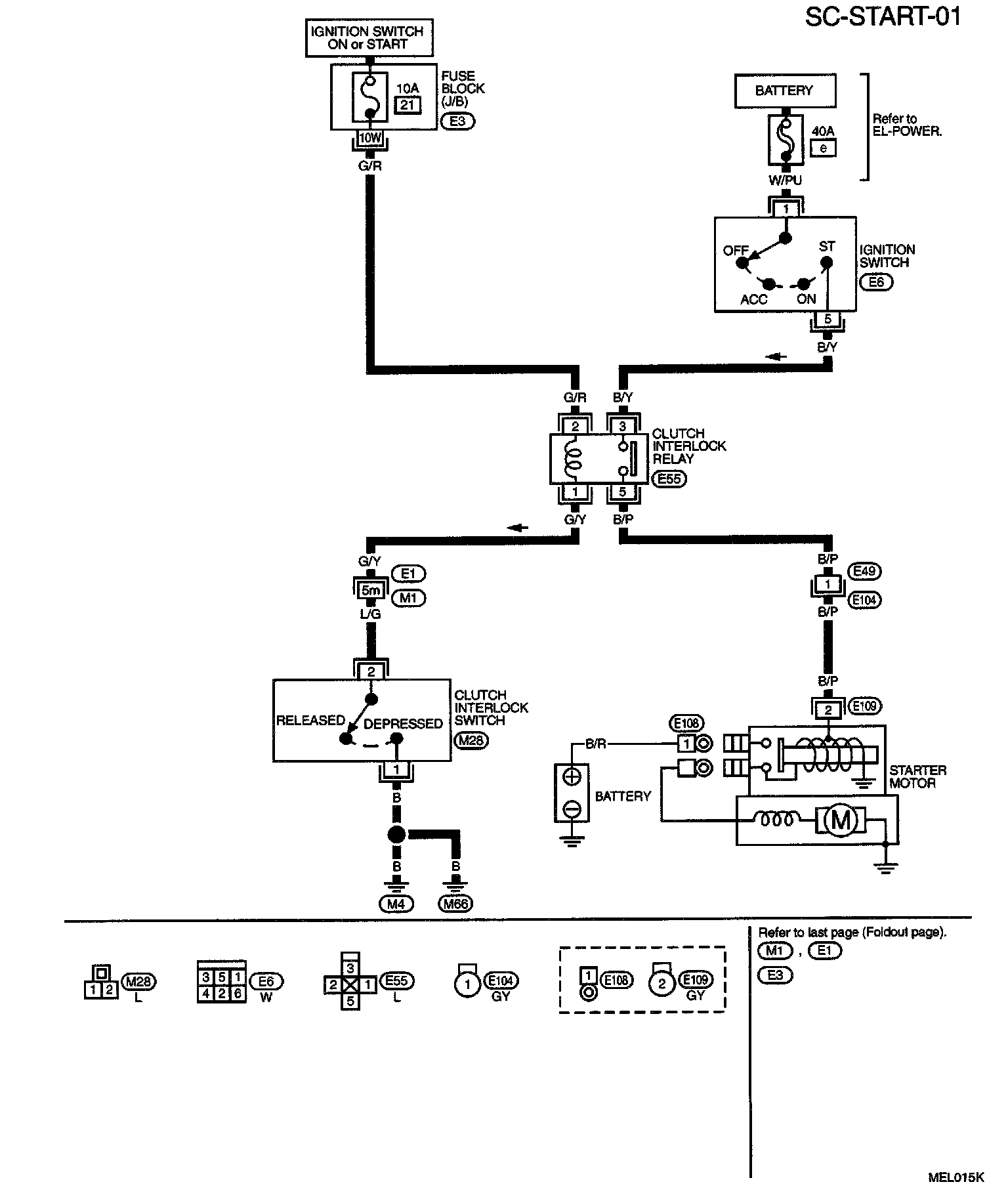
SC-Start-01 (M/T) (M1,E1 Super Multiple Junction And E3 Fuse Block-Junction Box (J/B) Terminal Arrangement).: