Operation CHARM: Car repair manuals for everyone.
Manuals through 2025 now available!

Our trusted friends have launched a new website named LEMON, which has newer manuals. It also contains all the CHARM manuals.

LEMON is the spiritual successor to CHARM, I recommend you try it!

Link: lemon-manuals.la or lemon-manuals.org.ua

(Some people have issue connecting. LEMON is investigating. For now, use Firefox or change your DNS server)

Or, hide this message: temporarily or permanently

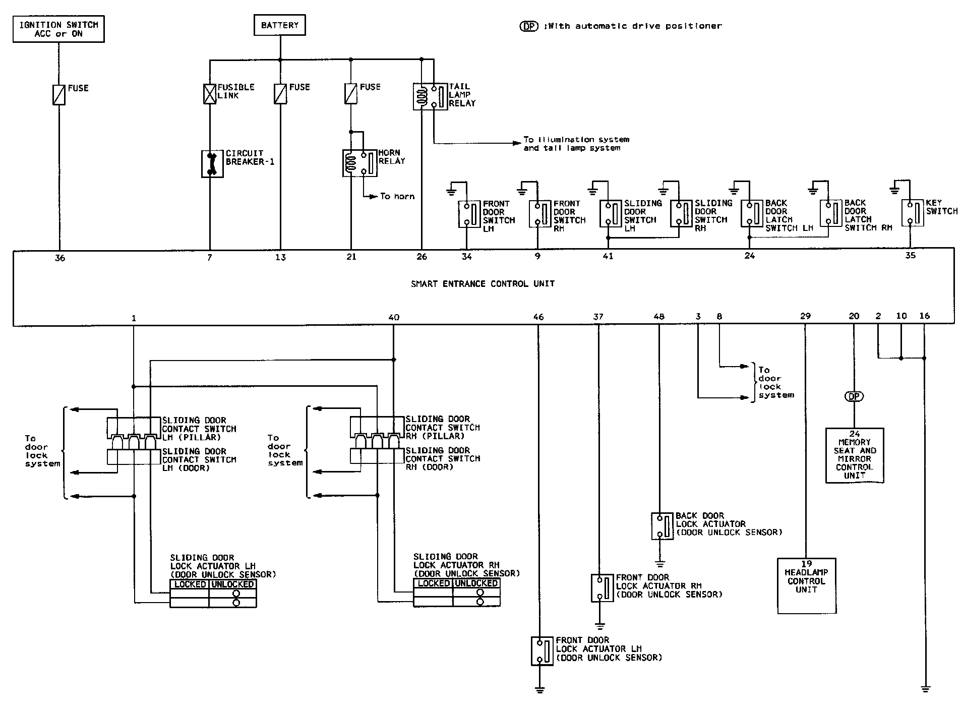
Multi-Remote Control System





Circuit Schematic

EL-MULTI-01:





(Part 1 of 4)
Circuit Breaker-1
Headlamp Control Unit
Key Switch
Memory Seat And Mirror Control Unit
Smart Entrance Control Unit
- Headlamp
- Key Switch

EL-MULTI-02:





(Part 2 of 4)
Back Door Latch Switch LH, RH
Front Door Switch , RH
Horn Relay
Sliding Door Switch LH, RH
Smart Entrance Control Unit
- Back Door Latch Switches
- Door Switch LH, RH
- Horn Relay
- Sliding Door Switches
- Tail Lamp Relay
Tail Lamp Relay

EL-MULTI-03:





(Part 3 of 4)
Back Door Lock Actuator
Front Door Lock Actuator LH, RH
Smart Entrance Control Unit
- Front Unlock Sensor LH, RH
- Unlock Sensor Back Door

EL-MULTI-04:





(Part 4 of 4)
Sliding Door Contact Switch LH, RH (Pillar)
Sliding Door Contact Switch LH, RH (Door)
Sliding Door Lock Actuator LH, RH
Smart Entrance Control Unit
- Sliding Door Unlock Sensors














Circuit Connectors

SUPER MULTIPLE JUNCTION:





M1, E101 Super Multiple Junction Terminal Arrangement

FUSE AND FUSIBLE LINK BOX:





E22 Fuse and Fusible Link Box Terminal Arrangement

JOINT CONNECTOR:





E22 Joint Connector Terminal Arrangement