Air Bag Control Module: Service and Repair
Diagnosis Sensor UnitCAUTION:
- Before servicing SRS, turn the ignition switch off, disconnect both battery cables and wait for at least 3 minutes.
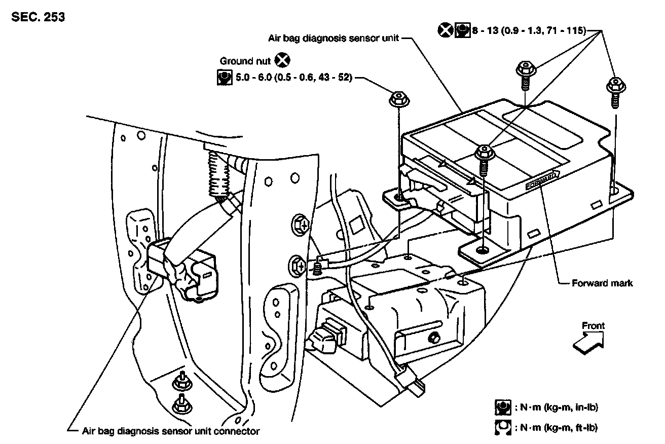
- The special bolts are coated with bonding agent while the nut is for ground. Do not reuse nut and bolts after removal; replace with new ones.
- Check air bag diagnosis sensor unit for proper installation.
- Check air bag diagnosis sensor unit to ensure it is free of deformities, dents, cracks and rust If there are any visible signs of damage, replace it with a new one.
- Check air bag diagnosis sensor unit brackets to ensure they are free of deformities or rust.
- Replace air bag diagnosis sensor unit if it has been dropped or has sustained an impact.
REMOVAL AND INSTALLATION
1. Disconnect driver and passenger air bag module connectors.
2. Remove console box.
3. Disconnect air bag diagnosis sensor unit connector.
4. Remove ground nut and also remove special bolts using the TAMPER RESISTANT TORX (Size T50), from air bag diagnosis sensor unit.
Then remove the air bag diagnosis sensor unit.
NOTE:
- To install, reverse the removal procedure and tighten new bolts and nut in the sequence indicated in the illustration.
- After replacement, perform self-diagnosis for SRS.
CAUTION: Air bag diagnosis sensor unit must always be installed with forward mark "<=" pointing toward the front of the vehicle for proper operation. Also check air bag diagnosis sensor unit for cracks, deformities and rust before installation and replace as required.