Operation CHARM: Car repair manuals for everyone.
Manuals through 2025 now available!

Our trusted friends have launched a new website named LEMON, which has newer manuals. It also contains all the CHARM manuals.

LEMON is the spiritual successor to CHARM, I recommend you try it!

Link: lemon-manuals.la or lemon-manuals.org.ua

(Some people have issue connecting. LEMON is investigating. For now, use Firefox or change your DNS server)

Or, hide this message: temporarily or permanently

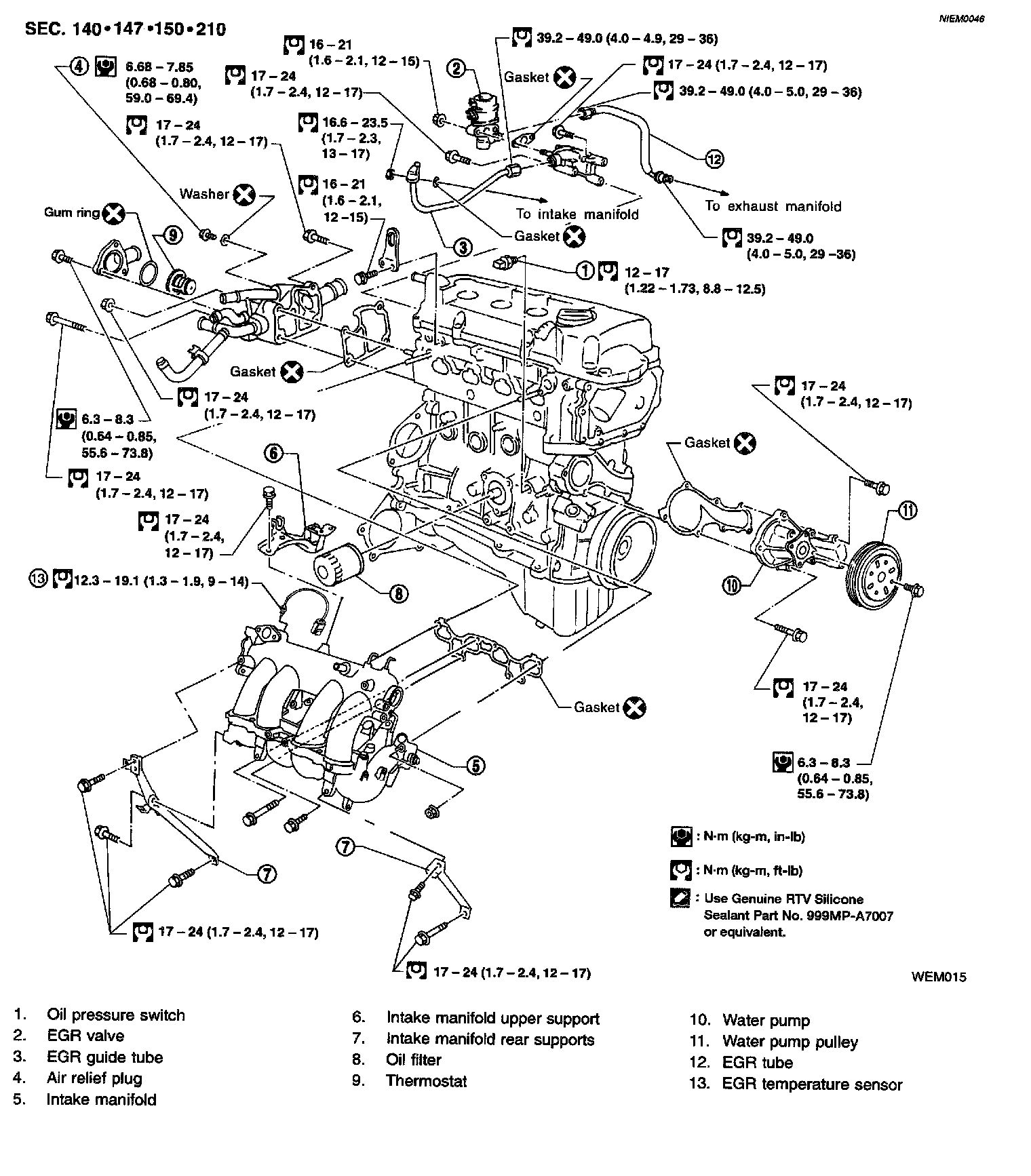
Intake Manifold

OUTER COMPONENT PARTS





Part 1 of 4





Part 2 of 4

Part 3 of 4





(Except Calif. CA Model)

Part 4 of 4

(Calif. CA Model)





CAUTION: If the Calif. CA Model's TWC (manifold three way catalyst) or ADS-TWC (adsorber pre-catalyst) replacement is necessary, always replace the TWC together with the ADS-TWC. Never replace these catalysts individually. The TWC and the ADS-TWC are only available together as a kit.