Operation CHARM: Car repair manuals for everyone.
Manuals through 2025 now available!

Our trusted friends have launched a new website named LEMON, which has newer manuals. It also contains all the CHARM manuals.

LEMON is the spiritual successor to CHARM, I recommend you try it!

Link: lemon-manuals.la or lemon-manuals.org.ua

(Some people have issue connecting. LEMON is investigating. For now, use Firefox or change your DNS server)

Or, hide this message: temporarily or permanently

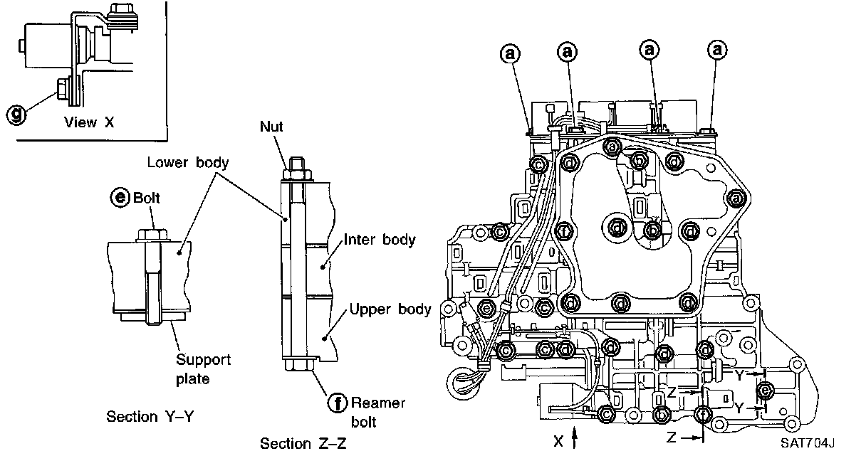
Control Valve Assembly

Control Valve Assembly






DISASSEMBLY
Disassemble upper, inter and lower bodies.





Bolt length, number and location:
f: Reamer bolt and nut.









1. Remove bolts a, d and nut f and remove oil strainer from control valve assembly.





2. Remove solenoid valve assembly and line pressure solenoid valve from control valve assembly.





3. Remove O-rings from solenoid valves and terminal body.





4. Place upper body facedown, and remove bolts b, c and nut f.





5. Remove inter body from lower body.





6. Turn over lower body, and remove accumulator support plate.





7. Remove bolts e, separating plate and separating gasket from lower body.
8. Remove check balls and oil cooler relief valve springs from lower body.
- Be careful not to lose check balls and oil cooler relief valve springs.





9. Remove inter body from upper body.





10. Check to see that steel balls are properly positioned in inter body and then remove them.
- Be careful not to lose steel balls.





11. Check to see that steel balls are properly positioned in upper body and then remove them.
- Be careful not to lose steel balls.

INSPECTION
Lower and Upper Bodies





- Check to see that retainer plates are properly positioned in lower body.





- Check to see that retainer plates are properly positioned in upper body.
- Be careful not to lose these parts.

Oil Strainer





- Check wire netting of oil strainer for damage.

Shift Solenoid Valves "A" and "B", Line Pressure Solenoid Valve, Torque Converter Clutch Solenoid Valve and Overrun Clutch Solenoid Valve

Oil Cooler Relief Valve Spring





- Check springs for damage or deformation.
- Measure free length and outer diameter.

ASSEMBLY
1. Install upper, inter and lower body.





a. Place oil circuit of upper body face up. Install steel balls in their proper positions.





b. Install upper separating gasket, upper inter separating gasket and upper separating plate in order shown in illustration.





c. Install reamer bolts f from bottom of upper body. Using reamer bolts as guides, install separating plate and gaskets as a set.





d. Install pilot filter.





e. Place lower body as shown in illustration (side of inter body face up). Install steel balls in their proper positions.





f. Install inter body on upper body using reamer bolts f as guides.
- Be careful not to dislocate or drop steel balls.





g. Install check balls and oil cooler relief valve springs in their proper positions in lower body.





h. Install lower separating gasket, lower inter separating gasket and lower separating plate in order shown in illustration.





i. Install bolts e from bottom of lower body. Using bolts e as guides, install separating plate and gaskets as a set.





j. Temporarily install support plates on lower body.
k. Install lower body on inter body using reamer bolts f as guides and tighten reamer bolts f slightly.





2. Install O-rings to solenoid valves and terminal body.
- Apply ATF to O-rings.





3. Install and tighten bolts.





Bolt length, number and location:





a. Install and tighten bolts b to specified torque.
: 7 - 9 Nm (0.7 - 0.9 kgf-cm, 61 - 78 inch lbs.)





b. Install solenoid valve assembly and line pressure solenoid valve to lower body.





c. Set oil strainer, then tighten bolts a, c, d and nuts f to specified torque.
: 7 - 9 Nm (0.7 - 0.9 kgf-cm, 61 - 78 inch lbs.)





d. Tighten bolts e to specified torque.
: 3.4 - 4.4 Nm (0.35 - 0.45 kgf-cm, 30.4 - 39.1 inch lbs.)