Operation CHARM
: Car repair manuals for everyone.
Home
>>
Nissan-Datsun
>>
2003
>>
Frontier 2WD L4-2.4L (KA24DE)
>>
Repair and Diagnosis
>>
Powertrain Management
>>
Computers and Control Systems
>>
Relays and Modules - Computers and Control Systems
>>
Engine Control Module
>>
Testing and Inspection
>>
Component Tests and General Diagnostics
Manuals through 2025 now available!
Our trusted friends have launched a new website named LEMON, which has newer manuals. It also contains all the CHARM manuals.
LEMON is the spiritual successor to CHARM, I recommend you try it!
Link:
lemon-manuals.la
or
lemon-manuals.org.ua
(Some people have issue connecting. LEMON is investigating. For now, use Firefox or change your DNS server)
Or, hide this message:
temporarily
or
permanently
Component Tests and General Diagnostics
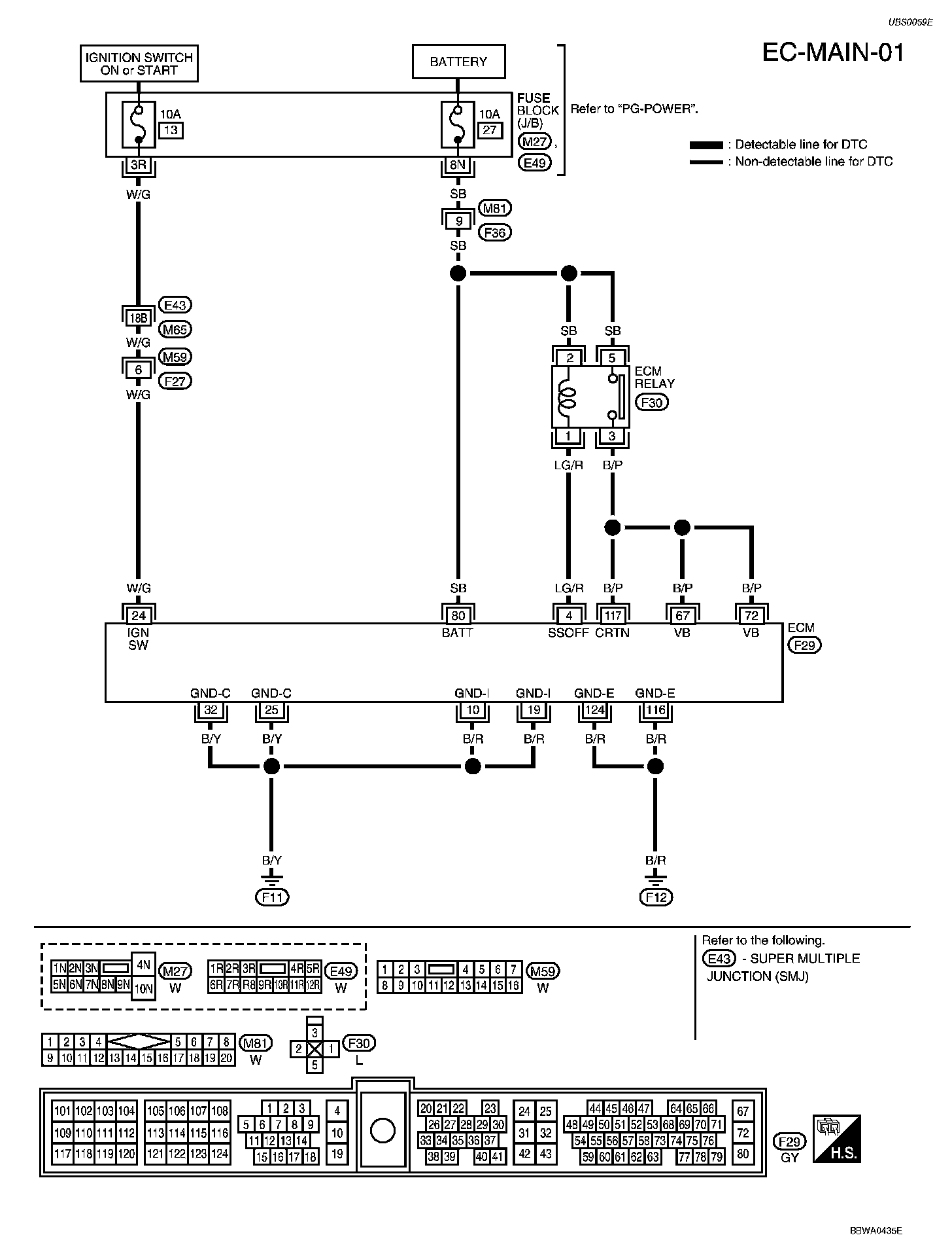
POWER SUPPLY CIRCUIT FOR ECM
EC-MAIN-01:
Wiring Diagram
Diagnostic Procedure Step 1:
Diagnostic Procedure Step 2 - 5:
Diagnostic Procedure Step 6 - 9:
Diagnostic Procedure Step 10 - 13:
Diagnostic Procedure