Component Tests and General Diagnostics
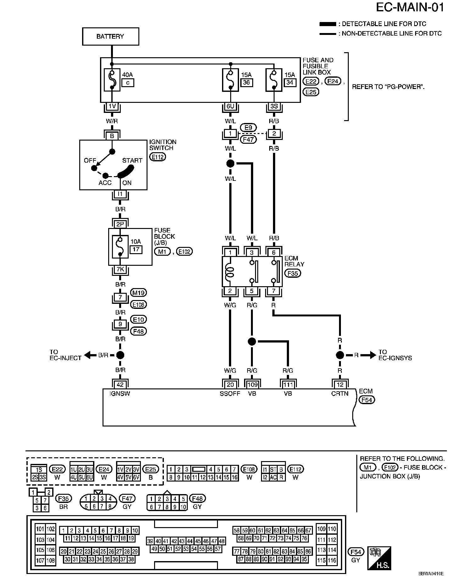
EC-MAIN-01:
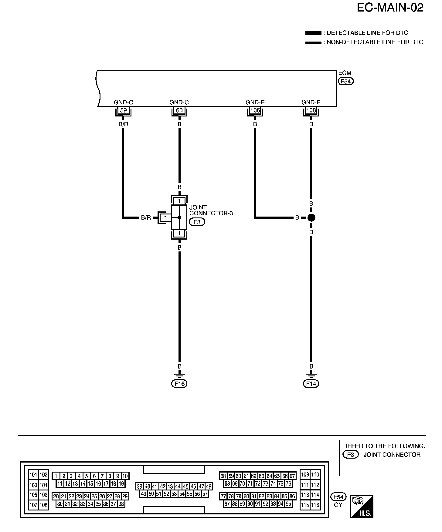
EC-MAIN-02:
Wiring Diagram
Diagnostic Procedure Step 1 - 3:
Diagnostic Procedure Step 4 - 7:
Diagnostic Procedure Step 8 - 10:
Diagnostic Procedure Step 11 - 15:
Diagnostic Procedure Step 16:
Diagnostic Procedure
Component Inspection
ECM RELAY
1. Apply 12 V direct current between ECM relay terminals 1 and 2.
2. Check continuity between relay terminals 3 and 5, 6 and 7.
3. If NG, replace ECM relay.