Operation CHARM: Car repair manuals for everyone.
Manuals through 2025 now available!

Our trusted friends have launched a new website named LEMON, which has newer manuals. It also contains all the CHARM manuals.

LEMON is the spiritual successor to CHARM, I recommend you try it!

Link: lemon-manuals.la or lemon-manuals.org.ua

(Some people have issue connecting. LEMON is investigating. For now, use Firefox or change your DNS server)

Or, hide this message: temporarily or permanently

Component Tests and General Diagnostics

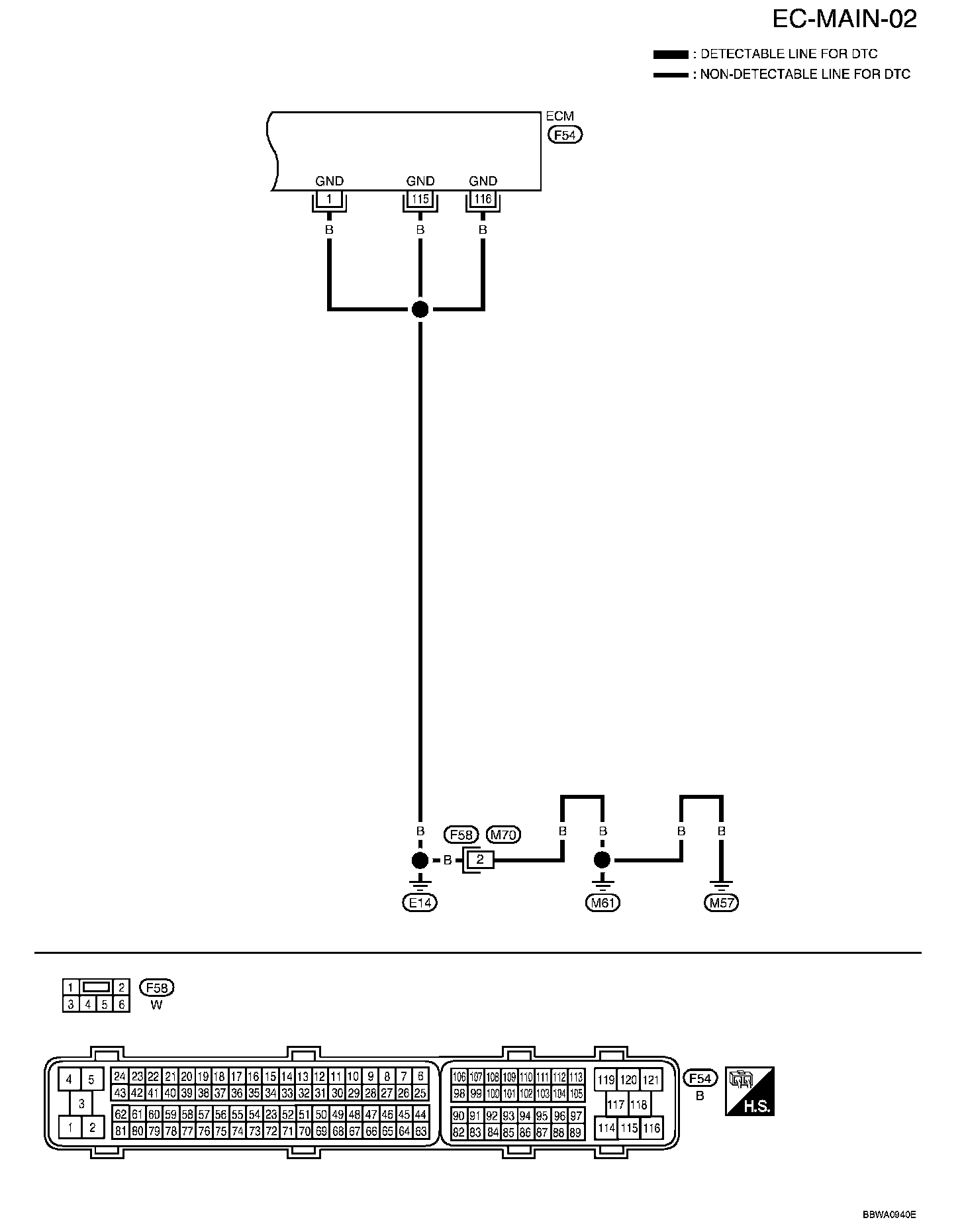
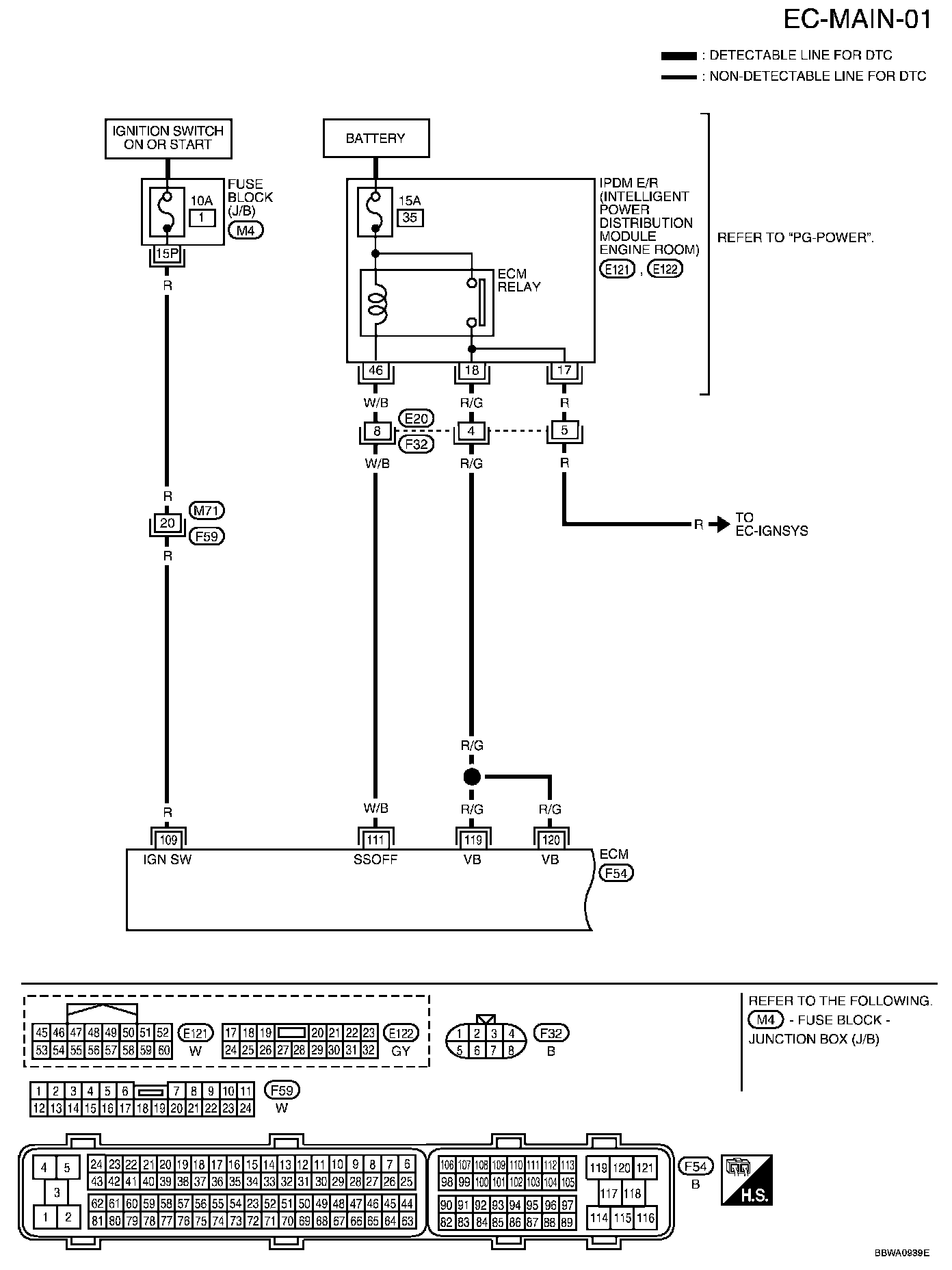
POWER SUPPLY CIRCUIT FOR ECM

EC-MAIN-01:







EC-MAIN-02:







Wiring Diagram

Diagnostic Procedure (Steps 1 - 3):




Diagnostic Procedure (Steps 4 - 7):




Diagnostic Procedure (Steps 8 - 11):




Diagnostic Procedure (Steps 12 - 15):




Diagnostic Procedure (Steps 16 - 18):




Diagnostic Procedure