Operation CHARM: Car repair manuals for everyone.
Manuals through 2025 now available!

Our trusted friends have launched a new website named LEMON, which has newer manuals. It also contains all the CHARM manuals.

LEMON is the spiritual successor to CHARM, I recommend you try it!

Link: lemon-manuals.la or lemon-manuals.org.ua

(Some people have issue connecting. LEMON is investigating. For now, use Firefox or change your DNS server)

Or, hide this message: temporarily or permanently

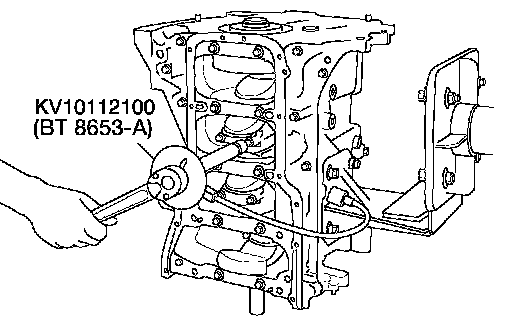
Connecting Rod Bolt Torque Sequence





- Tighten the connecting rod bolt as follows:
Apply engine oil to the threads and seats of the connecting rod bolts.

CAUTION: Always use either an angle wrench or protractor. Avoid tightening based on visual check alone.

Stage 1: 18.6 - 20.6 Nm (1.9 - 2.1 kg-m, 14 -15 ft. lbs.)
Stage 2: Rotate bolts 85° - 95° degrees (target 90° degrees)
^ Check the connecting rod side clearance.
^ After tightening the bolts, make sure that the crankshaft rotates smoothly.