Operation CHARM: Car repair manuals for everyone.
Manuals through 2025 now available!

Our trusted friends have launched a new website named LEMON, which has newer manuals. It also contains all the CHARM manuals.

LEMON is the spiritual successor to CHARM, I recommend you try it!

Link: lemon-manuals.la or lemon-manuals.org.ua

(Some people have issue connecting. LEMON is investigating. For now, use Firefox or change your DNS server)

Or, hide this message: temporarily or permanently

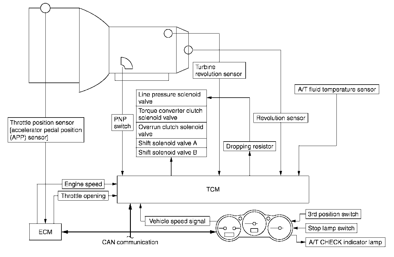
Control System

Control System
OUTLINE





The automatic transaxle senses vehicle operating conditions through various sensors. It always controls the optimum shift position and reduces shifting and lock-up shocks.





CONTROL SYSTEM

TCM FUNCTION
The function of the TCM is to:
^ Receive input signals sent from various switches and sensors.
^ Determine required line pressure, shifting point, lock-up operation, and engine brake operation.
^ Send required output signals to the respective solenoids.





INPUT/OUTPUT SIGNAL OF TCM