Operation CHARM: Car repair manuals for everyone.
Manuals through 2025 now available!

Our trusted friends have launched a new website named LEMON, which has newer manuals. It also contains all the CHARM manuals.

LEMON is the spiritual successor to CHARM, I recommend you try it!

Link: lemon-manuals.la or lemon-manuals.org.ua

(Some people have issue connecting. LEMON is investigating. For now, use Firefox or change your DNS server)

Or, hide this message: temporarily or permanently

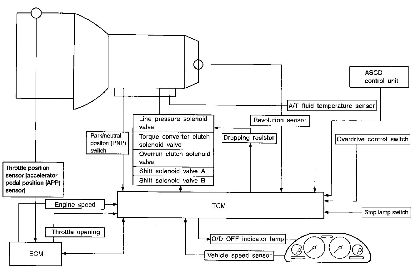
Control System

Control System
OUTLINE





The automatic transaxle senses vehicle operating conditions through various switches and sensors. It always controls the optimum shift position and reduces shifting and lock-up shocks.





CONTROL SYSTEM

TCM FUNCTION
The function of the TCM is to:
^ Receive input signals sent from various switches and sensors.
^ Determine required line pressure, shifting point, lock-up operation, and engine brake operation.
^ Send required output signals to the respective solenoids.





INPUT/OUTPUT SIGNAL OF TCM