Operation CHARM: Car repair manuals for everyone.
Manuals through 2025 now available!

Our trusted friends have launched a new website named LEMON, which has newer manuals. It also contains all the CHARM manuals.

LEMON is the spiritual successor to CHARM, I recommend you try it!

Link: lemon-manuals.la or lemon-manuals.org.ua

(Some people have issue connecting. LEMON is investigating. For now, use Firefox or change your DNS server)

Or, hide this message: temporarily or permanently

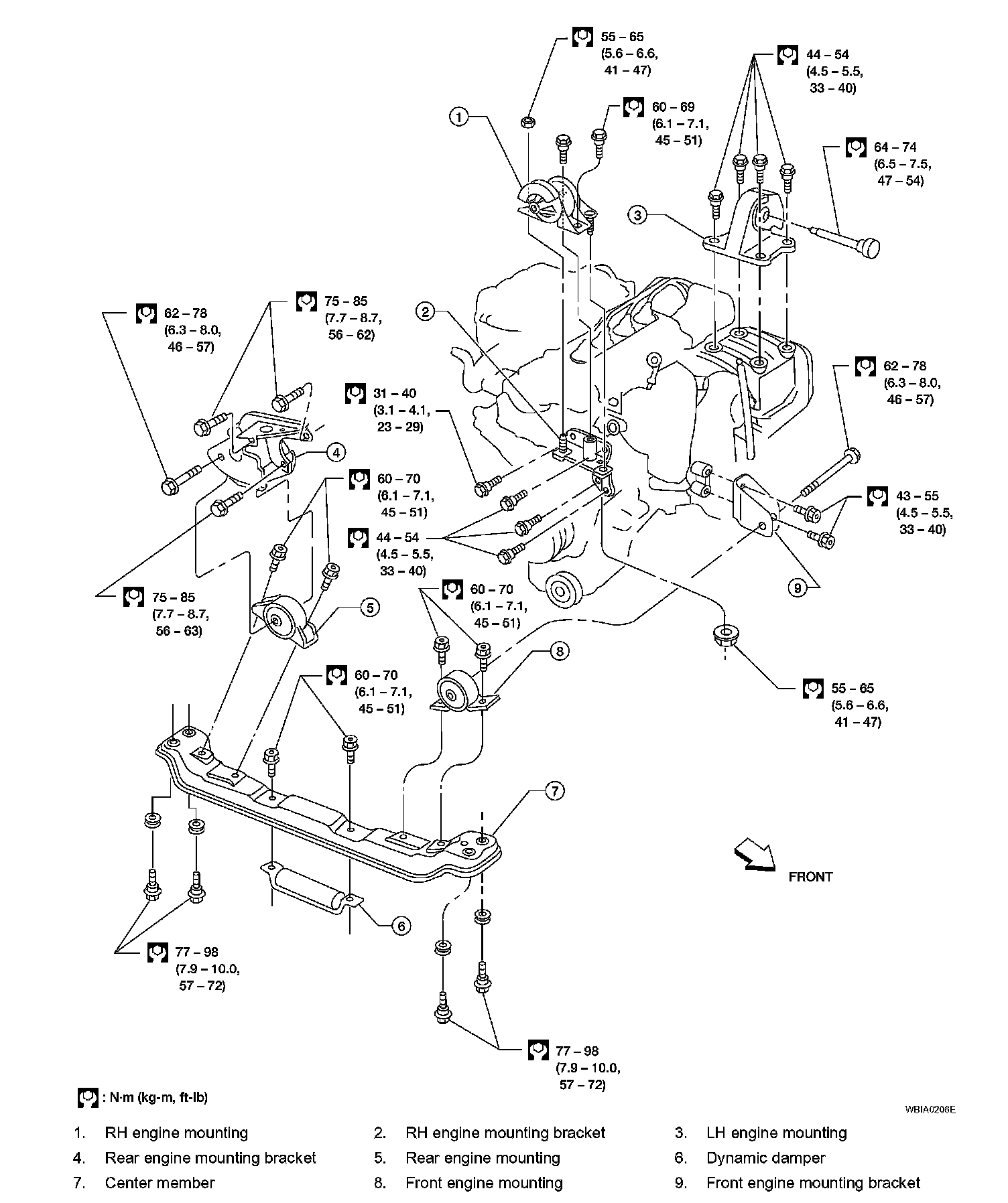
Torque Specifications



1.8L (QG18DE):




1.8L (QG18DE):




1.8L (QG18DE):




1.8L (QG18DE):









WATER PUMP

WATER PUMP - 1.8L (QG18DE):







THERMOSTAT AND THERMOSTAT HOUSING

THERMOSTAT AND THERMOSTAT HOUSING:







TIMING CHAIN

TIMING CHAIN - 1.8L (QG18DE):




TIMING CHAIN - 1.8L (QG18DE):












A [M6 x 20 mm (0.79 inch)],
B [M6 x 40 mm (1.57 inch)],
C [M8 x 70 mm (2.76)],
D [M6 x 73 mm (2.87 inch)]
Bolt C also secures the power steering pump adjusting bar.
Bolt E [M6 x 12 mm (0.47 inch)] is for installing power steering pump adjusting bar.



INTAKE MANIFOLD

1.8L (QG18DE):







EXHAUST MANIFOLD

Exhaust System (QG18DE):










OIL PUMP


OIL PUMP:




Oil Pump / Standard Clearance:






OIL PAN





OIL PAN - 1.8L (QG18DE):








CYLINDER HEAD - Torque Specs


Cylinder Head - 1.8L (QG18DE):





Cylinder Head - 1.8L (QG18DE):






Rocker Cover - 1.8L (QG18DE):














4. Tighten cylinder head bolts (1) to (10) in numerical order as shown in 5 steps.
Cylinder head bolts
Step 1: 29.4 Nm (3.0 kg-m, 22 ft. lbs.)
Step 2: 58,8 Nm (6.0 kg-m, 43 ft. lbs.)
Step 3: 0 Nm (0 kg-m, 0 ft. lbs.) (loosen)
Step 4: 27.4 - 31.4 Nm (2.8 - 3.2 kg-m, 21 - 23 ft. lbs.)
Step 5: 50° - 55° (target: 50°) clockwise







5. Tighten cylinder head auxiliary bolts (11) to (14) in numerical order shown.
Cylinder head auxiliary bolts: 6.28 - 8.34 Nm (0.64 - 0.85 kg-m, 56 - 73 inch lbs.)
- Verify shank length under bolt head. [Bolt 11: 20 mm (0.79 inch), bolts 12 - 14: 25 mm (0.98 inch)]



ROCKER COVER


1.8l:










Tighten the rocker cover bolts to specified torque in two steps, in the numerical order as shown.

Bolt length:
Bolt position Torque
25 mm (0.98 inch): 1: 8.82 - 10.78 Nm (0.90 - 1.00 kg-m, 78 - 95 inch lbs.)
65 mm (2.56 inch): 2: 8.82 - 10.78 Nm (0.90 - 1.00 kg-m, 78 - 95 inch lbs.)
20 mm (0.79 inch)Except the above (all circumference): 6.9 - 9.5 Nm -(0.70 - 0.97 kg-m, 61 - 84 inch lbs.)

6. Install the intake valve timing control solenoid valve to:
8.82 - 10.78 Nm (0.90 - 1.00 kg-m, 78 - 95 inch lbs.)

Install the camshaft position sensor (PHASE) to:
7.22 - 10.78 Nm (0.90 - 1.00 kg-m, 78 - 95 inch lbs.)

Tighten bolt after fully inserting it into rocker cover.



CYLINDER BLOCK - Torque Specs


CYLINDER BLOCK - 1.8L (QG18DE):










Tighten connecting rod cap nuts in two stages:
Stage 1: 13.72- 15.68 Nm (1.399- 1.599 kg-m, 10.120 - 11.566 ft. lbs.)
Stage 2: 35 - 40 degrees clockwise, or 23 - 28 Nm (2.3 - 2.9 kg-m,17 - 21 ft. lbs.)




Crankshaft position sensor bolt: ........................7.2 - 10.8 Nm (0.73 - 1.10 kg-m, 63.4 - 95.5 inch lbs.)

Knock sensor bolt: 15.7 - 20.6 Nm (1.6 - 2.1 kg-m, 12 - 15 ft. lbs.)



CAMSHAFT - Torque Specs

Camshafts - 1.8L (QG18DE):










Tighten camshaft bracket mounting bolts as follows.
Different bolts are used depending on installation location. Refer to following for proper bolt locations.

Bolt color:
1 to 10 in figure: black (reamer bolt)
11 and 12 in figure: gold


Camshaft bracket bolt
Step 1 (bolts 9 - 12): .........2.0 Nm (0.2 kg-m, 18 inch lbs.)
Step 2 (bolts 1 - 8): ..........2.0 Nm (0.2 kg-m, 18 inch lbs.)
Step 3: .......................5.9 Nm (0.6 kg-m, 52 inch lbs.)
Step 4: .......................9.0 - 11.8 Nm (0.92 - 1.2 kg-m, 80 - 104 inch lbs.)


Intake camshaft: ..............78.4 - 88.2 Nm (8.0 - 9.0 kg-m, sprocket bolt 58 - 65 ft. lbs.)

Exhaust camshaft: ..........98.1 -127.5 Nm (10 -13 kg-m, sprocket bolt 73 - 94 ft. lbs.)