Intelligent Key System/Engine Start Function
Wiring Diagram -INTELLIGENT KEY SYSTEM/ENGINE START FUNCTION-Wiring Diagram - Intelligent Key System/Engine Start Function (Part 1):
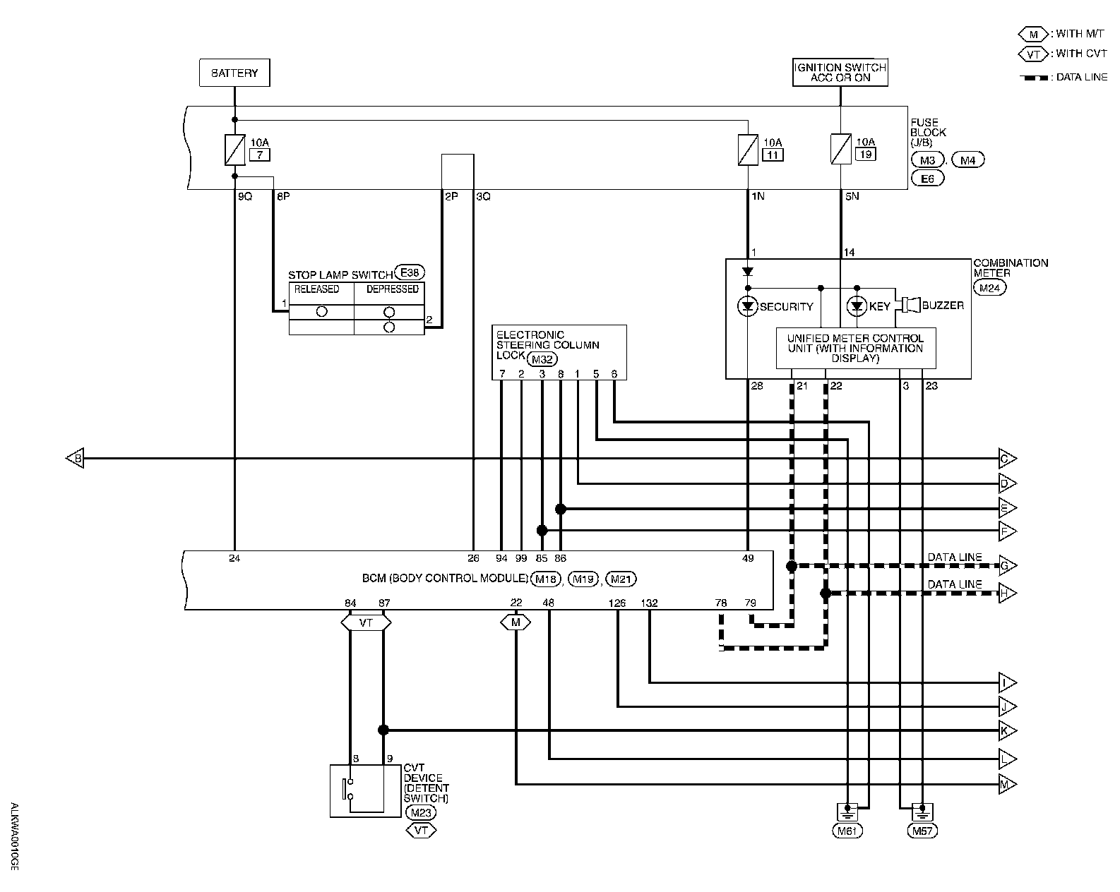
Wiring Diagram - Intelligent Key System/Engine Start Function (Part 2):
Wiring Diagram - Intelligent Key System/Engine Start Function (Part 3):
Wiring Diagram - Intelligent Key System/Engine Start Function (Part 4):
Wiring Diagram - Intelligent Key System/Engine Start Function (Part 5):
Wiring Diagram - Intelligent Key System/Engine Start Function (Part 6):
Wiring Diagram - Intelligent Key System/Engine Start Function (Part 7):
Wiring Diagram - Intelligent Key System/Engine Start Function (Part 8):
Wiring Diagram - Intelligent Key System/Engine Start Function (Part 9):
Wiring Diagram - Intelligent Key System/Engine Start Function (Part 10):
Wiring Diagram - Intelligent Key System/Engine Start Function (Part 11):
Wiring Diagram - Intelligent Key System/Engine Start Function (Part 12):
Wiring Diagram - Intelligent Key System/Engine Start Function (Part 13):
Wiring Diagram - Intelligent Key System/Engine Start Function (Part 14):
INTELLIGENT KEY SYSTEM/ENGINE START FUNCTION