Operation CHARM: Car repair manuals for everyone.
Manuals through 2025 now available!

Our trusted friends have launched a new website named LEMON, which has newer manuals. It also contains all the CHARM manuals.

LEMON is the spiritual successor to CHARM, I recommend you try it!

Link: lemon-manuals.la or lemon-manuals.org.ua

(Some people have issue connecting. LEMON is investigating. For now, use Firefox or change your DNS server)

Or, hide this message: temporarily or permanently

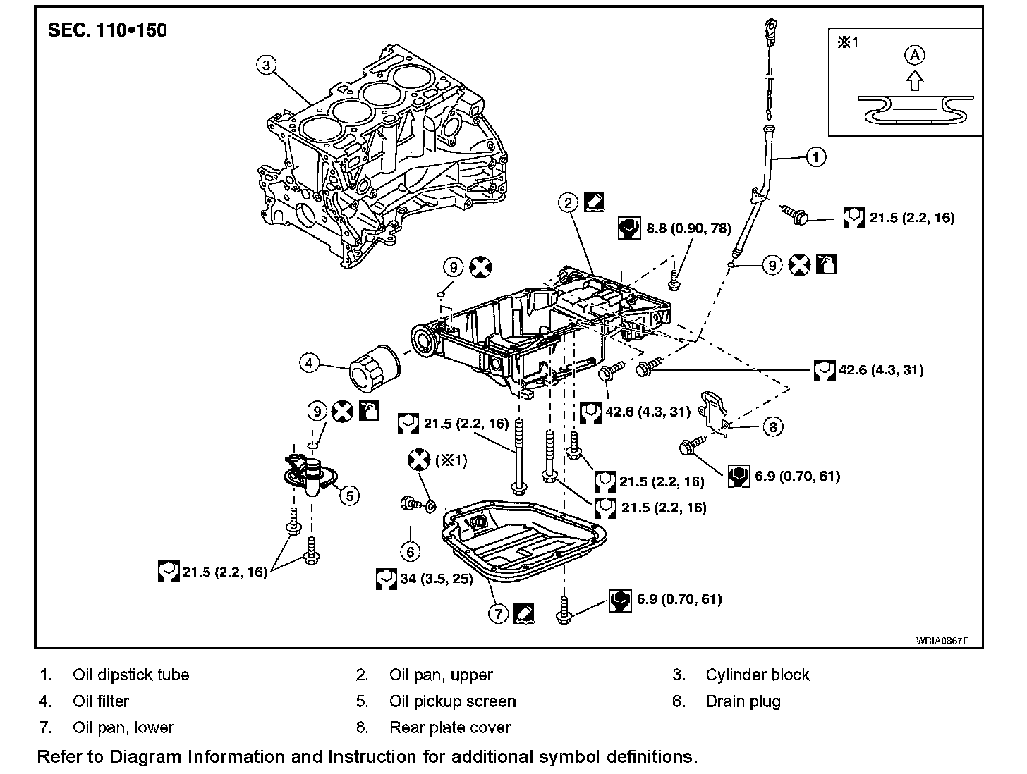
Oil Pan, Engine

Exploded View EM-138:





Oil Pan





Tighten the upper oil pan bolts in the order as shown.
Bolt No.10, 11, 18 indicate a double tightening in the sequence of bolt No.s 1, 2, 3.

NOTE:
Refer below for specified bolt sizes:
M6 � 20 mm (0.79 in): No.19, 20
M8 � 25 mm (0.98 in): No.1, 3, 4, 9
M8 x 45 mm (1.77 in): No.2, 5, 6, 7, 8, 17
M8 x 100 mm (3.97 in): No.12, 13, 14, 15, 16





Apply Genuine Silicone RTV Sealant, or equivalent to the lower oil pan. Refer to GI-44, "Recommended Chemical Products and Sealants". Testing and Inspection





Tighten the lower oil pan bolts in the numerical order shown.
Wait at least 30 minutes after the oil pans are installed before filling the engine with oil.