Operation CHARM: Car repair manuals for everyone.
Manuals through 2025 now available!

Our trusted friends have launched a new website named LEMON, which has newer manuals. It also contains all the CHARM manuals.

LEMON is the spiritual successor to CHARM, I recommend you try it!

Link: lemon-manuals.la or lemon-manuals.org.ua

(Some people have issue connecting. LEMON is investigating. For now, use Firefox or change your DNS server)

Or, hide this message: temporarily or permanently

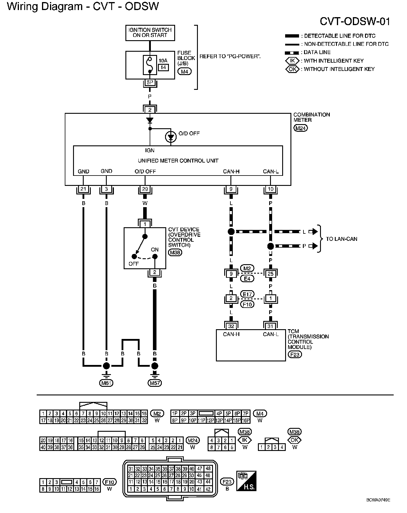
Overdrive Control Switch

OVERDRIVE CONTROL SWITCH

Description
^ Overdrive control switch is installed to the selector lever.
^ O/D OFF indicator turns ON, and overdrive driving activates when pressing the overdrive control switch while driving in "D", position. O/D OFF indicator turns OFF, and "D", position driving starts when pressing the overdrive control switch while driving in the overdrive-off mode. Shifting the selector lever in any position other than "D", releases the overdrive-off mode.

CONSULT-III Reference Value:





Wiring Diagram - CVT - ODSW

CVT-ODSW-01:





TCM TERMINALS AND REFERENCE VALUES
Refer to CVT-44, "TCM Input/Output Signal Reference Value". Pinout Values and Diagnostic Parameters

Diagnosis Procedure

1.CHECK CAN COMMUNICATION LINE
Perform the self-diagnosis check. Refer to CVT-46, "CONSULT-III Function (TRANSMISSION)". Consult-III Function (Transmission)
Is any malfunction of the "U1000 CAN COMM CIRCUIT" indicated in the results?
YES >> Check CAN communication line. Refer to CVT-54. U1000
NO >> GO TO 2.

2.CHECK OVERDRIVE CONTROL SWITCH SIGNAL

With CONSULT-III
1. Turn ignition switch ON.
2. Select "ECU INPUT SIGNALS" in "DATA MONITOR" mode for "TRANSMISSION" with CONSULT-III.
3. Read out ON/OFF switching action of the "SPORT MODE SW".





OK or NG
OK >> INSPECTION END
NG >> GO TO 3.

3.CHECK OVERDRIVE CONTROL SWITCH
Check overdrive control switch. Refer to CVT-147, "Component Inspection".
OK or NG
OK >> GO TO 4.
NG >> Repair or replace damaged parts.

4.CHECK SELF-DIAGNOSTIC RESULTS (COMBINATION METER)
Perform self-diagnosis check. Refer to DI-13, "Self-Diagnosis Mode of Combination Meter". Self-Diagnosis Mode of Combination Meter
Is any malfunction detected by self-diagnostic?
YES >> Check the malfunctioning system.
NO - 1 >> With Intelligent Key: GO TO 5.
NO - 2 >> Without Intelligent Key: GO TO 6.

5.CHECK OVERDRIVE CONTROL SWITCH CIRCUIT WITH INTELLIGENT KEY
1. Turn ignition switch OFF.
2. Disconnect CVT device connector and combination meter connector.








3. Check continuity between CVT device harness connector (A) terminal and combination meter harness connector (B) terminal.








4. Check continuity between CVT device harness connector terminal and ground.
5. If OK, check harness for short to ground and short to power.
6. Reinstall any part removed.
OK or NG
OK >> INSPECTION END
NG >> Repair open circuit or short to ground or short to power in harness or connectors.

6.CHECK OVERDRIVE CONTROL SWITCH CIRCUIT WITHOUT INTELLIGENT KEY
1. Turn ignition switch OFF.
2. Disconnect CVT device connector and combination meter connector.








3. Check continuity between CVT device harness connector (A) terminal and combination meter harness connector (B) terminal.








4. Check continuity between CVT device harness connector terminal and ground.
5. If OK, check harness for short to ground and short to power.
6. Reinstall any part removed.
OK or NG
OK >> INSPECTION END
NG >> Repair open circuit or short to ground or short to power in harness or connectors.

Component Inspection

OVERDRIVE CONTROL SWITCH

With Intelligent Key








Check continuity between CVT device harness connector terminals.

Without Intelligent Key








Check continuity between CVT device harness connector terminals.