Operation CHARM: Car repair manuals for everyone.
Manuals through 2025 now available!

Our trusted friends have launched a new website named LEMON, which has newer manuals. It also contains all the CHARM manuals.

LEMON is the spiritual successor to CHARM, I recommend you try it!

Link: lemon-manuals.la or lemon-manuals.org.ua

(Some people have issue connecting. LEMON is investigating. For now, use Firefox or change your DNS server)

Or, hide this message: temporarily or permanently

ASCD Brake Switch

ASCD BRAKE SWITCH




Component Description
When depress on the brake pedal, ASCD brake switch (1) is turned OFF and stop lamp switch (2) is turned ON. ECM detects the state of the brake pedal (3) by this input of two kinds (ON/OFF signal)
Refer to ASCD function.

CONSULT-III Reference Value in Data Monitor Mode






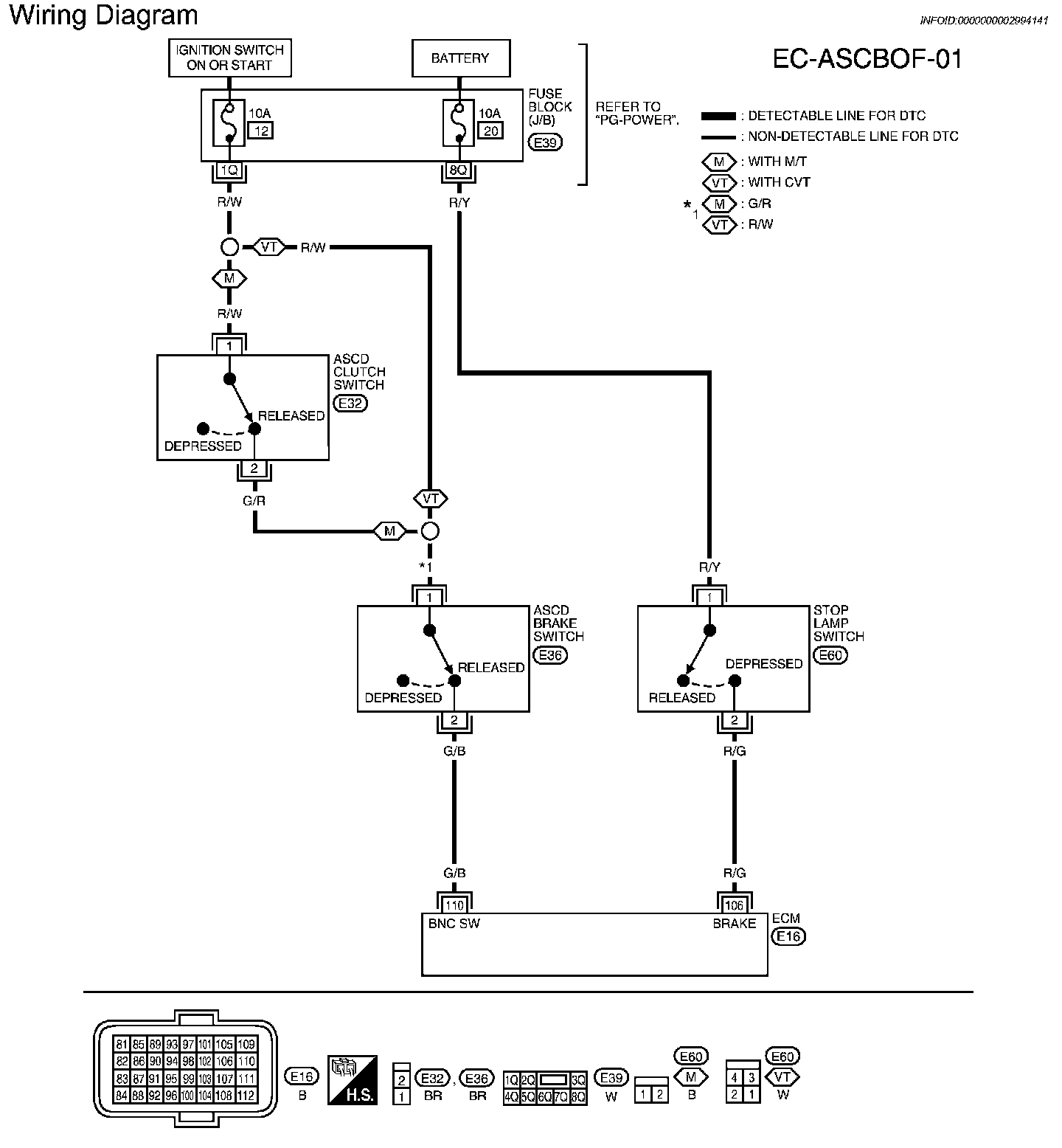
Wiring Diagram

EC-ASCBOF-01:









Diagnosis Procedure

Step 1-2:




Step 2 (Continued)-4:




Step 4 (Continued)-8:




Step 8 (Continued)-13:




Step 13 (Continued)-15:






Component Inspection

ASCD BRAKE SWITCH
1. Turn ignition switch OFF.
2. Disconnect ASCD brake switch harness connector.




3. Check continuity between ASCD brake switch terminals 1 and 2 under the following conditions.
If NG, adjust ASCD brake switch installation, and perform step 3 again.

ASCD CLUTCH SWITCH
1. Turn ignition switch OFF.
2. Disconnect ASCD clutch switch harness connector.




3. Check continuity between ASCD clutch switch terminals 1 and 2 under the following conditions.
If NG, adjust ASCD clutch switch installation, and perform step 3 again.

STOP LAMP SWITCH
1. Turn ignition switch OFF.
2. Disconnect stop lamp switch harness connector.
3. Check continuity between stop lamp switch terminals 1 and 2 under the following conditions.






If NG, adjust stop lamp switch installation, and perform step 3 again.