Operation CHARM: Car repair manuals for everyone.
Manuals through 2025 now available!

Our trusted friends have launched a new website named LEMON, which has newer manuals. It also contains all the CHARM manuals.

LEMON is the spiritual successor to CHARM, I recommend you try it!

Link: lemon-manuals.la or lemon-manuals.org.ua

(Some people have issue connecting. LEMON is investigating. For now, use Firefox or change your DNS server)

Or, hide this message: temporarily or permanently

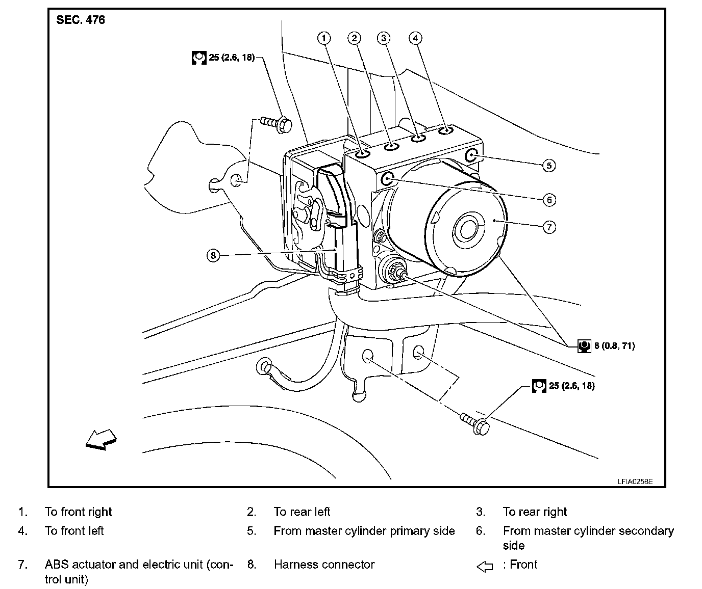
Electronic Brake Control Module: Service and Repair

ACTUATOR AND ELECTRIC UNIT (ASSEMBLY)

Removal and Installation

BRC-33 Components:





CAUTION:
^ Before servicing, disconnect battery cables.
^ To remove brake tube, use flare nut wrench to prevent flare nuts and brake tube from being damaged. To install, use flare nut torque wrench, tighten flare nut to the specified torque. Refer to BR-10, "Hydraulic Circuit". Diagrams
^ Do not apply excessive impact to ABS actuator and electric unit (control unit), such as dropping it.
^ Do not remove and install actuator by holding harness.
^ After work is completed, bleed air from brake tube and hose.


REMOVAL
1. Disconnect ABS actuator and electric unit (control unit) connector and ground wire.
2. Loosen brake tube flare nuts, then remove brake tubes from ABS actuator and electric unit (control unit).
3. Remove brake booster hose from engine.
4. Remove ABS actuator and electric unit (control unit) bracket bolts.
5. Remove ABS actuator and electric unit (control unit) from vehicle.

INSTALLATION
Installation is in the reverse order of removal.

CAUTION:
After installing harness connector in the ABS actuator and electric unit (control unit), make sure connector is securely locked.