Operation CHARM: Car repair manuals for everyone.
Manuals through 2025 now available!

Our trusted friends have launched a new website named LEMON, which has newer manuals. It also contains all the CHARM manuals.

LEMON is the spiritual successor to CHARM, I recommend you try it!

Link: lemon-manuals.la or lemon-manuals.org.ua

(Some people have issue connecting. LEMON is investigating. For now, use Firefox or change your DNS server)

Or, hide this message: temporarily or permanently

Procedures





MTC


OIL


Maintenance of Oil Quantity in Compressor

The oil in the compressor circulates through the system with the refrigerant. Add oil to compressor when replacing any component or after a large refrigerant leakage has occurred. It is important to maintain the specified amount.
If oil quantity is not maintained properly, the following malfunctions may result:
- Lack of oil: May lead to a seized compressor
- Excessive oil: Inadequate cooling (thermal exchange interference)

OIL
- Oil type: NISSAN A/C System Oil Type S or equivalent

CHECKING AND ADJUSTING

CAUTION:
If excessive oil leakage is noted, do not perform the oil return operation.
Start the engine and set the following conditions:

Test Condition
- Engine speed: Idling to 1,200 rpm
- A/C switch: On
- Blower fan speed: Max. position
- Temp. control: Optional [Set so that intake air temperature is 25� to 30� C (77� to 86�F).]







- Perform oil return operation for about ten minutes
Adjust the oil quantity according to the following table.

Oil Adjusting Procedure for Components Replacement Except Compressor
After replacing any of the following major components, add the correct amount of oil to the system.






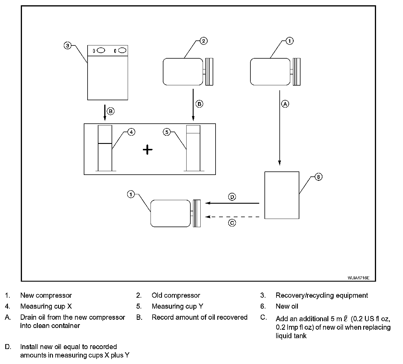
Oil Adjustment Procedure for Compressor Replacement






1. Before connecting recovery/recycling equipment to vehicle, check recovery/recycling equipment gauges.
No refrigerant pressure should be displayed. If NG, recover refrigerant from equipment lines.
2. Connect recovery/recycling equipment to vehicle. Confirm refrigerant purity in supply tank using recovery/recycling equipment and refrigerant identifier. If NG, refer to Contaminated Refrigerant.
3. Confirm refrigerant purity in vehicle A/C system using recovery/recycling equipment and refrigerant identifier. If NG, refer to Contaminated Refrigerant.
4. Discharge refrigerant into the refrigerant recovery/recycling equipment. Measure oil discharged into the recovery/recycling equipment.
5. Drain the oil from the "old" (removed) compressor into a graduated container and recover the amount of oil drained.
6. Drain the oil from the "new" compressor into a separate, clean container.
7. Measure an amount of new oil installed equal to amount drained from "old" compressor. Add this oil to "new" compressor through the suction port opening.
8. Measure an amount of new oil equal to the amount recovered during discharging. Add this oil to "new" compressor through the suction port opening.
9. If the liquid tank also needs to be replaced, add an additional 5 ml (0.2 US fl oz, 0.2 Imp fl oz) of oil at this time.

CAUTION:
Do not add this 5 ml (0.2 US fl oz, 0.2 Imp fl oz) of oil if only replacing the compressor and not the liquid tank.