Operation CHARM: Car repair manuals for everyone.
Manuals through 2025 now available!

Our trusted friends have launched a new website named LEMON, which has newer manuals. It also contains all the CHARM manuals.

LEMON is the spiritual successor to CHARM, I recommend you try it!

Link: lemon-manuals.la or lemon-manuals.org.ua

(Some people have issue connecting. LEMON is investigating. For now, use Firefox or change your DNS server)

Or, hide this message: temporarily or permanently

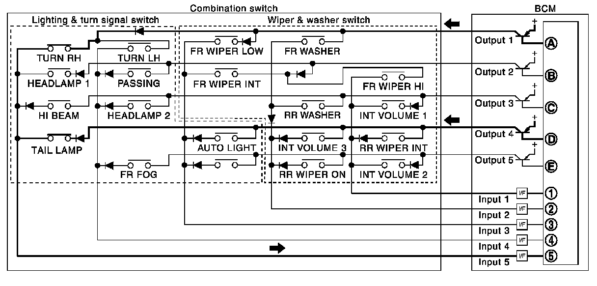
Combination Switch Reading System




SYSTEM

COMBINATION SWITCH READING SYSTEM : System Description


SYSTEM DIAGRAM






NOTE:
*: TAIL LAMP switch links lighting switch 1ST and 2ND positions.

OUTLINE

- BCM reads the status of the combination switch (light, turn signal, wiper and washer) and recognizes the status of each switch.
- BCM has a combination of 5 output terminals (OUTPUT 1 - 5) and 5 input terminals (INPUT 1 - 5). It reads a maximum of 20 switch status.

COMBINATION SWITCH MATRIX






NOTE:
*: TAIL LAMP switch links lighting switch 1ST and 2ND positions.
Combination switch INPUT-OUTPUT system list











COMBINATION SWITCH READING FUNCTION

Description
- BCM reads the status of the combination switch at 10 ms interval normally.





NOTE:
BCM reads the status of the combination switch at 60 ms interval when BCM is controlled at low power consumption control mode.
- BCM operates as follows and judges the status of the combination switch.
- It operates the transistor on OUTPUT side in the following order: OUTPUT 1 2 3 4 5, and outputs voltage waveform.
- The voltage waveform of OUTPUT corresponding to the formed circuit is input into the interface on INPUT
side if any (1 or more) switches are ON.
- It reads this change of the voltage as the status signal of the combination switch.





Operation Example
In the following operation example, the combination of the status signals of the combination switch is replaced as follows: INPUT 1 - 5 to "1 - 5" and OUTPUT 1 - 5 to "A - E".
- The circuit between OUTPUT 4 and INPUT 5 is formed when the TAIL LAMP switch is turned ON.





- BCM detects the combination switch status signal "5D" when the signal of OUTPUT 4 is input to INPUT 5.
- BCM judges that the TAIL LAMP switch is ON when the signal "5D" is detected.
- The circuits between OUTPUT 1 and INPUT 5 and between OUTPUT 4 and INPUT 5 are formed when the
TURN RH switch and TAIL LAMP switch are turned ON.





- BCM detects the combination switch status signal "5AD" when the signals of OUTPUT 1 and OUTPUT 4 are input to INPUT 5.
- BCM judges that the TURN RH switch and TAIL LAMP switch are ON when the signal "5AD" is detected.

WIPER VOLUME DIAL POSITION

BCM judges the wiper volume dial 1 - 7 by the status of WIP VOLUME 1, 2 and 3 switches.