Operation CHARM: Car repair manuals for everyone.
Manuals through 2025 now available!

Our trusted friends have launched a new website named LEMON, which has newer manuals. It also contains all the CHARM manuals.

LEMON is the spiritual successor to CHARM, I recommend you try it!

Link: lemon-manuals.la or lemon-manuals.org.ua

(Some people have issue connecting. LEMON is investigating. For now, use Firefox or change your DNS server)

Or, hide this message: temporarily or permanently

System Descriptiol




SYSTEM

AUTOMATIC AIR CONDITIONING SYSTEM : System Description


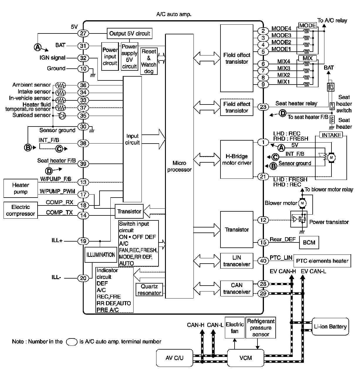
SYSTEM DIAGRAM







DESCRIPTION

- The automatic air conditioning system is controlled by the control functions of the A/C auto amp., VCM, and
AV control unit.
- The A/C system operations are input from the A/C auto amp. switches.
- The A/C auto amp. sends various display information to VCM via EV CAN communication.
- VCM sends information received from the A/C auto amp. to the AV control unit via CAN communication.
- AV control unit displays the A/C status on the display, based on the information received from VCM.

CONTROL BY A/C AUTO AMP.

-"AUTOMATIC AIR CONDITIONING SYSTEM : Temperature Control" Temperature Control
-"AUTOMATIC AIR CONDITIONING SYSTEM : Air Outlet Control" Air Outlet Control
-"AUTOMATIC AIR CONDITIONING SYSTEM : Air Flow Control" Air Flow Control
-"AUTOMATIC AIR CONDITIONING SYSTEM : Air Inlet Control" Air Inlet Control
-"AUTOMATIC AIR CONDITIONING SYSTEM : Compressor Control" Compressor Control
-"AUTOMATIC AIR CONDITIONING SYSTEM : PTC Element Heater Control" PTC Element Heater Control
-"AUTOMATIC AIR CONDITIONING SYSTEM : Heater Pump Control" Heater Pump Control
- Input data processing
- Ambient temperature correction
- The A/C auto amp. inputs the temperature detected with the ambient sensor as the ambient temperature.
- The A/C auto amp. internally processes the ambient temperature data is two data types: data for A/C control and data for ambient temperature display.
- When the vehicle speed is 30 km/h or less, if the effects of radiator heat and other factors result in a sudden increase in detected ambient temperature, the A/C auto amp. performs delay correction so that the recognized temperature rises slowly. Correction is performed so that the change is recognized quickly when the ambient temperature drops.
- When the temperature detected by the ambient sensor is less than approximately -20�C (-4�F), no correction is performed for the data for A/C control.
- When the temperature detected by the ambient sensor is less than approximately -29�C (-20�F), no correction is performed for the data for ambient temperature display.
- Interior air temperature correction
- The A/C auto amp. inputs the temperature detected by the in-vehicle sensor as the interior air temperature.
- In order to prevent effects from uneven temperatures inside the vehicle and from external disruptions, the A/
C auto amp. performs correction so that the recognized interior air temperature changes slowly. The A/C
auto amp. performs the correction so that the recognized interior temperature changes according to the difference between the detected interior temperature and the recognized interior temperature. If the difference is large, the changes occur quickly, and becomes slower as the difference becomes smaller.
- Intake temperature correction
- The A/C auto amp. inputs the temperature detected with the intake sensor as the air temperature after passing through the evaporator.
- In order to prevent effects from uneven intake temperatures and from external disruptions, the A/C auto amp. performs correction so that the recognized intake air temperature changes slowly. The A/C auto amp.
performs the correction so that the recognized intake temperature changes according to the difference between the detected intake temperature and the recognized intake temperature. If the difference is large, the changes occur quickly, and becomes slower as the difference becomes smaller.
- Sunload amount correction
- The A/C auto amp. inputs the sunload detected by the sunload sensor.
- When the sunload suddenly changes, for example when entering and leaving a tunnel, correction is performed so that the recognized sunload of the A/C auto amp. changes slowly.
- Set temperature correction
The A/C auto amp. controls the interior temperature so that it is always at the optimum level, and performs correction so that the temperature felt by the passengers matches the target temperature set with the temperature control dial, according to the ambient temperature detected by the ambient sensor.

CONTROL BY VCM

- For details of cooling fan control, refer to "HIGH VOLTAGE SYSTEM COOLING CONTROL : System Description" High Voltage System Cooling Control.