Operation CHARM: Car repair manuals for everyone.
Manuals through 2025 now available!

Our trusted friends have launched a new website named LEMON, which has newer manuals. It also contains all the CHARM manuals.

LEMON is the spiritual successor to CHARM, I recommend you try it!

Link: lemon-manuals.la or lemon-manuals.org.ua

(Some people have issue connecting. LEMON is investigating. For now, use Firefox or change your DNS server)

Or, hide this message: temporarily or permanently

Cylinder Head Assembly



Cylinder Head Torque & Sequence




Arrow Indicates Engine Front

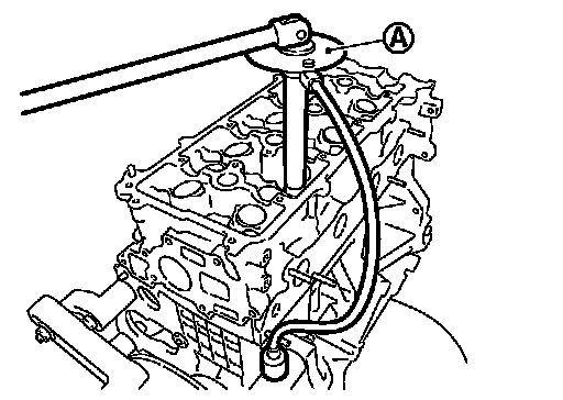
Install cylinder head, follow the steps below to tighten cylinder head bolts in numerical order as shown.






CAUTION:




Check and confirm the tightening angle by using Tool (A) or protractor. Never judge by visual inspection without the tool.






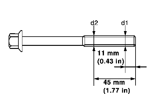
Re-usability

Cylinder Head Bolts Outer Diameter





Cylinder head bolts are tightened by plastic zone tightening method. Whenever the size difference between "d1" and "d2" exceeds the limit, replace them with a new one.





If reduction of outer diameter appears in a position other than "d2", use it as "d2" point.



Surface Variation








Camshaft Bearing Cap Torque & Sequence





Arrow Indicates Engine Front
Install camshaft bracket bolts in three stage in numerical order as shown in numerical order as shown.

There are two types of bolts. Use the following to locate bolts.






Tighten all bolts in numerical order in three steps.








INTAKE MANIFOLD

Specifications



EXHAUST MANIFOLD

Specifications



Camshaft Gear/Sprocket

Specifications