Operation CHARM: Car repair manuals for everyone.
Manuals through 2025 now available!

Our trusted friends have launched a new website named LEMON, which has newer manuals. It also contains all the CHARM manuals.

LEMON is the spiritual successor to CHARM, I recommend you try it!

Link: lemon-manuals.la or lemon-manuals.org.ua

(Some people have issue connecting. LEMON is investigating. For now, use Firefox or change your DNS server)

Or, hide this message: temporarily or permanently

Fuel Injection System Function





DTC P0171, P0174 FUEL INJECTION SYSTEM FUNCTION


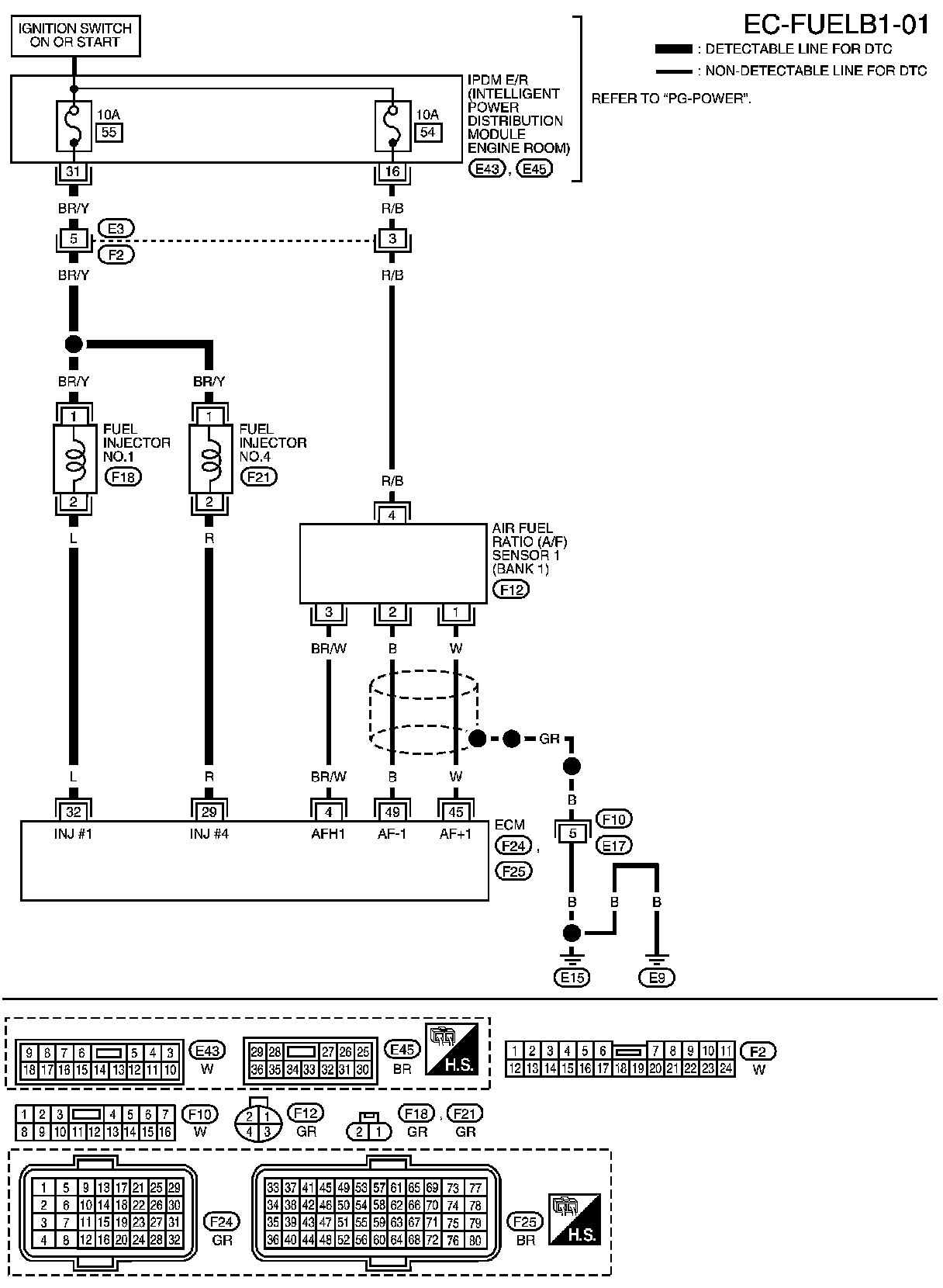
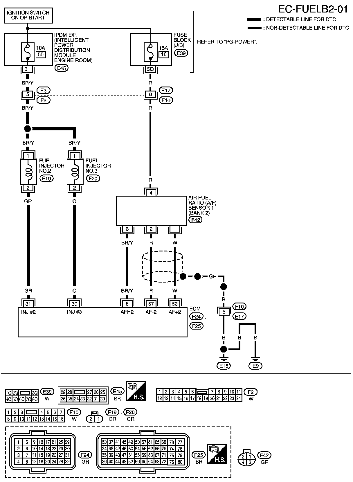
Wiring Diagram


BANK 1





Specification data are reference values and are measured between each terminal and ground.
Pulse signal is measured by CONSULT-III.

CAUTION:
Never use ECM ground terminals when measuring input/output voltage. Doing so may result in damage to the ECM's transistor. Use a ground other than ECM terminals, such as the ground.






BANK 2





Specification data are reference values and are measured between each terminal and ground.
Pulse signal is measured by CONSULT-III.

CAUTION:
Never use ECM ground terminals when measuring input/output voltage. Doing so may result in damage to the ECM's transistor. Use a ground other than ECM terminals, such as the ground.









DTC P0172, P0175 FUEL INJECTION SYSTEM FUNCTION


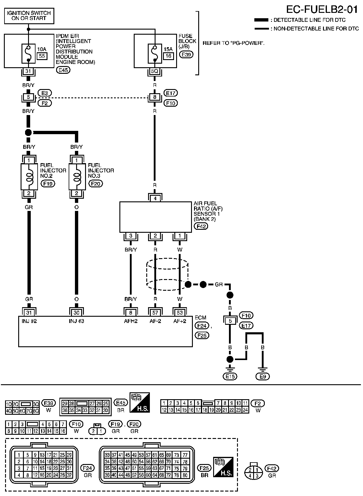
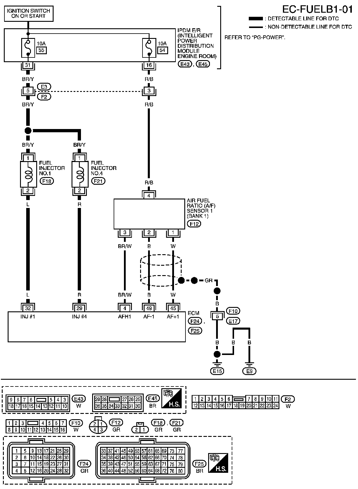
Wiring Diagram


BANK 1





Specification data are reference values and are measured between each terminal and ground.
Pulse signal is measured by CONSULT-III.

CAUTION:
Never use ECM ground terminals when measuring input/output voltage. Doing so may result in damage to the ECM's transistor. Use a ground other than ECM terminals, such as the ground.






BANK 2





Specification data are reference values and are measured between each terminal and ground.
Pulse signal is measured by CONSULT-III.

CAUTION:
Never use ECM ground terminals when measuring input/output voltage. Doing so may result in damage to the ECM's transistor. Use a ground other than ECM terminals, such as the ground.