Operation CHARM: Car repair manuals for everyone.
Manuals through 2025 now available!

Our trusted friends have launched a new website named LEMON, which has newer manuals. It also contains all the CHARM manuals.

LEMON is the spiritual successor to CHARM, I recommend you try it!

Link: lemon-manuals.la or lemon-manuals.org.ua

(Some people have issue connecting. LEMON is investigating. For now, use Firefox or change your DNS server)

Or, hide this message: temporarily or permanently

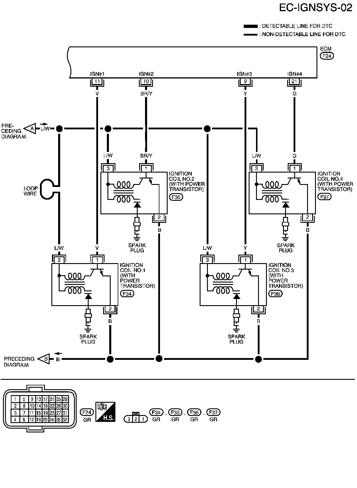
Ignition Signal


IGNITION SIGNAL





Component Description

IGNITION COIL & POWER TRANSISTOR





The ignition signal from the ECM is sent to and amplified by the power transistor. The power transistor turns ON and OFF the ignition coil primary circuit. This ON/OFF operation induces the proper high voltage in the coil secondary circuit.
- Ignition coil harness connector (1)
- Arrow Indicates Vehicle Front




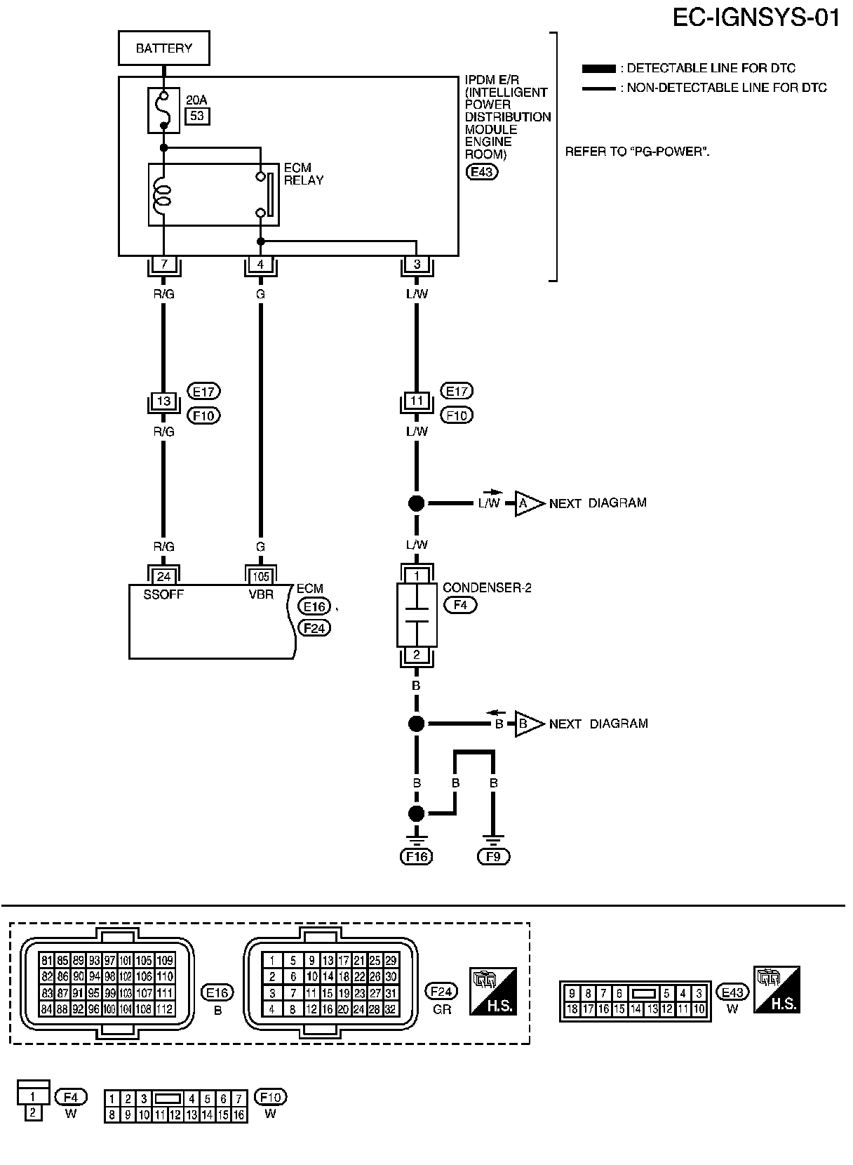
Wiring Diagram





Specification data are reference values and are measured between each terminal and ground.

CAUTION:
Never use ECM ground terminals when measuring input/output voltage. Doing so may result in damage to the ECM's transistor. Use a ground other than ECM terminals, such as the ground.










Specification data are reference values and are measured between each terminal and ground.
Pulse signal is measured by CONSULT-III.

CAUTION:
Never use ECM ground terminals when measuring input/output voltage. Doing so may result in damage to the ECM's transistor. Use a ground other than ECM terminals, such as the ground.









Diagnosis Procedure
1.CHECK ENGINE START
Turn ignition switch OFF, and restart engine.
Is engine running?
Yes or No
Yes (With CONSULT-III)-GO TO 2.
Yes (Without CONSULT-III)-GO TO 3.
No - GO TO 4.
2.CHECK OVERALL FUNCTION
With CONSULT-III
1. Perform "POWER BALANCE" in "ACTIVE TEST" mode with CONSULT-III.
2. Check that each circuit produces a momentary engine speed drop.
OK or NG
OK - INSPECTION END
NG - GO TO 10.
3.CHECK OVERALL FUNCTION
Without CONSULT-III
1. Let engine idle.





2. Read the voltage signal between ECM terminals 9, 10, 11, 21 and ground with an oscilloscope.
3. Verify that the oscilloscope screen shows the signal wave as shown below.
NOTE:
The pulse cycle changes depending on rpm at idle.






OK or NG
OK - INSPECTION END
NG - GO TO 10.
4.CHECK IGNITION COIL POWER SUPPLY CIRCUIT-I
1. Turn ignition switch OFF, wait at least 10 seconds and then turn ON.





2. Check voltage between ECM terminal 105 and ground with
CONSULT-III or tester.






OK or NG
OK - GO TO 5.
NG - Go to Power Supply And Ground Circuit.
5.CHECK IGNITION COIL POWER SUPPLY CIRCUIT-II
1. Turn ignition switch OFF.
2. Disconnect condenser-2 harness connector.
3. Turn ignition switch ON.





4. Check voltage between condenser-2 terminal 1 and ground with
CONSULT-III or tester.






OK or NG
OK - GO TO 8.
NG - GO TO 6.
6.CHECK IGNITION COIL POWER SUPPLY CIRCUIT-III
1. Turn ignition switch OFF.
2. Disconnect IPDM E/R harness connector E43.
3. Check harness continuity between IPDM E/R terminal 3 and condenser-2 terminal 1. Refer to Wiring Diagram.






4. Also check harness for short to ground and short to power.
OK or NG
OK - Go to Power Supply And Ground Circuit.
NG - GO TO 7.
7.DETECT MALFUNCTIONING PART
Check the following.
- Harness connectors E17, F10
- Harness for open or short between IPDM E/R and condenser-2
- Repair open circuit or short to ground or short to power in harness or connectors.
8.CHECK CONDENSER-2 GROUND CIRCUIT FOR OPEN AND SHORT
1. Turn ignition switch OFF.
2. Check harness continuity between condenser-2 terminal 2 and ground. Refer to Wiring Diagram.






3. Also check harness for short to power.
OK or NG
OK - GO TO 9.
NG - Repair open circuit or short to power in harness or connectors.
9.CHECK CONDENSER-2
SEE Component Inspection
OK or NG
OK - GO TO 10.
NG - Replace condenser-2.
10.CHECK IGNITION COIL POWER SUPPLY CIRCUIT-IV
1. Turn ignition switch OFF.
2. Reconnect all harness connectors disconnected.





3. Disconnect ignition coil harness connector (1).
4. Turn ignition switch ON.





5. Check voltage between ignition coil terminal 3 and ground with
CONSULT-III or tester.






OK or NG
OK - GO TO 12.
NG - GO TO 11.
11.DETECT MALFUNCTIONING PART
Check the following.
- Harness connector F10
- Harness for open or short between ignition coil and harness connector F10
- Repair or replace harness or connectors.
12.CHECK IGNITION COIL GROUND CIRCUIT FOR OPEN AND SHORT
1. Turn ignition switch OFF.
2. Check harness continuity between ignition coil terminal 2 and ground. Refer to Wiring Diagram.






3. Also check harness for short to power.
OK or NG
OK - GO TO 13.
NG - Repair open circuit or short to power in harness or connectors.
13.CHECK IGNITION COIL OUTPUT SIGNAL CIRCUIT FOR OPEN AND SHORT
1. Disconnect ECM harness connector.
2. Check harness continuity between ECM terminals 9, 10, 11, 21 and ignition coil terminal 1. Refer to Wiring Diagram.






3. Also check harness for short to ground and short to power.
OK or NG
OK - GO TO 14.
NG - Repair open circuit or short to ground or short to power in harness or connectors.
14.CHECK IGNITION COIL WITH POWER TRANSISTOR
SEE Component Inspection.
OK or NG
OK - GO TO 15.
NG - Replace malfunctioning ignition coil with power transistor. Service and Repair.
15.CHECK INTERMITTENT INCIDENT
Trouble Diagnosis For Intermittent Incident Trouble Diagnosis For Intermittent Incident.
- INSPECTION END




Component Inspection

IGNITION COIL WITH POWER TRANSISTOR

CAUTION:
Perform the following procedure in a place with no combustible objects and good ventilation.
1. Turn ignition switch OFF.
2. Disconnect ignition coil harness connector.





3. Check resistance between ignition coil terminals as follows.






4. If NG, replace ignition coil with power transistor. Service and Repair.
If OK, go to next step.
5. Turn ignition switch OFF.
6. Reconnect all harness connectors disconnected.





7. Remove fuel pump fuse (1) in IPDM E/R (2) to release fuel pressure.

NOTE:
Do not use CONSULT-III to release fuel pressure, or fuel pressure applies again during the following procedure.
- Arrow Indicates Vehicle Front
8. Start engine.
9. After engine stalls, crank it two or three times to release all fuel pressure.
10. Turn ignition switch OFF.
11. Remove all ignition coil harness connectors to avoid the electrical discharge from the ignition coils.
12. Remove ignition coil and spark plug of the cylinder to be checked. Service and Repair.
13. Crank engine for 5 seconds or more to remove combustion gas in the cylinder.
14. Connect spark plug and harness connector to ignition coil.





15. Fix ignition coil using a rope etc. with gap of 13 - 17 mm (0.52 - 0.66in) between the edge of the spark plug and grounded metal portion as shown in the figure.
16. Crank engine for approximately 3 seconds, and check whether spark is generated between the spark plug and the grounded metal portion.






CAUTION:
- During the operation, always stay 0.5 m (19.7 in) or more away from the spark plug and the ignition coil. Be careful not to get an electrical shock while checking, because the electrical discharge voltage becomes 20 kV or more.
- It might cause to damage the ignition coil if the gap of more than 17 mm (0.66 in) is made.

NOTE:
When the gap is less than 13 mm (0.52 in), a the spark might be generated even if the coil is malfunctioning.
17. If NG, replace ignition coil with power transistor. Service and Repair.

CONDENSER-2
1. Turn ignition switch OFF.
2. Disconnect condenser-2 harness connector. For the condenser number, SEE Wiring Diagram. For the condenser layout, Harness Locations.





3. Check resistance between condenser-2 terminals 1 and 2.






4. If NG, replace condenser-2.