Operation CHARM: Car repair manuals for everyone.
Manuals through 2025 now available!

Our trusted friends have launched a new website named LEMON, which has newer manuals. It also contains all the CHARM manuals.

LEMON is the spiritual successor to CHARM, I recommend you try it!

Link: lemon-manuals.la or lemon-manuals.org.ua

(Some people have issue connecting. LEMON is investigating. For now, use Firefox or change your DNS server)

Or, hide this message: temporarily or permanently

System Specifications




SERVICE DATA AND SPECIFICATIONS (SDS)

Standard and Limit


GENERAL SPECIFICATIONS







DRIVE BELT







EXHAUST MANIFOLD AND THREE WAY CATALYST ASSEMBLY

Unit: mm (in)






SPARK PLUG







CYLINDER HEAD

Unit: mm (in)
















VALVE

Valve Timing










Valve Dimensions
Unit: mm (in)















Valve Clearance
Unit: mm (in)





Available Valve Lifter










Valve Spring





Valve Lifter
Unit: mm (in)





Valve Guide
Unit: mm (in)










Valve Seat
Unit: mm (in)










Valve Seal
Unit: mm (in)





Spark Plug Tube
Unit: mm (in)






CAMSHAFT AND CAMSHAFT BEARING

Unit: mm (in)






CYLINDER BLOCK

Unit: mm (in)













PISTON, PISTON RING AND PISTON PIN

Available Piston
Unit: mm (in)







Piston Ring
Unit: mm (in)










Piston Pin
Unit: mm (in)






CONNECTING ROD

Unit: mm (in)







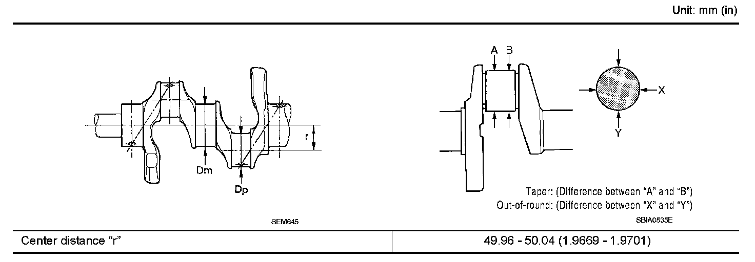
CRANKSHAFT

Unit: mm (in)












MAIN BEARING

Unit: mm (in)







Undersize
Unit: mm (in)






Bearing Oil Clearance
Unit: mm (in)






CONNECTING ROD BEARING







Undersize
Unit: mm (in)






Bearing Oil Clearance
Unit: mm (in)