Operation CHARM: Car repair manuals for everyone.
Manuals through 2025 now available!

Our trusted friends have launched a new website named LEMON, which has newer manuals. It also contains all the CHARM manuals.

LEMON is the spiritual successor to CHARM, I recommend you try it!

Link: lemon-manuals.la or lemon-manuals.org.ua

(Some people have issue connecting. LEMON is investigating. For now, use Firefox or change your DNS server)

Or, hide this message: temporarily or permanently

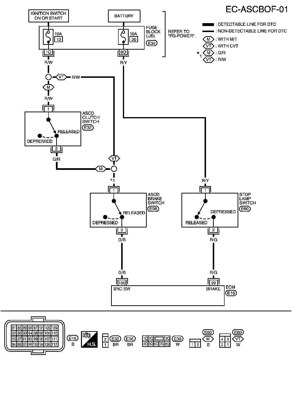
ASCD Brake Switch Except For California




ASCD BRAKE SWITCH

Component Description






When depress on the brake pedal, ASCD brake switch (1) is turned
OFF and stop lamp switch (2) is turned ON. ECM detects the state of the brake pedal (3) by this input of two kinds (ON/OFF signal)


CONSULT Reference Value in Data Monitor Mode

Specification data are reference values.







Wiring Diagram






Specification data are reference values and are measured between each terminal and ground.

CAUTION:
Do not use ECM ground terminals when measuring input/output voltage. Doing so may result in damage to the ECM's transistor. Use a ground other than ECM terminals, such as the ground.







Diagnosis Procedure


1. CHECK OVERALL FUNCTION-I

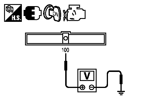
With CONSULT
1.Turn ignition switch ON.
2.Select "BRAKE SW-1" in "DATA MONITOR" mode with CONSULT.
3.Check "BRAKE SW-1" indication under the following conditions.










Without CONSULT
1.Turn ignition switch ON.





2.Check voltage between ECM terminal 100 and ground under the following conditions.










OK or NG
OK- GO TO 2.
NG - GO TO 3.

2. CHECK OVERALL FUNCTION-II

With CONSULT
Check "BRAKE SW-2" indication in "DATA MONITOR" mode.





Without CONSULT





Check voltage between ECM terminal 99 and ground under the following conditions.





OK or NG
OK-INSPECTION END
NG- GO TO 11.

3. CHECK ASCD BRAKE SWITCH POWER SUPPLY

1.Turn ignition switch OFF.





2.Disconnect ASCD brake switch (1) harness connector.
-Stop lamp switch (2)
-Brake pedal (3)
3.Turn ignition switch ON.





4.Check voltage between ASCD brake switch terminal 1 and ground with CONSULT or tester.
Voltage: Battery voltage
OK or NG
OK- GO TO 8.
NG (M/T models) -GO TO 4.
NG (CVT models)-GO TO 6.

4. CHECK ASCD CLUTCH SWITCH POWER SUPPLY CIRCUIT

1.Turn ignition switch OFF.





2.Disconnect ASCD clutch switch (1) harness connector.
-Clutch pedal (2)
3.Turn ignition switch ON.





4.Check voltage between ASCD clutch switch terminal 1 and ground with CONSULT or tester.
Voltage: Battery voltage
OK or NG
OK- GO TO 7.
NG- GO TO 5.

5. DETECT MALFUNCTIONING PART

Check the following.
- 10 A fuse
- Harness for open or short between ASCD clutch switch and fuse
- Repair open circuit or short to ground or short to power in harness or connectors.

6. DETECT MALFUNCTIONING PART

Check the following.
- 10 A fuse
- Harness for open or short between ASCD brake switch and fuse
- Repair open circuit or short to ground or short to power in harness or connectors.

7. CHECK ASCD CLUTCH SWITCH INPUT SIGNAL CIRCUIT FOR OPEN AND SHORT

1.Turn ignition switch OFF.
2.Check harness continuity between ASCD brake switch terminal 1 and ASCD clutch switch terminal 2.
Refer to Wiring Diagram.
Continuity should exist.
3.Also check harness for short to ground and short to power.
OK or NG
OK- GO TO 10.
NG- Repair open circuit or short to ground or short to power in harness or connectors.

8. CHECK ASCD BRAKE SWITCH INPUT SIGNAL CIRCUIT FOR OPEN AND SHORT

1.Turn ignition switch OFF.
2.Disconnect ECM harness connector.
3.Check harness continuity between ECM terminal 100 and ASCD brake switch terminal 2.
Refer to Wiring Diagram.
Continuity should exist.
4.Also check harness for short to ground and short to power.
OK or NG
OK- GO TO 9.
NG- Repair open circuit or short to ground or short to power in harness or connectors.

9. CHECK ASCD BRAKE SWITCH

Engine Controls Except For California.
OK or NG
OK- GO TO 15.
NG- Replace ASCD brake switch.

10. CHECK ASCD CLUTCH SWITCH

Engine Controls Except For California
OK or NG
OK- GO TO 15.
NG- Replace ASCD clutch switch.

11. CHECK STOP LAMP SWITCH POWER SUPPLY CIRCUIT

1.Turn ignition switch OFF.





2.Disconnect stop lamp switch (2) harness connector.
-ASCD brake switch (1)
-Brake pedal (3)
3.Check voltage between stop lamp switch terminal 1 and ground with CONSULT or tester.





Voltage: Battery voltage
OK or NG
OK- GO TO 13.
NG- GO TO 12.

12. DETECT MALFUNCTIONING PART

Check the following.
- 10 A fuse
- Harness for open or short between stop lamp switch and battery
- Repair open circuit or short to ground or short to power in harness or connectors.

13. CHECK STOP LAMP SWITCH INPUT SIGNAL CIRCUIT FOR OPEN AND SHORT

1.Disconnect ECM harness connector.
2.Check harness continuity between ECM terminal 99 and stop lamp switch terminal 2.
Refer to Wiring Diagram.
Continuity should exist.
3.Also check harness for short to ground and short to power.
OK or NG
OK- GO TO 14.
NG- Repair open circuit or short to ground or short to power in harness or connectors.

14. CHECK STOP LAMP SWITCH

Engine Controls Except For California
OK or NG
OK- GO TO 15.
NG- Replace stop lamp switch.

15. CHECK INTERMITTENT INCIDENT

Refer to Except For California Except For California.
-INSPECTION END


Component Inspection


ASCD BRAKE SWITCH

1.Turn ignition switch OFF.
2.Disconnect ASCD brake switch harness connector.





3.Check continuity between ASCD brake switch terminals 1 and 2
under the following conditions.





If NG, adjust ASCD brake switch installation, and perform step 3 again.

ASCD CLUTCH SWITCH

1.Turn ignition switch OFF.
2.Disconnect ASCD clutch switch harness connector.





3.Check continuity between ASCD clutch switch terminals 1 and 2
under the following conditions.





If NG, adjust ASCD clutch switch installation, and perform step 3 again.

STOP LAMP SWITCH

1.Turn ignition switch OFF.
2.Disconnect stop lamp switch harness connector.
3.Check continuity between stop lamp switch terminals 1 and 2 under the following conditions.










If NG, adjust stop lamp switch installation, and perform step 3 again.