Operation CHARM: Car repair manuals for everyone.
Manuals through 2025 now available!

Our trusted friends have launched a new website named LEMON, which has newer manuals. It also contains all the CHARM manuals.

LEMON is the spiritual successor to CHARM, I recommend you try it!

Link: lemon-manuals.la or lemon-manuals.org.ua

(Some people have issue connecting. LEMON is investigating. For now, use Firefox or change your DNS server)

Or, hide this message: temporarily or permanently

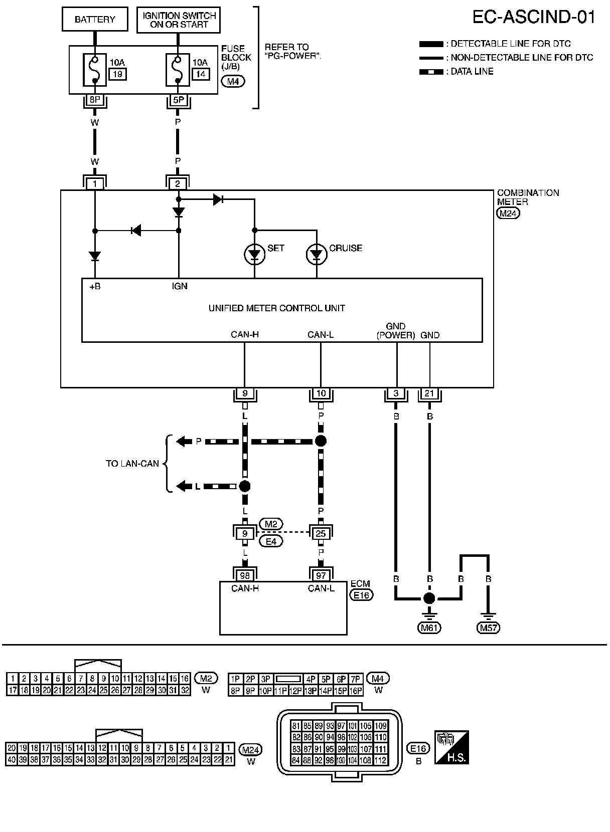
ASCD Indicator




ASCD INDICATOR

Component Description

ASCD indicator lamp illuminates to indicate ASCD operation status. Lamp has two indicators, CRUISE and
SET, and is integrated in combination meter.
CRUISE indicator illuminates when MAIN switch on ASCD steering switch is turned ON to indicate that ASCD
system is ready for operation.
SET indicator illuminates when following conditions are met.
- CRUISE indicator is illuminated.
- SET/COAST switch on ASCD steering switch is turned ON while vehicle speed is within the range of ASCD
setting.
SET indicator remains lit during ASCD control.


CONSULT Reference Value in Data Monitor Mode

Specification data are reference value.







Wiring Diagram








Diagnosis Procedure


1. CHECK OVERALL FUNCTION

Check ASCD indicator under the following conditions.





OK or NG
OK-INSPECTION END
NG- GO TO 2.

2. CHECK DTC

Check that DTC UXXXX is not displayed.
Yes or No
Yes- Perform trouble diagnoses for DTC UXXXX.
No- GO TO 3.

3. CHECK COMBINATION METER OPERATION

Does combination meter operate normally?
Yes or No
Yes- GO TO 4.
No- Check combination meter circuit. Refer to Combination Meters System Description.

4. CHECK INTERMITTENT INCIDENT

Refer to Trouble Diagnosis For Intermittent Incident Trouble Diagnosis For Intermittent Incident.
-INSPECTION END