Component Tests and General Diagnostics
IPDM E/R (INTELLIGENT POWER DISTRIBUTION MODULE ENGINE ROOM)
IPDM E/R Power/Ground Circuit Inspection
1. FUSE AND FUSIBLE LINK INSPECTION
Check that the following fusible links or IPDM E/R fuses are not blown.
OK or NG
OK- GO TO 2.
NG- Replace fuse or fusible link.
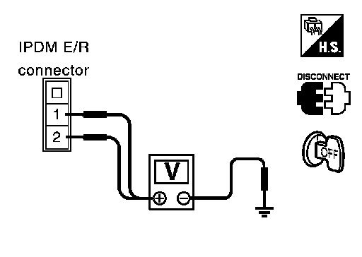
2. POWER CIRCUIT INSPECTION
1.Turn ignition switch OFF.
2.Disconnect IPDM E/R harness connector E42.
3.Check voltage between IPDM E/R harness connector E42 terminals 1, 2 and ground.
Battery voltage should exist.
OK or NG
OK- GO TO 3.
NG- Repair or replace IPDM E/R power circuit harness.
3. GROUND CIRCUIT INSPECTION
1.Disconnect IPDM E/R harness connectors E46 and E48.
2.Check continuity between IPDM E/R harness connector E46 (A)
terminal 39, E48 (B) terminal 59 and ground.
Continuity should exist.
OK or NG
OK- Inspection End.
NG- Repair or replace IPDM E/R ground circuit harness.