Operation CHARM: Car repair manuals for everyone.
Manuals through 2025 now available!

Our trusted friends have launched a new website named LEMON, which has newer manuals. It also contains all the CHARM manuals.

LEMON is the spiritual successor to CHARM, I recommend you try it!

Link: lemon-manuals.la or lemon-manuals.org.ua

(Some people have issue connecting. LEMON is investigating. For now, use Firefox or change your DNS server)

Or, hide this message: temporarily or permanently

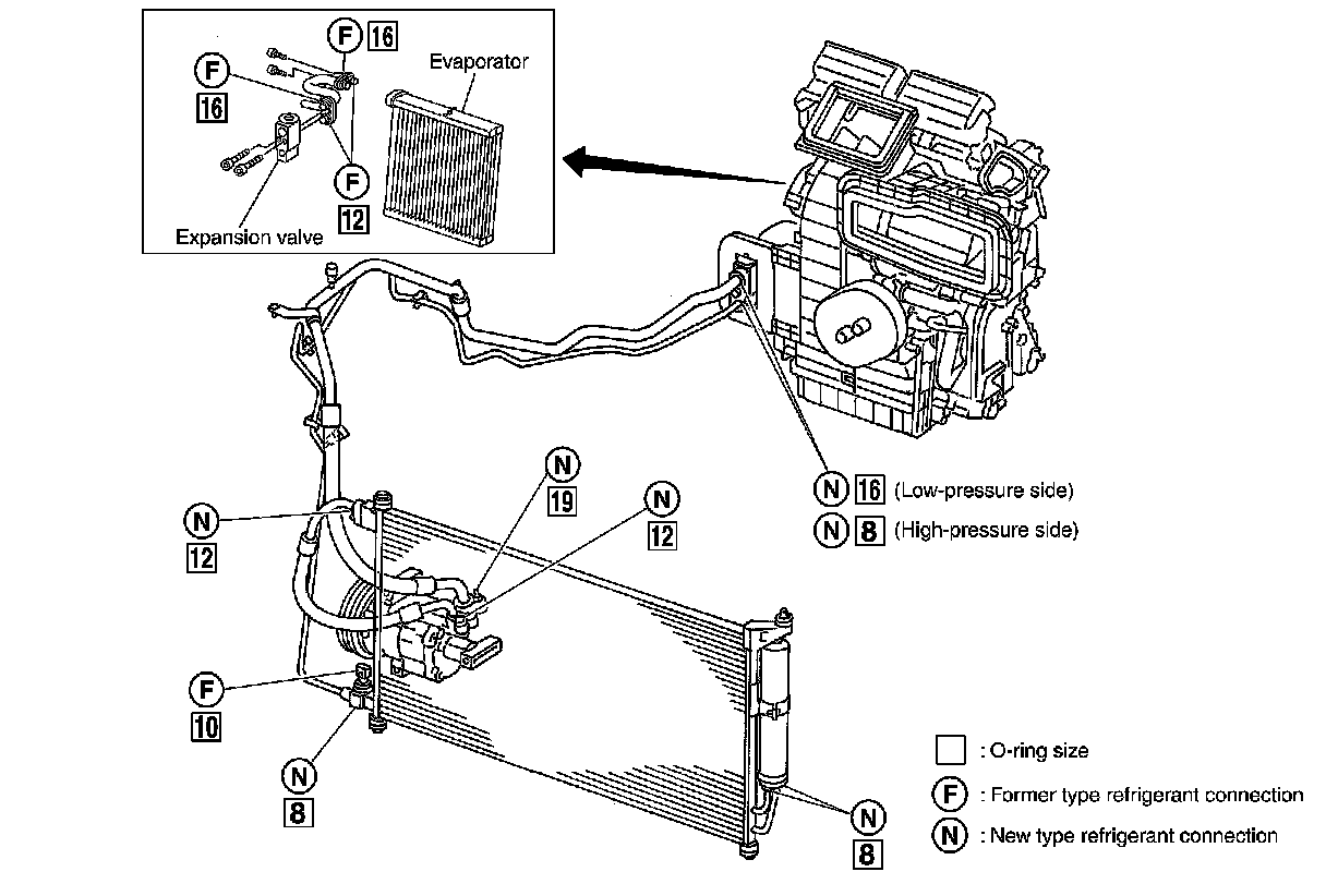
Precaution For Refrigerant Connection




PRECAUTIONS

Precaution for Refrigerant Connection

A new type refrigerant connection has been introduced to all refrigerant lines except the following location.
- Expansion valve to evaporator
- Refrigerant pressure sensor to condenser

FEATURES OF NEW TYPE REFRIGERANT CONNECTION






- The O-ring has been relocated. It has also been provided with a groove for proper installation. This eliminates the chance of the O-ring being caught in, or damaged by, the mating part. The sealing direction of the
O-ring is now set vertically in relation to the contacting surface of the mating part to improve sealing characteristics.
- The reaction force of the O-ring will not occur in the direction that causes the joint to pull out, thereby facilitating piping connections.

O-RING AND REFRIGERANT CONNECTION












WARNING:
Make sure all refrigerant is discharged into the recycling equipment and the pressure in the system is less than atmospheric pressure. Then gradually loosen the discharge side hose fitting and remove it.

CAUTION:
The new and former refrigerant connections use different O-ring configurations. Do not confuse Orings since they are not interchangeable. If a wrong O-ring is installed, refrigerant will leak at, or around, the connection.
O-Ring Specifications*






CAUTION:
When replacing or cleaning refrigerant cycle components, observe the following.
- When the compressor is removed, store it in the same position as it is when installed on the vehicle.
Doing so will cause oil to enter the low-pressure chamber.
- When connecting tubes, always use a torque wrench and a back-up wrench.
- After disconnecting tubes, immediately plug all openings to prevent entry of dirt and moisture.
- When installing an air conditioner in the vehicle, connect the pipes as the final stage of the operation. Do not remove the seal caps of pipes and other components until just before required for connection.
- Allow components stored in cool areas to warm to working area temperature before removing seal caps. This prevents condensation from forming inside A/C components.
- Thoroughly remove moisture from the refrigeration system before charging the refrigerant.
- Always replace used O-rings.
- When connecting tube, apply the specified A/C oil to circle of the O-rings. Be careful not to apply oil to threaded portion. Fluid Type Specifications.
- O-ring must be closely attached to dented portion of tube.
- When replacing the O-ring, be careful not to damage O-ring and tube.
- Connect tube until you hear it click, then tighten the nut or bolt by hand until snug. Make sure that the O-ring is installed to tube correctly.
- After connecting line, perform leak test and make sure that there is no leakage from connections.
When the refrigerant leaking point is found, disconnect that line and replace the O-ring. Then tighten connections of seal seat to the specified torque.